QQ登录

只需一步,快速开始

登录 | 注册 | 找回密码

三维网

 找回密码
 注册

QQ登录

只需一步,快速开始

展开

通知     

全站
8天前
查看: 2537|回复: 23
收起左侧

[讨论结束] 考考你们(包括版主)

 关闭 [复制链接]
发表于 2010-4-19 21:43:03 | 显示全部楼层 |阅读模式 来自: 中国广东深圳

马上注册,结识高手,享用更多资源,轻松玩转三维网社区。

您需要 登录 才可以下载或查看,没有帐号?注册

x
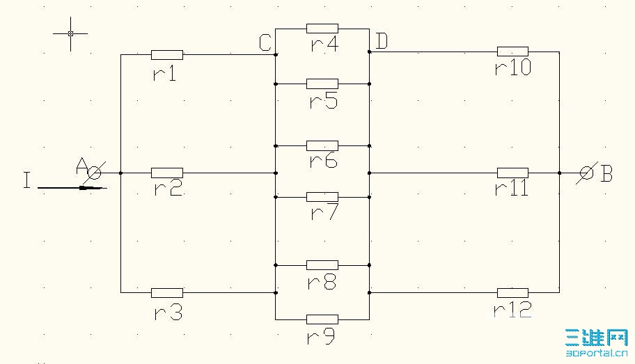
如图所示:) z: [; q8 Y) s" @" r
求电阻.JPG
- _( b: j. @; G9 U3 a5 |每个电阻都为1欧,求A、B两点之间的总电阻。+ W6 j5 Y2 T: }9 B
如果大家在一星期内还没有做出来,或者做错了,我将正式答案和详细步骤发上来。

评分

参与人数 1三维币 +3 收起 理由
郝工在线 + 3 鼓励挑战性话题!

查看全部评分

发表于 2010-4-19 22:37:16 | 显示全部楼层 来自: 中国浙江绍兴
用万用表量或者电路仿真,对待复杂电路用工具才是可靠的,人工计算花费大量时间而且太容易出问题
发表于 2010-4-19 23:46:04 | 显示全部楼层 来自: 中国河北石家庄
我是晕菜了
发表于 2010-4-20 01:58:06 | 显示全部楼层 来自: 中国山东济南
正确解法:接点电压,支路电流法肯定能解,不过太麻烦.
发表于 2010-4-20 02:01:46 | 显示全部楼层 来自: 中国山东济南
方法2:Y--Δ转换.......
发表于 2010-4-20 07:51:06 | 显示全部楼层 来自: 中国天津
是0.5欧姆吗?
发表于 2010-4-20 10:27:59 | 显示全部楼层 来自: 中国河北保定
用万用表量或者电路仿真,对待复杂电路用工具才是可靠的,人工计算花费大量时间而且太容易出问题. A! e) [5 j* d& g' q9 c" O
coolvtr 发表于 2010-4-19 22:37 http://www.3dportal.cn/discuz/images/common/back.gif
同感!.............
发表于 2010-4-20 10:41:08 | 显示全部楼层 来自: 中国上海
是不是可以看成6条3欧的线路并联,那电阻是0.5欧
 楼主| 发表于 2010-4-20 12:58:25 | 显示全部楼层 来自: 中国江西南昌
2# coolvtr
4 t+ C/ v  g; M6 p- {! }这位朋友说的虽然不错但这是一个技师考试题目,当时题目要求不能用万用表测量的。所以你说的方法是不允许的。
 楼主| 发表于 2010-4-20 13:01:18 | 显示全部楼层 来自: 中国江西南昌
8# roger_dong
7 l4 m$ a1 V+ k$ P' G; ]0.5欧姆错了。
头像被屏蔽
发表于 2010-4-20 14:14:26 | 显示全部楼层 来自: 中国河北衡水
提示: 作者被禁止或删除 内容自动屏蔽
发表于 2010-4-20 15:09:42 | 显示全部楼层 来自: 中国黑龙江哈尔滨
本帖最后由 pangpang 于 2010-4-20 15:12 编辑 * o( n; m! S% Y4 L

. |" M2 ]( ^2 a" P: x/ N7 W9 n每个电阻的阻值为R,则A、B两点间等效电阻值为(5/6)倍的R。如果R=1Ω,则A、B两点间的等效电阻值为5/6 Ω 。
 楼主| 发表于 2010-4-20 17:13:27 | 显示全部楼层 来自: 中国江西南昌
12# pangpang # r' H, Z) |1 G! N( g. b/ s
不愧为我们的超级版主,恭喜你做对了,用的时间比我短。
) s3 c3 B5 b) S, z5 Y不过你得将等效图及解题详细步骤发上来,大概加估计是很难令人信服的,不然别人还以为你是蒙对了。
发表于 2010-4-20 17:15:32 | 显示全部楼层 来自: 中国上海
不用搞这么复杂。. f3 e2 }+ L# _
想象你手中拿着这个正方体,两手抓住它的两个对角,用力拉,正方体被你拉得严重变形,直到所有的线都贴到一起。你会清楚地看出:' i6 f; s/ A4 T) G& r( m6 [& ]' H
左手抓住了三条线,靠近左手的三个顶点是等势点,电阻是R/3;右手也抓住了三条线,靠近右手的三个顶点也是等势点,电阻也是R/3;中间是6根线并联,电阻是R/6,所以总电阻就是R/3+R/6+R/3=5R/6* `- W9 e4 w8 }4 S7 U
这种形象的解法比频繁套公式要快得多,也不容易出错

评分

参与人数 1三维币 +5 收起 理由
pangpang + 5 生动、形象,通俗易懂。

查看全部评分

 楼主| 发表于 2010-4-20 17:24:04 | 显示全部楼层 来自: 中国江西南昌
14# Y305799518
+ x0 b8 v, V" L( c真是大开眼界了,解题方法别具一格。真的好好想你学习。
 楼主| 发表于 2010-4-20 17:40:30 | 显示全部楼层 来自: 中国江西南昌
这道题其实并不难,只要思路对了就相当简单。我也走了弯路。起初总是把思路放在了混连电阻的计算和星形、三角形等效电路变换上去了。后来突然一来灵感,何不通上电流用实际状况解答试试,正是这样,这道题就迎刃而解。
6 W2 ]  ?) u2 ]8 \9 k方法一:% s. n& t' V3 p
当电路每个电阻均为r时,等效电路如图1所示:
" e+ M  U* \# U- K" e" q6 I Snap1.jpg % @2 _& h7 V/ n1 }% ^
设通过电路的总电流为I,则三条支路中的电流都为(1/3)I    (这一点我相信大家都会认可,我省去了中间步骤)正中间的6个电阻每个电流都为(1/6)I。1 C- X' O5 l) N5 a9 B' M' U
故A、B两端电压为:Uab=Uac+Ucd+Udb=(1/3+1/6+1/3)Ir=(5/6)Ir  伏
% x; L7 Y0 F- a- S4 G9 [9 H/ ^所以总电阻  R=Uab/I=(5/6)Ir/I=(5/6)r=(5/6)*1=5/6  Ω
) M/ d1 t2 j% [. M) `9 X怎么样?是不是很简单。8 S1 ~) G) v5 \2 H3 Q
方法二:; S; J4 O7 d) q  G! ]9 q7 W. q
由于每条支路的电流均为(1/3)I,在每个电阻都为r的情况下:( B5 T: S5 H' t& ~& E
相对于A点来说有:φc=φe=φg2 z+ \- u$ w' k" I6 z
相对于B点来说有:φd=φf=φh! S3 c$ ~2 i: h$ D4 C4 J" F
根据等电位点可以看成同一个电气点的道理,故等效电路又可转化为如图2所示:4 r3 [; S7 Y8 o2 v6 \
Snap2.jpg
3 A( q7 J7 J9 I1 M( q, p: r' W3 N对于这个电路来讲,根本不用我解,我相信大家都能看出结果来了,即:) L  j4 G9 c4 H7 c. h
R=(5/6)r=(5/6)*1=5/6Ω。

评分

参与人数 1三维币 +3 收起 理由
pangpang + 3 有始有终。

查看全部评分

发表于 2010-4-20 18:32:48 | 显示全部楼层 来自: 中国吉林长春
12# pangpang  
6 L7 X* k$ D+ I1 B' O+ f9 ?不愧为我们的超级版主,恭喜你做对了,用的时间比我短。
# b  O# A' g5 X, M- l不过你得将等效图及解题详细步骤发上来,大概加估计是很难令人信服的,不然别人还以为你是蒙对了。
. o# a& G& f& n* U+ ]3 A8 dyqm0709 发表于 2010-4-20 17:13 http://www.3dportal.cn/discuz/images/common/back.gif

# S" O3 C- e& M$ T2 h4 t, r; W& @" M6 Z6 I. H! i
就算是蒙的吧。不过能蒙对啦,也算不错。看了你的题目,就知道不能用通常的方法,应该另辟蹊径。14楼解释得很形象。
 楼主| 发表于 2010-4-20 19:19:33 | 显示全部楼层 来自: 中国江西南昌
17# pangpang & v( j3 x' `8 e$ j: T) f
看来这个论坛高手如云,你是这里高手中的高手了,以后得好好想你学习,可别保守啊!
发表于 2010-4-20 19:25:54 | 显示全部楼层 来自: 中国广东广州
这帖才是真正的技术讨论!
/ Y" v* x' @5 R$ c: @) m% U" s有明确的答案主题开帖讨论,等于一种真正学习过程,比发资料的效果来得更好!望会员多多开帖讨论!
发表于 2010-4-20 23:52:12 | 显示全部楼层 来自: 中国山东济南
真是有高手啊,哎,佩服佩服.....
发表于 2010-4-21 19:13:24 | 显示全部楼层 来自: 中国天津
上面的解题方法很精彩!!值得大家学习!!
发表于 2010-4-21 20:19:09 | 显示全部楼层 来自: 中国江苏南京
本论坛真是藏龙卧虎之地,值得学习。
发表于 2010-4-21 20:28:18 | 显示全部楼层 来自: 中国陕西渭南
真是大开眼界了,解题方法别具一格。真的好好想你学习。
发表于 2010-4-21 20:50:50 | 显示全部楼层 来自: 中国广东珠海
我们向他们致敬,他们是我们的榜样,向他们学习,多动手多动脑
发表回复
您需要登录后才可以回帖 登录 | 注册

本版积分规则


Licensed Copyright © 2016-2020 http://www.3dportal.cn/ All Rights Reserved 京 ICP备13008828号

小黑屋|手机版|Archiver|三维网 ( 京ICP备2023026364号-1 )

快速回复 返回顶部 返回列表