QQ登录

只需一步,快速开始

登录 | 注册 | 找回密码

三维网

 找回密码
 注册

QQ登录

只需一步,快速开始

展开

通知     

全站
6天前
查看: 2131|回复: 5
收起左侧

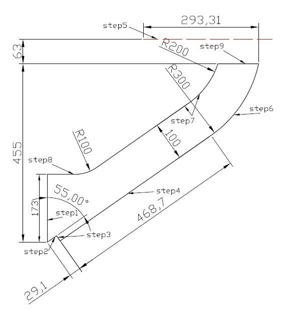
[求助] 哪位老大帮我看看这2副图怎么画啊?谢谢!

[复制链接]
发表于 2010-4-21 15:18:29 | 显示全部楼层 |阅读模式 来自: 中国江苏无锡

马上注册,结识高手,享用更多资源,轻松玩转三维网社区。

您需要 登录 才可以下载或查看,没有帐号?注册

x
我不会画,画不出来,看下谢谢!
未命名.JPG
未命名2.JPG
发表于 2010-4-23 16:55:11 | 显示全部楼层 来自: 中国河南郑州
第一个图:把长30.4的直线与长为150.7的弧固定为相切的关系。" _6 z  O$ p+ ?; g
第二个图:角度55度和右上293的定位尺寸(或半径200.300)有冲突,还有那个斜长468.7的尺寸。如果要求直线与弧线相切,尺寸或角度就无法保证。

评分

参与人数 1三维币 +3 收起 理由
2005llnn + 3 应助

查看全部评分

 楼主| 发表于 2010-4-23 21:24:36 | 显示全部楼层 来自: 中国江苏无锡
我好笨 看不懂  还是不懂
发表于 2010-5-13 15:13:52 | 显示全部楼层 来自: 中国辽宁大连
1.jpg
) n$ V0 K- g! m9 r" @! O1 \$ V 2.jpg

三维网2幅图.dwg

94.72 KB, 下载次数: 1

评分

参与人数 1三维币 +5 收起 理由
2005llnn + 5 应助

查看全部评分

发表于 2010-5-13 22:50:56 | 显示全部楼层 来自: 中国广东珠海
第一题:R105的圆弧包含角为82.23
9 B, l3 d0 ~& S* F第二题:画出R200和R300后,画468.7直线,第一点用相切点,第二点用极座标@468.7<-145
发表于 2010-11-23 12:50:38 | 显示全部楼层 来自: 中国浙江嘉兴
先画出线与线的交点,再倒圆
发表回复
您需要登录后才可以回帖 登录 | 注册

本版积分规则


Licensed Copyright © 2016-2020 http://www.3dportal.cn/ All Rights Reserved 京 ICP备13008828号

小黑屋|手机版|Archiver|三维网 ( 京ICP备2023026364号-1 )

快速回复 返回顶部 返回列表