QQ登录

只需一步,快速开始

登录 | 注册 | 找回密码

三维网

 找回密码
 注册

QQ登录

只需一步,快速开始

展开

通知     

查看: 2196|回复: 18
收起左侧

[讨论] 紧急!!谁能帮忙看看这两个减压阀的关系!!

[复制链接]
发表于 2010-4-25 15:05:50 | 显示全部楼层 |阅读模式 来自: 中国河北唐山

马上注册,结识高手,享用更多资源,轻松玩转三维网社区。

您需要 登录 才可以下载或查看,没有帐号?注册

x
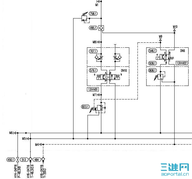
1.JPG
+ `! t3 u3 E: ~, ]. t/ ^  D- ?+ I) d- g8 D0 T
如图,控制油路分两部分,一部分是经过三通减压阀823.1,然后经过换向阀579.1、节流阀707.1、液控单向阀495.1,进入液压缸;另一部分是经过减压阀808.1和换向阀546.1后,第一条控制油路进入液控单向阀495.1,第二条与三通减压阀823.1相连。" [- b. y0 {$ Z
" Z* n) m  b! M1 w4 r! A- k
有一个问题:第二条油路有什么作用?+ L) Q" c. B) K( E9 r8 i- P$ u
如果两个电磁换向阀(579.1和546.1)都没有得电,这时候调节两个减压阀,测得M9压力是40bar,M7压力是100bar,那么三通减压阀823.1实际设定压力是多少?是100bar还是60bar?
$ p! d1 n+ o* c如果电磁换向阀579.1没有得电,电磁换向阀546.1得电,这时候仍然调节两个减压阀,测得M10为40bar,M7为100bar,那么,此时三通减压阀实际压力应该是多少?
. N# t$ q/ o. O9 C9 B; C" W1 U7 b( }5 `4 N1 N9 {9 z- n; I
第二个问题是关于液控单向阀495.1:如果M10的压力是40bar(即控制油路压力为40bar),M1压力是120bar,M8压力是80bar,那么油液方向是从M1流向M8还是由M8流向M1?
0 x6 Z" k1 Z; [( C) B2 q8 Y液控单向阀控制油路压力一般需要多少?与M1方向的背压多少有关系吗?
发表于 2010-4-25 16:44:35 | 显示全部楼层 来自: 中国河北石家庄
1# biancheng 你那个减压阀,是哪个厂家的啊。我一直在找这样的阀。
发表于 2010-4-25 17:02:21 | 显示全部楼层 来自: 中国浙江宁波
进来学习下
 楼主| 发表于 2010-4-25 18:17:28 | 显示全部楼层 来自: 中国河北唐山
上面全部是力士乐的阀
发表于 2010-4-25 19:59:13 | 显示全部楼层 来自: 中国辽宁鞍山
此图为轧机立辊提升液压图,应该还有一部分
/ i$ O; d: _8 d0 B+ ?" n7 i- |正常轧钢状态579.1  b得电    546.1a得电压力大概在70-90bar, F4 P; D+ P8 t1 `6 \
立辊提升时579.1    b得电     546.1  a断电  有546.1;928.1;808.1组成的控制油路外控三通减压阀823.1使其液力升高使主轴提升从而使主轴与立辊脱离
发表于 2010-4-25 21:21:33 | 显示全部楼层 来自: 中国辽宁沈阳
有一个问题:第二条油路有什么作用?控制油路压力一般比较低,用减压回路降低控制压力
4 C7 U+ l3 C7 n$ m- x如果两个电磁换向阀(579.1和546.1)都没有得电,这时候调节两个减压阀,测得M9压力是40bar,M7压力是100bar,那么三通减压阀823.1实际设定压力是多少?是100bar还是60bar?应该是100bar
+ u* a' F- l! D) q- P' Y( p; M. {如果电磁换向阀579.1没有得电,电磁换向阀546.1得电,这时候仍然调节两个减压阀,测得M10为40bar,M7为100bar,那么,此时三通减压阀实际压力应该是多少?还是100bar吧
" o( [' p/ }7 Y  W0 C
, D7 Z! V8 Q4 v* g第二个问题是关于液控单向阀495.1:如果M10的压力是40bar(即控制油路压力为40bar),M1压力是120bar,M8压力是80bar,那么油液方向是从M1流向M8还是由M8流向M1?油应该是从高压流向低压吧# M' s/ I# R4 \* w9 y* q1 q; {# y
液控单向阀控制油路压力一般需要多少?与M1方向的背压多少有关系吗? 与M1方向的压力没有关系
 楼主| 发表于 2010-4-26 07:49:37 | 显示全部楼层 来自: 中国河北唐山
本帖最后由 biancheng 于 2010-4-26 07:51 编辑
9 G/ @8 D7 L0 v% U3 M9 t2 C  ?4 h# x) x9 K
5# a063609 问一下,你说的压力是通过哪个测压点测得的压力?属于哪个减压阀的设定压力?还有你说通过三个阀组成控制油路控制三通减压阀压力,是如何控制的?
发表于 2010-4-26 10:15:36 | 显示全部楼层 来自: 中国江苏南京
楼主把823.1阀的型号给说明一下,也好找资料看一下。第二条油路是控制用的没有问题,关键是823.1是控制压力还是控制流量的,我看有点像多路阀的流量补偿器。另:液控单向阀的控制压力受先导比有关系,先导比一定时,M1处的压力越大,要求的控制比也越大。液体流动是高压向低压走的。
 楼主| 发表于 2010-4-26 12:14:52 | 显示全部楼层 来自: 中国河北唐山
8# 313117596 / a! v* @$ s: f* b/ P7 ~; M! M5 R
823.1的型号是3DR10P5-6X/200Y/00M,力士乐的阀,请问什么是先导比?
发表于 2010-4-27 11:00:12 | 显示全部楼层 来自: 中国上海
控制压力  打开液控单向阀
发表于 2010-4-27 13:58:53 | 显示全部楼层 来自: 中国广东广州
赞同 6楼对于2个问题的回答。
# m1 g, v: e' `. v1 ~9 v6 _1 b# _9 E4 ?- G
对于第二个回路的作用" K  T2 f  N6 Q. _
我认为,只有那个三通减压阀的设定压力 小于第二个回路中减压阀的设定压力时,第二个回路调压的作用才会体现。( F/ `, Q. T: h9 Q' A* O
如果三通减压阀的设定压力大于第二个回路的减压阀的设定压力,压力是由三通减压阀调节的。
发表于 2010-4-27 14:36:53 | 显示全部楼层 来自: 中国江苏南京
先导比是指负载压力在阀芯的作用面积和控制压力在阀芯上的作用面积之比,一般在产品样本上会标注出来。
发表于 2010-4-27 14:57:41 | 显示全部楼层 来自: 中国江苏南京
不好意思,我在力士乐网站上没有找到3DR10P5系列的减压阀资料,谁有资料共享一下!
发表于 2010-4-28 13:52:04 | 显示全部楼层 来自: 中国辽宁本溪
上传3DR--10样本。
' C8 A" p, Q& B6 I! e. @下载成功,请回复一下。

3DR10.rar

73.25 KB, 下载次数: 12

发表于 2010-4-28 21:45:28 | 显示全部楼层 来自: 中国山东烟台
1、第二条油路作用:当546.1 a得电时,823.1减压阀控制回路失压,其出口压力会很低(可能工况:油缸慢速伸出,低压工作)。同时495.1反向导通,油缸可以泄油。
# D" R& }- ^0 [  Q# F! q# ?$ D2、a. 100bar。
- p0 g4 s8 o& p8 P* h9 U     b. 579.1没有得电,在546.1 a得电时,823.1其出口压力会很低,测得的M7压力是虚压,一旦579.1 b得电,M7压力马上降低。

; Q' d4 d* t6 m8 h5 s3、a. 油液方向是从M1流向M8。
0 C$ T' M5 M  D7 f     b. 液控单向阀控制油路压力和设计及工作压力有关,查看阀说明和样本即可。) Z; g; h) I" R
      c. 与M1压力有关系,M1增大,控制油路压力增大。
% V7 J4 H) T3 g& U( ~
发表于 2010-4-30 13:23:59 | 显示全部楼层 来自: 中国辽宁本溪
楼主好!* j) k: w4 Y7 t, @6 U6 T
能否将原件上传,共享一下?4 D( N1 Y+ n& M. I1 E
谢谢!
发表于 2010-4-30 15:36:29 | 显示全部楼层 来自: 中国江苏南京
感谢bohaiyan的共享,让我了解了此阀的原理。/ |0 i2 p2 x/ y: J" ~
1.楼主有一个重要的点没有测压力,M5,所以三通减压阀的压力设定不能确定。' p7 E! b4 T# }; T
2.如果电磁换向阀579.1没有得电,电磁换向阀546.1得电,这时候仍然调节两个减压阀,测得M10为40bar,M7为100bar,那么,此时三通减压阀实际压力应该是多少?回答:此时三通减压阀的压力至少是100bar,也可能更大,这个大家都能理解。
! t: l2 ~  D3 W3.如果两个电磁换向阀(579.1和546.1)都没有得电,这时候调节两个减压阀,测得M9压力是40bar,M7压力是100bar,那么三通减压阀823.1实际设定压力是多少?是100bar还是60bar?回答是:测得M9的压力相当于再三通减压阀的y口增加背压,回增大减压阀的设定值。如果此时三通减压阀已经动作,则100bar3 I5 R* u$ I2 e, L$ b5 b# D
=40bar+设定压,所以此时压力设定应该是60bar,如果三通阀没有动作,即系统压力是100bar,则此时设定压应该大于60bar。所以如果知道系统压力,才可以判断三通减压阀的设定值。如有不对之处还请高手指点,吾将不胜感激!
发表于 2010-12-28 10:13:30 | 显示全部楼层 来自: 中国辽宁本溪
请问楼主,808.1也是带溢流功能的减压阀吗?
0 `3 Z4 E3 [8 A/ E7 F: @  (DR--DP 或 ZDR--DP)
# {$ F) d7 ]9 ?; S! z5 ]谢谢!
发表于 2010-12-28 12:38:56 | 显示全部楼层 来自: 中国江苏无锡
感谢bohaiyan的共享,让我了解了此阀的原理。7 L' e& J% r, g$ s5 w6 T/ ?# v
1.楼主有一个重要的点没有测压力,M5,所以三通减压阀的压力设定不能确定。$ M9 M! m5 z6 I$ r- g6 m. x
2.如果电磁换向阀579.1没有得电,电磁换向阀546.1得电,这时候仍然调节两个减压阀,测得M1 ...3 \( q. x6 r3 K8 @$ M8 i5 L5 h( S
313117596 发表于 2010-4-30 15:36 http://www.3dportal.cn/discuz/images/common/back.gif

9 R8 h' `( V7 v1 a+ R+ Q应该是M6这个压力点没有测。; k& @: e; z4 B3 e9 Z. f8 c5 r
关于LZ问的前两个压力设定的问题,我觉得都是100bar,最后问液体流动方向的问题,当然是高压往低压,不过还得看控制压力
发表回复
您需要登录后才可以回帖 登录 | 注册

本版积分规则


Licensed Copyright © 2016-2020 http://www.3dportal.cn/ All Rights Reserved 京 ICP备13008828号

小黑屋|手机版|Archiver|三维网 ( 京ICP备2023026364号-1 )

快速回复 返回顶部 返回列表