QQ登录

只需一步,快速开始

登录 | 注册 | 找回密码

三维网

 找回密码
 注册

QQ登录

只需一步,快速开始

展开

通知     

查看: 2466|回复: 11
收起左侧

[求助] 看看这个产品怎么编程比较合理

[复制链接]
发表于 2010-4-30 15:33:49 | 显示全部楼层 |阅读模式 来自: 中国江苏苏州

马上注册,结识高手,享用更多资源,轻松玩转三维网社区。

您需要 登录 才可以下载或查看,没有帐号?注册

x

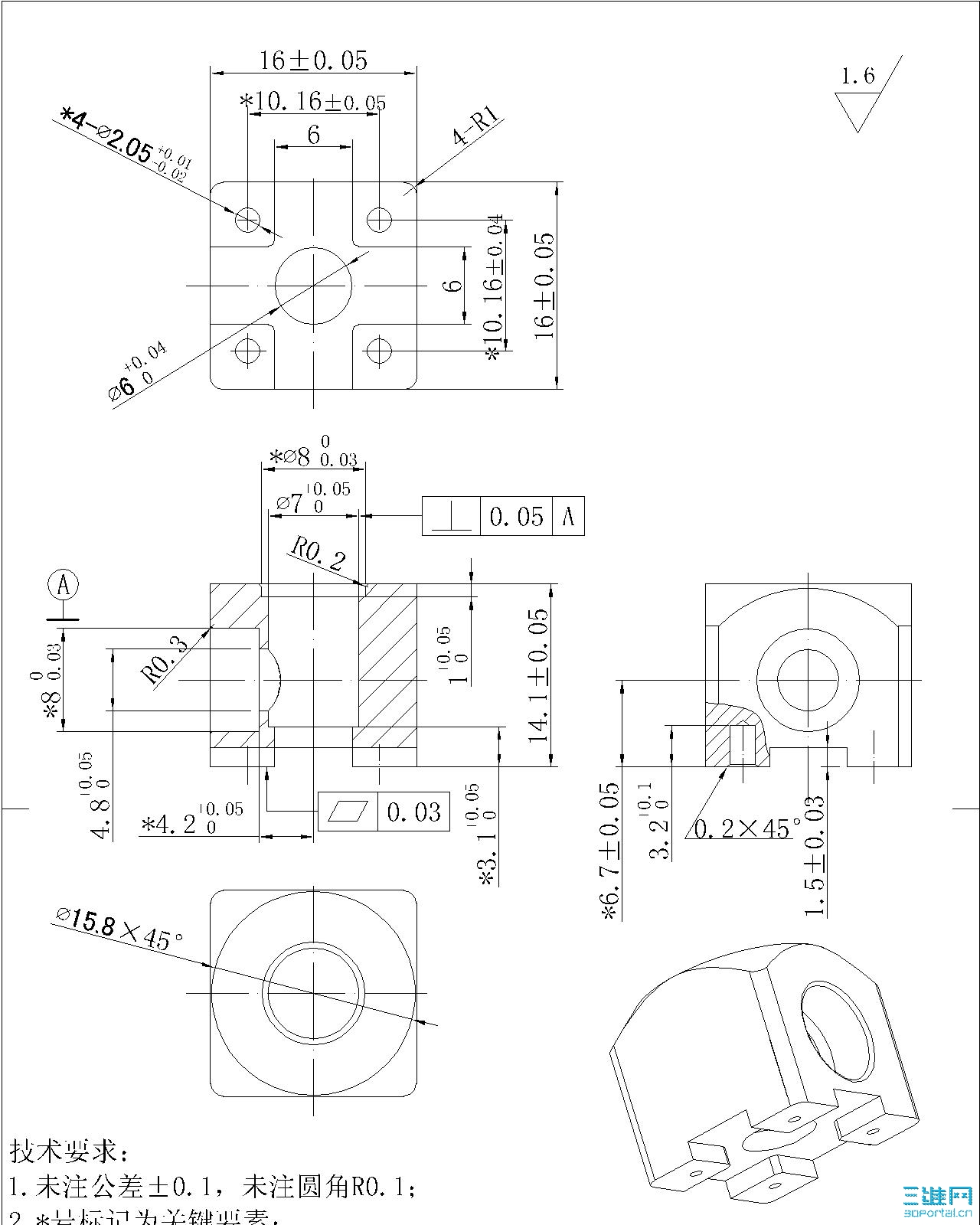
产品图

产品图
各位老大看看这个产品怎么编程比较合理(主要是中间的1.5深的十字槽),用MCAM9.1最好做出所有的走到路线及程式(CNC加工中兴上做)。多谢!我的Email;leanzi@163.com   材料是HPb59-1。
 楼主| 发表于 2010-4-30 15:41:02 | 显示全部楼层 来自: 中国江苏苏州
各位帮我俺看看吧,很急,给个回复,多谢了
发表于 2010-4-30 21:16:54 | 显示全部楼层 来自: 中国广东江门
我回去试试看,不过我一向都是做铝制品的,没做过其他材料,不知道这么高的精度做不做得出来。十字槽那里可以用5mm的刀加工,横竖走一次,再一个一个小台精光,为保0.03的公差可以留下余量再光一次。
发表于 2010-5-1 17:57:19 | 显示全部楼层 来自: 中国辽宁阜新
我也学习一啊
 楼主| 发表于 2010-5-4 12:56:25 | 显示全部楼层 来自: 中国江苏苏州
能具体说一下,加工工序吗?
 楼主| 发表于 2010-5-13 12:46:56 | 显示全部楼层 来自: 中国江苏苏州
怎么没有人回答啊/
 楼主| 发表于 2010-5-15 14:18:36 | 显示全部楼层 来自: 中国江苏苏州
郁闷啊。怎么没人回应啊?
发表于 2010-5-15 14:45:02 | 显示全部楼层 来自: 中国湖北武汉
我回去试试看,不过我一向都是做铝制品的,没做过其他材料,不知道这么高的精度做不做得出来。十字槽那里可以用5mm的刀加工,横竖走一次,再一个一个小台精光,为保0.03的公差可以留下余量再光一次。/ j% v' F1 r2 g( U# F+ |
zhangguangqiang 发表于 2010-4-30 21:16 http://www.3dportal.cn/discuz/images/common/back.gif
3 q0 c- G2 j$ I( M

$ m5 ]5 ?! k" W) t我觉得可行。
! v- S! l5 R  v% j8 ]% K4 H虽然我没有小件加工的经验,但是铜应该好加工。: w+ O3 `3 T/ p$ x. l- y* B  i* O; N
4mm~5mm铣刀粗加工,然后四个台阶依次精光1.5台阶面,可用3mm铣刀侧面,底面一起精加工。3MM小刀十字中间应该可以重叠。
发表于 2010-7-19 11:28:38 | 显示全部楼层 来自: 中国河北保定
这对我来说是小菜一碟,好几床好刀就行了
发表于 2010-8-5 09:38:42 | 显示全部楼层 来自: 中国江苏无锡
工序步骤:
4 @4 k6 Q9 N, q- I! G0 x' b4 t3 U   1、铣下平面十字槽及钻加工4-2.05个孔和6的孔  h1 H+ ]5 b8 Y2 g" u1 l$ Z
   2、再加工侧面4.8和8的孔
+ j- r) P  }; J$ R  w" R   3、加工7的孔和8的孔
发表于 2010-8-5 20:03:08 | 显示全部楼层 来自: 中国浙江杭州
看看大家怎么做的.
发表于 2010-8-5 20:20:46 | 显示全部楼层 来自: 中国江苏苏州
铣下平面十字槽那个面
. X, u' W  b1 ^, `平面度一定要好2 m0 ]4 g$ F" B
上面的孔公差保证在0.02之间( L) W6 ^. t  D
以后翻面做随便先做哪个面,都以十字槽的孔定位(用2个距离最长的精孔定位). t6 ~6 r* \9 P- W$ j, a
感觉可以回复下 " M$ u- ~1 \  i" [
呵呵
发表回复
您需要登录后才可以回帖 登录 | 注册

本版积分规则


Licensed Copyright © 2016-2020 http://www.3dportal.cn/ All Rights Reserved 京 ICP备13008828号

小黑屋|手机版|Archiver|三维网 ( 京ICP备2023026364号-1 )

快速回复 返回顶部 返回列表