QQ登录

只需一步,快速开始

登录 | 注册 | 找回密码

三维网

 找回密码
 注册

QQ登录

只需一步,快速开始

展开

通知     

查看: 2063|回复: 11
收起左侧

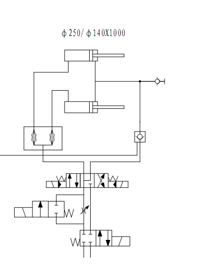
[求助] 液压缸同步问题求助

[复制链接]
发表于 2010-5-13 09:58:02 | 显示全部楼层 |阅读模式 来自: 中国北京

马上注册,结识高手,享用更多资源,轻松玩转三维网社区。

您需要 登录 才可以下载或查看,没有帐号?注册

x
本帖最后由 zlh-2002 于 2010-5-13 10:00 编辑 % k: G' L5 K. A) J
2 @- Z: D% z; w; i7 o
油缸同步.pdf (6.41 KB, 下载次数: 6)
同步.JPG
发表于 2010-5-13 10:06:57 | 显示全部楼层 来自: 中国北京
呵呵,原理可以实现,这种方式我们也用过,6 A" z, O9 i7 J4 _& ~8 s
但是不知道你阀型号?
 楼主| 发表于 2010-5-13 10:50:23 | 显示全部楼层 来自: 中国北京
我想把下数第二层的电磁节流阀去掉,不知可以实现各种工况吗?谢谢!* h) V: e( n' l
我准备采用华德或力士乐元件。
发表于 2010-5-13 14:53:17 | 显示全部楼层 来自: 中国北京
不错呀,可以的,加入分流集流阀能够实现同步,然后你在快进,快退的时候,让第二个二位二通阀带电不就可以了;
8 _. Z( f% e: r( i% H) f+ _1 e工进工退时第二个阀失电,然后调整节流阀不行了,
 楼主| 发表于 2010-5-14 08:19:44 | 显示全部楼层 来自: 中国北京
各位可能没有注意到,我选的三位电液换向阀中位是差动连接的。
发表于 2010-5-14 15:00:23 | 显示全部楼层 来自: 中国河南郑州
本帖最后由 zzboya123 于 2010-5-14 15:03 编辑
' K& A5 D- L  L' Q
! }2 T+ \" Z3 T/ h0 H如果把下数第二层的电磁节流阀去掉,你还能实现工进功能吗?去掉后用泵控制工进速度吗?
发表于 2010-5-14 17:21:32 | 显示全部楼层 来自: 中国广东佛山
不行的,同步阀不能用在速度变化太频繁的场合.当然你系统同步要求不高的话是勉强可以用.我建议你用同步马达.
发表于 2010-5-14 19:26:05 | 显示全部楼层 来自: 中国江苏南京
根据你的原理图,是可以实现你的要求。
 楼主| 发表于 2010-5-15 08:32:20 | 显示全部楼层 来自: 中国北京
先谢谢各位的耐心帮助。
' b& g6 i+ V7 ]+ W, M首先,三位阀的中位可以实现差动,即快退。
% _/ E  S0 Z% w/ o& F; e5 X其次,通过电液换向实现其他工况。' `5 O' \9 ^9 u0 v7 m2 Q
另注,我的油缸是收缩工作的,伸出是不工作的。
& @% P) ?) i+ T8 q( m9 v再次谢谢各位!
发表于 2010-5-16 19:00:51 | 显示全部楼层 来自: 中国四川成都
分流阀同步回路.swf (22.78 KB, 下载次数: 10)
发表于 2010-5-17 06:49:44 | 显示全部楼层 来自: 中国天津
哈哈,不错,建议采用力士乐。。。别的不说了
 楼主| 发表于 2010-5-19 13:06:27 | 显示全部楼层 来自: 中国北京
1652590分流阀同步回路4 q( H& L8 _, T$ b: k: E0 _
qiufeng2003 发表于 2010-5-16 19:00 http://www.3dportal.cn/discuz/images/common/back.gif
请问分流集流阀回路加单向阀有什么好处吗?会解决不同步的问题吗?没太明白,谢谢!
发表回复
您需要登录后才可以回帖 登录 | 注册

本版积分规则


Licensed Copyright © 2016-2020 http://www.3dportal.cn/ All Rights Reserved 京 ICP备13008828号

小黑屋|手机版|Archiver|三维网 ( 京ICP备2023026364号-1 )

快速回复 返回顶部 返回列表