QQ登录

只需一步,快速开始

登录 | 注册 | 找回密码

三维网

 找回密码
 注册

QQ登录

只需一步,快速开始

展开

通知     

全站
3天前
查看: 1406|回复: 5
收起左侧

[求助] 请问钣金件工程图问题

[复制链接]
发表于 2010-5-13 10:54:43 | 显示全部楼层 |阅读模式 来自: 中国四川成都

马上注册,结识高手,享用更多资源,轻松玩转三维网社区。

您需要 登录 才可以下载或查看,没有帐号?注册

x
请问钣金件工程图问题6 T3 k# u# k/ t5 O4 I7 ]" C- f

4 Y  n  i7 j0 [' }5 t0 I- C以前没做过钣金工程图  请问图中有哪些要求需要标注   
! C+ y) o) b" h3 D' ?6 f5 k; u4 I, d& W. B
附件为一个钣金件模型 清大侠做个图参考一下  谢谢

钣金件.rar

128.48 KB, 下载次数: 27

发表于 2010-5-13 11:06:44 | 显示全部楼层 来自: 中国四川成都
兄弟,钣金标注只要不要求展开和机加并无多大区别,只是公差等要求没机加高
发表于 2010-5-13 11:43:57 | 显示全部楼层 来自: 中国浙江杭州
楼主能不能直接传个图。
发表于 2010-5-13 11:49:22 | 显示全部楼层 来自: 中国四川成都
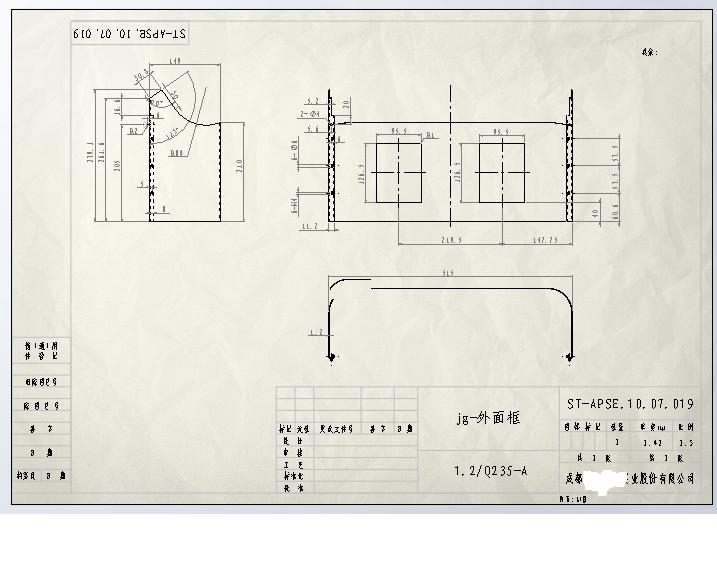
发一张给LZ看看
1.JPG

评分

参与人数 1三维币 +1 收起 理由
chenjun520601 + 1 热心应助!

查看全部评分

发表于 2010-5-13 12:11:26 | 显示全部楼层 来自: 中国江苏常州
跟正常出工程图是一样的,只是需要在展开图中标注折弯圆角,折弯线的位置,以及折弯方向等!
 楼主| 发表于 2010-5-13 12:54:14 | 显示全部楼层 来自: 中国四川成都
谁可以做个例子看看啊   2 {# Y* [0 b1 C& N8 t

; ^8 G8 m# L; Q- K3 {主要是展开图不知道怎样标注
发表回复
您需要登录后才可以回帖 登录 | 注册

本版积分规则


Licensed Copyright © 2016-2020 http://www.3dportal.cn/ All Rights Reserved 京 ICP备13008828号

小黑屋|手机版|Archiver|三维网 ( 京ICP备2023026364号-1 )

快速回复 返回顶部 返回列表