QQ登录

只需一步,快速开始

登录 | 注册 | 找回密码

三维网

 找回密码
 注册

QQ登录

只需一步,快速开始

展开

通知     

全站
9天前
查看: 11445|回复: 52
收起左侧

[练习题] ug练习,三维零件

[复制链接]
发表于 2010-5-15 17:41:56 | 显示全部楼层 |阅读模式 来自: 中国广东广州

马上注册,结识高手,享用更多资源,轻松玩转三维网社区。

您需要 登录 才可以下载或查看,没有帐号?注册

x
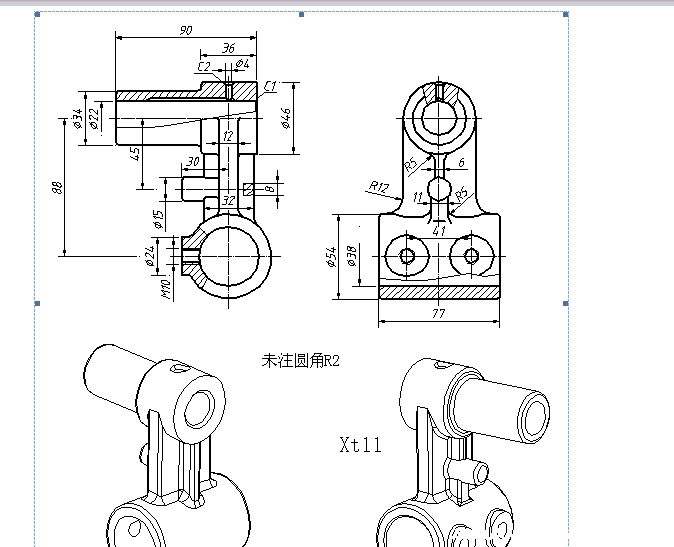
这是我今天的练习,做了快40分钟。。。。。很慢吧
. V+ X5 ~) V7 B; k6 h* R2 {, J 截图51.png
9 H+ [2 o% q) H  {9 D图纸在这,有兴趣的可以练习下,我也是个刚学ug的新手,我qq;527032472,新手们可以加我,大家讨论下
2 f' O: e7 H+ G5 y; W8 o! ]+ A 截图52.png 图纸
发表于 2010-5-15 19:13:53 | 显示全部楼层 来自: 中国浙江杭州
好玩,有意思,试试看我
发表于 2010-5-15 20:08:44 | 显示全部楼层 来自: 中国江苏徐州
这个零件适合新手练习。
 楼主| 发表于 2010-5-15 21:45:46 | 显示全部楼层 来自: 中国广东广州
是啊,新手练习
发表于 2010-5-16 09:15:38 | 显示全部楼层 来自: 中国山东青岛
我也是。。一起学习
 楼主| 发表于 2010-5-16 16:00:40 | 显示全部楼层 来自: 中国广东广州
我觉得要多练习才会提高
 楼主| 发表于 2010-5-16 20:57:17 | 显示全部楼层 来自: 中国广东广州
大家画了截图看看
发表于 2010-5-17 19:24:15 | 显示全部楼层 来自: 中国浙江嘉兴
good  good good good good
发表于 2010-5-19 07:34:24 | 显示全部楼层 来自: 中国山东日照
我也试试看
发表于 2010-5-19 20:41:51 | 显示全部楼层 来自: 中国广东深圳
呵呵 我拿破衣看下时间差多少
发表于 2010-5-22 11:56:01 | 显示全部楼层 来自: 中国安徽合肥
十分钟才搞定 未命名.jpg

评分

参与人数 1三维币 +2 收起 理由
beyond2009 + 2 参与练习

查看全部评分

发表于 2010-5-22 13:52:51 | 显示全部楼层 来自: 中国广西柳州
唵也来试试,多练一下有好处的.
发表于 2010-5-22 15:55:57 | 显示全部楼层 来自: 中国山东青岛
2010-5-22 15-54-00.jpg

评分

参与人数 1三维币 +2 收起 理由
beyond2009 + 2 参与练习

查看全部评分

发表于 2010-5-22 16:39:44 | 显示全部楼层 来自: 中国广东佛山
的确 适合新手
 楼主| 发表于 2010-5-23 18:50:29 | 显示全部楼层 来自: 中国广东广州
那位那么快啊。。。十几分
发表于 2010-5-23 18:53:58 | 显示全部楼层 来自: 中国山东泰安
下了来练习一下
发表于 2010-5-24 14:40:47 | 显示全部楼层 来自: 中国山东泰安
本帖最后由 weidajixie 于 2010-5-24 14:41 编辑 * {+ k% m& M2 V  ?0 M) K! y: b; M3 R
( y6 K. u! R7 C1 B) E' s0 ^
http://E:%5CDocumentshttp://E:%5CDocuments
XT11.gif
头像被屏蔽
发表于 2010-7-16 23:06:12 | 显示全部楼层 来自: 中国浙江金华
提示: 作者被禁止或删除 内容自动屏蔽
发表于 2010-7-18 14:13:53 | 显示全部楼层 来自: 中国重庆
en ~适合初学者,好东西
发表于 2010-7-18 15:55:00 | 显示全部楼层 来自: 中国江苏常州
10分钟之内搞定一切
发表于 2010-7-19 16:24:34 | 显示全部楼层 来自: 中国江苏常州
积极参与练习,没有楼上那么快啦,居然只要10分钟,要加强锻炼了~~
ug练习,三维零件.JPG
发表于 2010-7-20 12:15:40 | 显示全部楼层 来自: 中国浙江宁波
做好了,挺适合俺这种菜鸟的 就是背景什么的渲染不会 1# 范枫
发表于 2010-7-22 09:06:17 | 显示全部楼层 来自: 中国浙江温州
谢谢楼主,新手学习了。
发表于 2010-7-22 09:11:46 | 显示全部楼层 来自: 中国江苏常州
21# sduzxx 8 i8 q# P3 b% o/ {

* v- R8 ?: N* y; k* d( h
, |: p' x" ?2 d: h
2 l! f. d' I; \* |6 t5 b. C兄弟,咋用了我在一个论坛的头像啊
发表于 2010-7-22 20:31:48 | 显示全部楼层 来自: 中国山东青岛
挺简单嘛!刚学UG的时候经常练这些类似的!非常适合新手!
发表回复
您需要登录后才可以回帖 登录 | 注册

本版积分规则


Licensed Copyright © 2016-2020 http://www.3dportal.cn/ All Rights Reserved 京 ICP备13008828号

小黑屋|手机版|Archiver|三维网 ( 京ICP备2023026364号-1 )

快速回复 返回顶部 返回列表