QQ登录

只需一步,快速开始

登录 | 注册 | 找回密码

三维网

 找回密码
 注册

QQ登录

只需一步,快速开始

展开

通知     

查看: 1829|回复: 9
收起左侧

[求助] 双向液压泵

[复制链接]
发表于 2010-5-17 12:30:44 | 显示全部楼层 |阅读模式 来自: 中国浙江宁波

马上注册,结识高手,享用更多资源,轻松玩转三维网社区。

您需要 登录 才可以下载或查看,没有帐号?注册

x
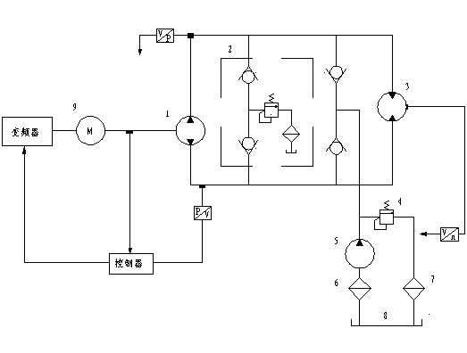
各位师傅,请问各位师傅,图示双向定量泵如何和油箱连接?) N+ d$ a- L2 i& O+ Q6 N
双向泵有几个孔?
11.JPG
 楼主| 发表于 2010-5-17 12:31:42 | 显示全部楼层 来自: 中国浙江宁波
这没有换向阀,如何实现双向?
 楼主| 发表于 2010-5-17 13:03:33 | 显示全部楼层 来自: 中国浙江宁波
哪位高手帮帮忙啊?
发表于 2010-5-17 13:23:09 | 显示全部楼层 来自: 中国辽宁本溪
通过改变泵斜盘摆角(-β←0→+β)来实现换向。) n% J/ n7 z% h0 ?! m: i6 z2 x  j
斜盘摆角的改变可以通过电控、手动、液动等方式来改变。
# Z) J1 Q3 b2 t7 {! Q6 y8 b/ x  s5是补油泵。主泵与油箱没有联系。

评分

参与人数 1三维币 +2 收起 理由
自流井 + 2 技术讨论

查看全部评分

发表于 2010-5-17 14:46:10 | 显示全部楼层 来自: 中国浙江杭州
这是个闭式系统,只要补油泵5供油就ok了
发表于 2010-5-17 18:19:52 | 显示全部楼层 来自: 中国内蒙古呼和浩特
4楼说的有问题吧,是定量泵,怎么有斜盘啊?
# e" O6 x4 b( j" m' Q/ F" y' z我觉的是改变电机的转向吧
发表于 2010-11-15 22:54:14 | 显示全部楼层 来自: 中国江苏南京
1是闭式泵,AB俩口接3马达AB俩口,当A口为高压是驱动3右转,此时B口进油(有能量消耗),5补油泵往B口补油。反之依然。5也是控制油,通往控制阀到变量缸俩端。泵的旋向不变,摇摆的方向改变。
发表于 2010-11-17 18:31:15 | 显示全部楼层 来自: 中国河南郑州
1泵会有一泄油管路接油箱。
发表于 2010-11-17 19:12:27 | 显示全部楼层 来自: 中国浙江宁波
这是一个闭式系统,通过改变电机的转向来实现马达的正反转,补油泵补充容积效率损失;
发表于 2010-11-17 21:12:33 | 显示全部楼层 来自: 中国辽宁沈阳
非常感谢啊!!!
发表回复
您需要登录后才可以回帖 登录 | 注册

本版积分规则


Licensed Copyright © 2016-2020 http://www.3dportal.cn/ All Rights Reserved 京 ICP备13008828号

小黑屋|手机版|Archiver|三维网 ( 京ICP备2023026364号-1 )

快速回复 返回顶部 返回列表