QQ登录

只需一步,快速开始

登录 | 注册 | 找回密码

三维网

 找回密码
 注册

QQ登录

只需一步,快速开始

展开

通知     

全站
9天前
查看: 2859|回复: 13
收起左侧

[求助] 这个图中所示的边要怎么画

[复制链接]
发表于 2010-5-18 10:00:53 | 显示全部楼层 |阅读模式 来自: 中国海南海口

马上注册,结识高手,享用更多资源,轻松玩转三维网社区。

您需要 登录 才可以下载或查看,没有帐号?注册

x
未命名.JPG
0 N& n& }2 y. Q" B7 O# [) A4 P( b0 ^
A
B
C
D
E
41
4
6
32
32

' n0 V9 q2 ]' q4 b: f% S( M7 {
) s+ K5 ]% \8 L: }6 G: ]4 f' Q0 @+ r% d4 h8 P5 Q& A4 D; u

  G: [6 \( M+ F' J' x4 E* ]2 F$ E! c! Y! Q
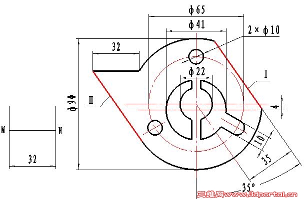
图中所示的E边要怎么画?
发表于 2010-5-18 14:19:54 | 显示全部楼层 来自: 中国河北唐山
在图中左边斜线上的任一点作水平线等于E,过E的右端点做斜线的水平线,相交于90圆周,过交点做水平线相交于左边的斜线,两交点距离即为E。
发表于 2010-5-18 15:33:57 | 显示全部楼层 来自: 中国安徽淮南
是不是两条红线是平行且相等的?
发表于 2010-5-19 07:59:28 | 显示全部楼层 来自: 中国河北唐山
哦,对不起,前面的回复有误,“在图中左边斜线上的任一点作水平线等于E,过E的右端点做斜线的水平线,相交于90圆周,过交点做水平线相交于左边的斜线,两交点距离即为E。”中,“过E的右端点做斜线的水平线”应为“过E的右端点做斜线的平行线”。
发表于 2010-6-3 09:19:59 | 显示全部楼层 来自: 中国山东济南
可以点取做直线,取点先找到E线左端点,再选取圆上的切点,点击左键。完成左侧斜线。
发表于 2010-6-12 11:42:17 | 显示全部楼层 来自: 中国浙江温州
先做好90的圆,再通过圆心做角度d的辅助线,将辅助线偏移35,然后平行该线做切线,再以切点做与中心线平行的直线相交于圆边即E线的端点,做一水平线于切线相交即可。
发表于 2010-6-12 20:12:18 | 显示全部楼层 来自: 中国江苏徐州
在圆心做一个斜线,再等距,很简单的。
头像被屏蔽
发表于 2010-6-14 22:55:32 | 显示全部楼层 来自: 中国陕西西安
提示: 作者被禁止或删除 内容自动屏蔽
发表于 2010-6-15 09:23:12 | 显示全部楼层 来自: 中国辽宁丹东
此图如果再没有其它条件——两红线平行——的前提下,左侧斜线是不确定的。因为,从任一条长度为E的水平线的左端点都可以作出外圆的切线。不知道理解得对不对啊,嘿嘿。
发表于 2010-6-23 13:36:54 | 显示全部楼层 来自: 中国湖北荆州
9# geshly 3 U  {# g8 H. T  a
下面有表格,E=32
发表于 2010-7-5 15:00:35 | 显示全部楼层 来自: 中国辽宁丹东
10# 王老大先生 & k5 b! P2 E1 H5 b( D- V! c
偶注意到这个数据了,问题是:两条红线平行吗?
发表于 2010-7-5 16:08:44 | 显示全部楼层 来自: 中国江苏泰州
学习了 时间长了才想出来
发表于 2010-7-18 10:50:46 | 显示全部楼层 来自: 中国山东青岛
什么也别说上图[img][/img]
发表于 2010-7-20 09:43:19 | 显示全部楼层 来自: 中国山西太原
图中的两边(Ⅰ和Ⅱ)如果平行,此图中边长E有唯一的画法。若二边不平行,则有无穷多种画法。权且按二边平行来画:' s8 ]$ w6 y3 ^# t2 Q
1  图中除E(32)和边Ⅱ外其余都可画出。1 ]" [1 w& E! O# J) _5 G( K9 u0 ]" J
2  画Ⅰ边的平行线并与φ90圆相切,得边Ⅱ。
* x# o" R+ e- p: y3  画一“H”形线,使两竖直边距离为32,画一水平公垂线,得交点M、N。
! R) s4 e3 P( M7 q% ]$ `4  移动“H”形线,同时使M点与Ⅰ边相交、N点与φ90圆相交,这样E边就画出来了。将多余的线删除即成。
图中边长的画法.jpg
发表回复
您需要登录后才可以回帖 登录 | 注册

本版积分规则


Licensed Copyright © 2016-2020 http://www.3dportal.cn/ All Rights Reserved 京 ICP备13008828号

小黑屋|手机版|Archiver|三维网 ( 京ICP备2023026364号-1 )

快速回复 返回顶部 返回列表