QQ登录

只需一步,快速开始

登录 | 注册 | 找回密码

三维网

 找回密码
 注册

QQ登录

只需一步,快速开始

展开

通知     

查看: 1859|回复: 4
收起左侧

[讨论结束] 一段PLC程序设计

 关闭 [复制链接]
发表于 2010-5-18 10:14:32 | 显示全部楼层 |阅读模式 来自: 中国陕西宝鸡

马上注册,结识高手,享用更多资源,轻松玩转三维网社区。

您需要 登录 才可以下载或查看,没有帐号?注册

x
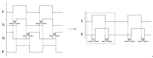
这是一段传感器输入信号的逻辑图。
( W8 ?2 f, K$ J" R2 D8 G其中X为传感器输入信号,T1、T2为延时继电器,B为转换后的信号。当X感应到有物体时,X有信号输入。2 w! t0 M$ Y+ p7 ]3 E1 H+ X
这里为什么要将X转换成B后,再应用在控制程序中呢?
001.JPG
发表于 2010-5-18 11:59:34 | 显示全部楼层 来自: 中国浙江绍兴
具体情况要具体分析,搞这么个图能说明啥呢,说不定人家嫌输入信号太过灵敏,故意让它反应慢些呢

评分

参与人数 1三维币 +2 收起 理由
pangpang + 2 讨论

查看全部评分

发表于 2010-5-18 21:59:20 | 显示全部楼层 来自: 中国河南洛阳
防止误动作,在T1内有效,T2内无效。

评分

参与人数 1三维币 +3 收起 理由
pangpang + 3 应助

查看全部评分

发表于 2010-5-20 16:45:53 | 显示全部楼层 来自: 中国上海
可以肯定是输入X存在干扰,这样加延时是为了屏蔽干扰,防止误动作,一般在对信号实时性要求不高的地方使用。

评分

参与人数 1三维币 +2 收起 理由
pangpang + 2 应助

查看全部评分

发表于 2010-5-20 17:08:02 | 显示全部楼层 来自: 中国广东广州
是为了防止误动作
$ H# s7 u$ x+ i  p6 u$ C& ^( j: _/ Z有些温度传感器、液位传感器等所带的触点 带有这样的功能,达到指定温度/液位 不马上动作,达到动作点温度/液位后并不马上动作,而是要在一段延时内都满足这个动作点才动作。

评分

参与人数 1三维币 +2 收起 理由
pangpang + 2 应助

查看全部评分

发表回复
您需要登录后才可以回帖 登录 | 注册

本版积分规则


Licensed Copyright © 2016-2020 http://www.3dportal.cn/ All Rights Reserved 京 ICP备13008828号

小黑屋|手机版|Archiver|三维网 ( 京ICP备2023026364号-1 )

快速回复 返回顶部 返回列表