QQ登录

只需一步,快速开始

登录 | 注册 | 找回密码

三维网

 找回密码
 注册

QQ登录

只需一步,快速开始

展开

通知     

查看: 4483|回复: 12
收起左侧

[求助] 请教泵轴受力分析

[复制链接]
发表于 2010-5-18 18:19:03 | 显示全部楼层 |阅读模式 来自: 中国浙江宁波
150三维币
本帖最后由 cnguzh 于 2010-5-21 17:10 编辑 7 G$ f$ j$ `; S) a$ p2 D% T  i# I0 r: v

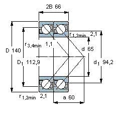
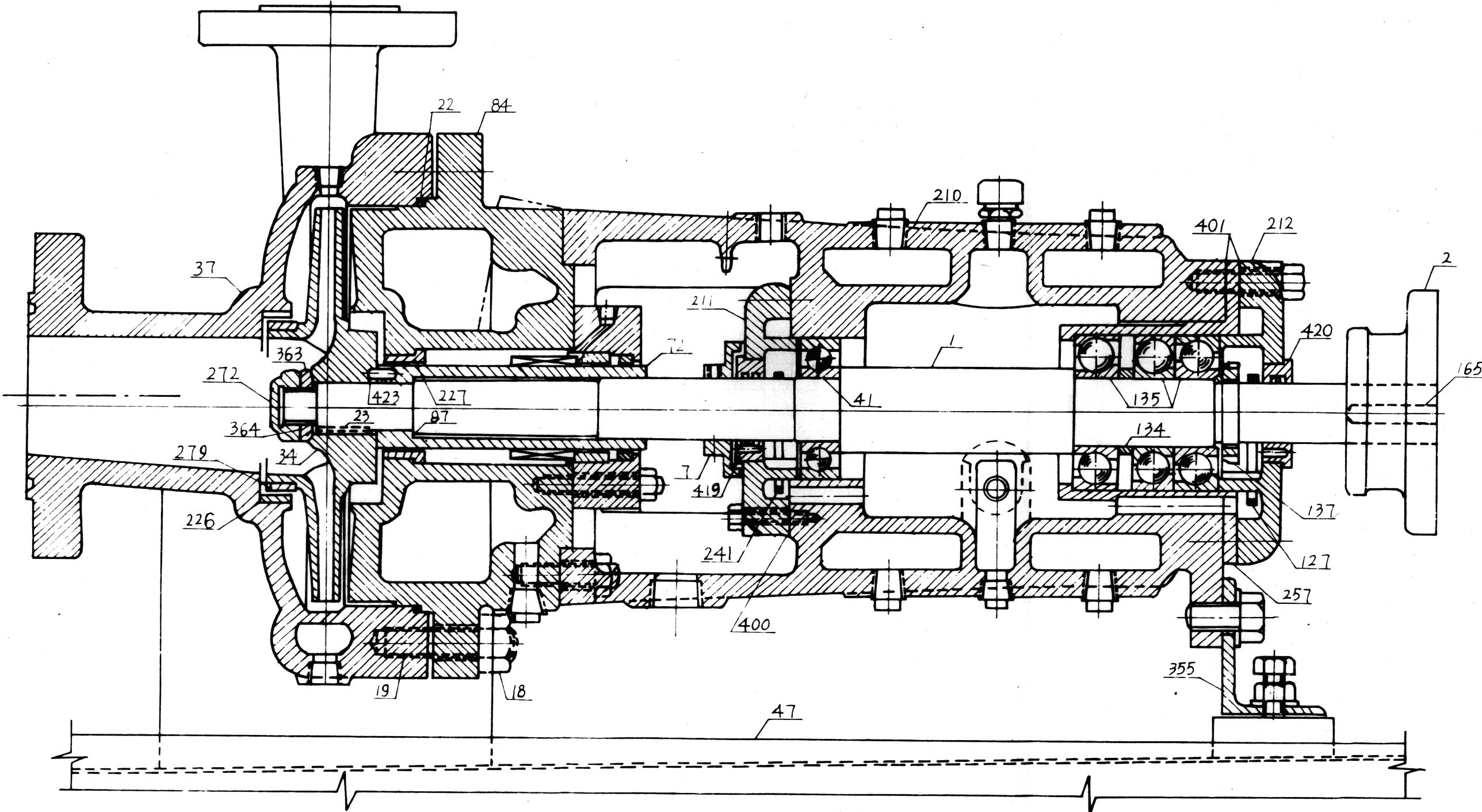
  J9 k0 H8 W& @$ h我单位一台单级离心泵,进口压力8.7MPa,出口9.25MPa,扬程126米,流量120m3/h,轴系如下图。左侧轴承配对如下:左边2只为7313B/DT角接触球轴承,串联,成对安装。第二、第三轴承间加一间隔快,第三轴承型号为7313B6312轴承起游动支撑作用,只受径向力。
. B- e1 ^& i; n; Y- }: N! t, P% I6 ?该泵有2种运行工况。1、正常工况时进口压力为8.7MPa2、异常工况时,该泵进口压力为0,小流量运行(25m3/h)。初步计算,得出了异常工况下轴向力、径向力大小及方向(详见8楼),请教各位该泵对轮端3个轴承如何进行受力分析?哪位朋友有类似的计算,麻烦不吝赐教,谢谢大家!

7313B轴承.JPG
泵轴受力情况.JPG
发表于 2010-5-19 08:19:31 | 显示全部楼层 来自: 中国辽宁大连
不好意思 有一点好奇 不知道对你解决这个问题有帮助没  竟然你们让轴承承受径向力  为什么要用40°接触角   为什么不选用15°接触角的 角接触球轴承   也就是7313C/DB
发表于 2010-5-19 13:38:31 | 显示全部楼层 来自: 中国上海
LZ你没有考虑轴向力是不行的,重新分析受力吧
 楼主| 发表于 2010-5-19 18:15:31 | 显示全部楼层 来自: 中国浙江宁波
轴承是原设计选用的,因为在小流量(25M3/h)时,进口压力为0,该泵轴向受力很大,很容易造成2#轴承烧损。参照《离心泵设计基础》,初步计算,在小流量、进口0压力的情况下该泵轴向力指向泵入口,约有3吨,有1只7313B轴承来承担,寿命很短。通过经验公式计算,能得出轴向力、径向力的变化。但该轴系的受力分析有点麻烦,查了机械设计等方面的资料,没看到有类似的计算,哪位朋友见到有类似的计算,麻烦说一下,不胜感激。我按3个支点来计算不知道是否合适?因为通过按我的想法算出来2#轴承居然不受径向力?
发表于 2010-5-20 17:21:52 | 显示全部楼层 来自: 中国上海
柱塞泵的资料有一点,离心泵还没有
发表于 2010-5-20 20:39:44 | 显示全部楼层 来自: 中国辽宁大连
楼主给的条件太诱人了,可惜咱手里没好的资料,不过咱正在请教专家,不知能否有答案,等待
发表于 2010-5-21 11:31:33 | 显示全部楼层 来自: 中国上海
请问LZ:力P按1计算是什么意思?P是指什么力?轴向力的位置及方向?离心力的大小方向位置?
 楼主| 发表于 2010-5-21 17:00:32 | 显示全部楼层 来自: 中国浙江宁波
上面的计算有问题,不能按三支撑计算,具体受力情况如下图,有个问题,希望高手指点一下:对轮侧三个轴承受力分配情况如何定?受力点如何确定?
泵图.JPG
轴系受力情况.jpg
发表于 2010-5-21 17:32:18 | 显示全部楼层 来自: 中国上海
7313B/DT按整体,7313B单独,受力点为作用线与轴心线交点
 楼主| 发表于 2010-5-21 20:05:23 | 显示全部楼层 来自: 中国浙江宁波
是指F1计算出来后再按“7313B/DT按整体,7313B单独,受力点为作用线与轴心线交点”计算不?
- M9 ~* E9 B: y, b% IF1的作用点不知如何确定,麻烦楼上的详细说一下
 楼主| 发表于 2010-5-25 18:23:25 | 显示全部楼层 来自: 中国浙江宁波
哪位高人指点一下啊
发表于 2010-5-26 10:21:25 | 显示全部楼层 来自: 中国湖北襄阳
三支撑点属静不定问题,具体计算方法可以参考 刘泽九  贺士荃著《滚动轴承的额定负荷与寿命》P207。
 楼主| 发表于 2010-5-29 15:26:48 | 显示全部楼层 来自: 中国浙江宁波
本帖最后由 cnguzh 于 2010-5-29 15:28 编辑 - c8 R3 [& S& l$ d. m6 B" {! `& E

5 y: x  V. s* |; P0 C% k+ E4 v5 t按三支撑计算其实是错误的,按2个支撑计算,我查了点资料,如下图。现在还有个问题,2个7313B/DT串联的轴承载荷作用点如何确定?轴承串联如下图,请教各位高手,最好能提供依据,谢谢!
未命名.JPG
7313B轴承.JPG
发表回复
您需要登录后才可以回帖 登录 | 注册

本版积分规则


Licensed Copyright © 2016-2020 http://www.3dportal.cn/ All Rights Reserved 京 ICP备13008828号

小黑屋|手机版|Archiver|三维网 ( 京ICP备2023026364号-1 )

快速回复 返回顶部 返回列表