QQ登录

只需一步,快速开始

登录 | 注册 | 找回密码

三维网

 找回密码
 注册

QQ登录

只需一步,快速开始

展开

通知     

查看: 2113|回复: 9
收起左侧

[已答复] 帮忙看看

[复制链接]
发表于 2010-5-18 19:46:55 | 显示全部楼层 |阅读模式 来自: 中国江苏南京

马上注册,结识高手,享用更多资源,轻松玩转三维网社区。

您需要 登录 才可以下载或查看,没有帐号?注册

x
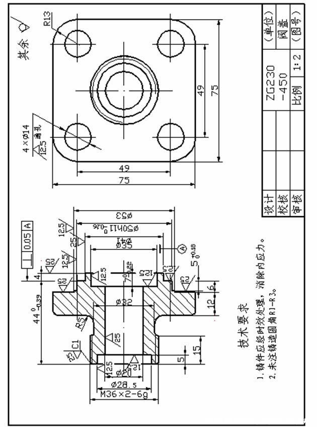
这个工艺如何安排,大家讨论讨论
1.jpg
发表于 2010-5-18 20:04:01 | 显示全部楼层 来自: 中国江苏南京
此零件主要由回转体组成,加工面都能在车床完成,最后用钻模在钻床4-φ14孔即可。如批量大可考虑分粗精车。
头像被屏蔽
发表于 2010-5-18 21:10:05 | 显示全部楼层 来自: 中国上海
提示: 作者被禁止或删除 内容自动屏蔽
发表于 2010-5-18 21:31:27 | 显示全部楼层 来自: 中国江苏常州
图纸有些问题,基准孔要求过低。可能标错。
发表于 2010-5-19 10:12:34 | 显示全部楼层 来自: 中国山西太原
图纸画的不规范,尺寸标注方向(帖图水平方向)反正都有,螺纹端与另一端标有公差的孔无同轴度要求,基准孔无公差要求。
* X% P1 _5 i' ?, v/ M; a  ]1  为了二端具有一定的同轴度,先车螺纹端,车成外圆、端面、内孔。' n5 ]) M3 ?; J! k0 g) L
2  用一圆钢配车M36×2螺纹孔作为工装。+ K+ I% x% Y9 ?' G, @# Y4 K
3  将车成的螺纹端拧入工装,车成另一端。
, P! x+ f3 S, V* y3 B4  划线、钻孔。

评分

参与人数 1三维币 +2 收起 理由
asdolmlm + 2 参与

查看全部评分

发表于 2010-5-19 13:28:45 | 显示全部楼层 来自: 中国江苏南京
一、粗车各内外园,留3mm余量
( U# G9 N. t, H5 h2 b二、打磨、补焊、时效、除应力等
, W1 c4 w& h; Y& g三、车准上端平面、内外园;反身,车准下端平面、内外园、螺纹0 @5 ?3 C- U9 ?  a( c/ G
四、钻床钻孔,批量大可用钻膜
: f0 ]; o7 E/ x, klobont 发表于 2010-5-18 21:10 http://www.3dportal.cn/discuz/images/common/back.gif
7 N9 F% y3 h! s* ~
首先,这是一铸件,何来焊接?应该是从模具设计开始。
发表于 2010-5-19 13:52:41 | 显示全部楼层 来自: 中国浙江杭州
先铸件成型,留余理3mm,再用3楼工艺流程即可.
发表于 2010-5-19 23:28:19 | 显示全部楼层 来自: 中国辽宁阜新
图纸零件为铸钢件,其制造工艺如下:# h) x" V: o6 \! N! @! d
1、铸造
" `0 a! f$ t1 V9 k7 w6 E, ~+ r' W- I2、抛丸9 x) A1 K% F! h
3、车(注意垂直度要求,端面与基准孔一次装卡加工;要考虑两端孔及外圆同轴度要求;表面粗糙度要求)
9 h5 P% l2 \/ h6 y- D! k4 ^$ H- K  Y4、钻(批量加工,考虑钻模钻孔;单件加工可划线钻孔)
% w2 W% f1 A: F2 [  j此零件为阀盖,按理说,应该有密封面,其表面粗糙度应达到Ra3.2~1.6。图纸标注有问题:长度尺寸标注不合要求,表面粗糙度也存在问题,基准尺寸标注存在问题。

评分

参与人数 1三维币 +2 收起 理由
asdolmlm + 2 鼓励参与

查看全部评分

发表于 2010-5-20 10:41:08 | 显示全部楼层 来自: 中国山西太原
没什么讨论的,车划钻
头像被屏蔽
发表于 2010-5-24 00:03:45 | 显示全部楼层 来自: 中国上海
提示: 作者被禁止或删除 内容自动屏蔽
发表回复
您需要登录后才可以回帖 登录 | 注册

本版积分规则


Licensed Copyright © 2016-2020 http://www.3dportal.cn/ All Rights Reserved 京 ICP备13008828号

小黑屋|手机版|Archiver|三维网 ( 京ICP备2023026364号-1 )

快速回复 返回顶部 返回列表