QQ登录

只需一步,快速开始

登录 | 注册 | 找回密码

三维网

 找回密码
 注册

QQ登录

只需一步,快速开始

展开

通知     

goto3d 说: 在线网校重磅上线MC2022&Inventor2022全新课程,虞为民老师、大表哥同事精彩讲解,快去围观!
2021-06-25
查看: 2840|回复: 14
收起左侧

[求助] proe5.0 工程图标注问题

[复制链接]
发表于 2010-5-19 01:35:50 | 显示全部楼层 |阅读模式 来自: 中国广东深圳

马上注册,结识高手,享用更多资源,轻松玩转三维网社区。

您需要 登录 才可以下载或查看,没有帐号?注册

x
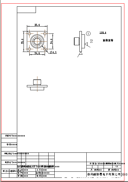
各位前辈请帮下忙,请看附件,我把DXF文档导入proe工程图里面,可是标注都变了(见图1),我想要里面的标注变附件里面的一样,要怎么设置呢?
图1.JPG

ENGINEER - DRW0001.pdf

69.27 KB, 下载次数: 19

发表于 2010-5-19 11:05:12 | 显示全部楼层 来自: 中国广东东莞
明明不是一样的东西 怎么能做到一样呢
& y/ D6 ^2 ^8 }* Z& a8 n: s
: z, B9 R. |6 U2 V5 _0 \% R/ {7 K, B/ m
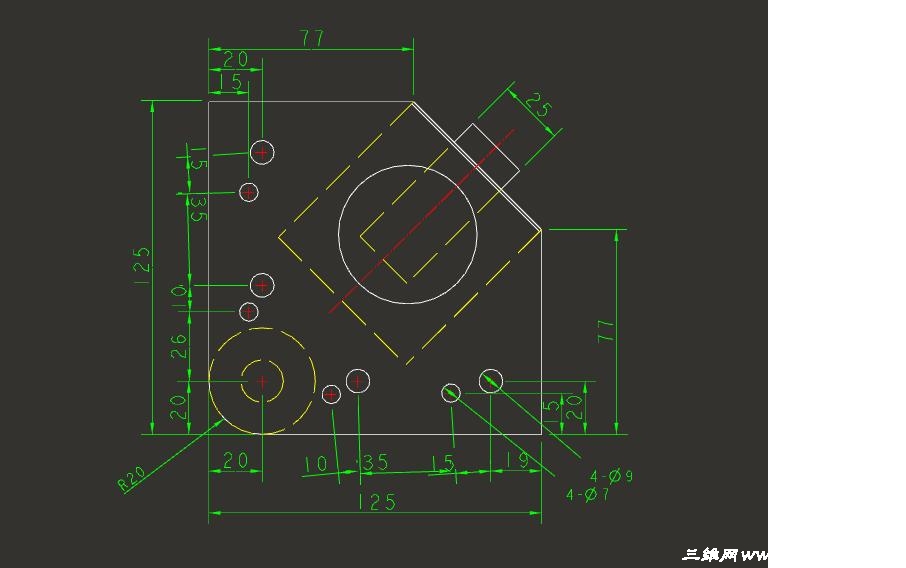
你附件是如下
01.PNG
 楼主| 发表于 2010-5-19 11:50:26 | 显示全部楼层 来自: 中国广东深圳
我的意思是说,我画的那图,转成工程图后,标注的形式要跟上面这个一样..
 楼主| 发表于 2010-5-19 11:51:26 | 显示全部楼层 来自: 中国广东深圳
还有.我上面的那图,有几个地方的标注都是斜的,就最下面那10的标注,是歪的,这个要怎么搞啊..
发表于 2010-5-19 12:26:28 | 显示全部楼层 来自: 中国香港
重画一个,又不是复杂的东西。
 楼主| 发表于 2010-5-19 12:54:16 | 显示全部楼层 来自: 中国广东深圳
不是重画的问题,我的工程图是用DXF格式导入的,导入后的标注都跟我原来CAD上的标注不一样,我想尽可能地做得跟CAD的标注一样,这个要怎么做??
发表于 2010-5-19 12:56:53 | 显示全部楼层 来自: 中国浙江宁波
如果,你CAD图画的是1:1正确的,那么转进来以后就不用管尺寸了,所有的尺寸都把他固定,就可以了.! K7 X) {7 X/ k: ?5 L- {6 Z
或者你要修改,就再标一次啊.
 楼主| 发表于 2010-5-19 14:28:29 | 显示全部楼层 来自: 中国广东深圳
可是你们看最下面那两个孔的标注,长度10的标注,很明显是歪了,我删了重新标注也是歪的,这个要怎么解决呢?
发表于 2010-5-22 08:50:34 | 显示全部楼层 来自: 中国上海
为什么要这么转来转去的,要么用破衣画,要么用CAD做,不要把问题复杂化
发表于 2010-5-30 21:46:41 | 显示全部楼层 来自: 中国浙江
呵,确实有弯的,不仔细看还不知道。
9 i! q% Z* w  D6 e1 w) i2 K我也经常性的要转,特别是公司LOGO,不过还从来没有发生过你这样的事情,哦,我发誓~~~~~
- c# H- p) g/ K# c4 ]/ t  A我用的是AUTOCAD 2004      PRO/E4.0 F000
 楼主| 发表于 2010-6-2 21:04:09 | 显示全部楼层 来自: 中国广东深圳
唉,可是我的那个怎么会这样的呢.转了之后怎么会是弯的呢...
发表于 2010-6-3 07:40:22 | 显示全部楼层 来自: 中国北京
“我上面的那图,有几个地方的标注都是斜的,就最下面那10的标注,是歪的,”
- B% j5 n- }0 K3 `可能是你在尺寸标注时,捕捉点选的有问题,两条捕捉线出现微小角度时,会出现这种问题。我以前也遇到过。
发表于 2010-7-8 09:18:52 | 显示全部楼层 来自: 中国湖南株洲
dingqi ///////////////
发表于 2010-7-9 15:54:14 | 显示全部楼层 来自: 中国江苏南京
为什么不直接在Proe里面直接出图呢,不就没有那些麻烦了?
发表于 2010-7-9 16:22:31 | 显示全部楼层 来自: 中国四川甘孜藏族自治州
其实用PROE直接标准是相当方面的!不用转来转去的,当然的看你三维标准熟悉不哈哈
发表回复
您需要登录后才可以回帖 登录 | 注册

本版积分规则


Licensed Copyright © 2016-2020 http://www.3dportal.cn/ All Rights Reserved 京 ICP备13008828号

小黑屋|手机版|Archiver|三维网 ( 京ICP备2023026364号-1 )

快速回复 返回顶部 返回列表