QQ登录

只需一步,快速开始

登录 | 注册 | 找回密码

三维网

 找回密码
 注册

QQ登录

只需一步,快速开始

展开

通知     

查看: 12635|回复: 8
收起左侧

[已解决] 最大实体M,0.14后有一个,A基准没有C基准有.有什么特别的含义吗

[复制链接]
发表于 2010-5-22 16:18:48 | 显示全部楼层 |阅读模式 来自: 中国江苏苏州

马上注册,结识高手,享用更多资源,轻松玩转三维网社区。

您需要 登录 才可以下载或查看,没有帐号?注册

x
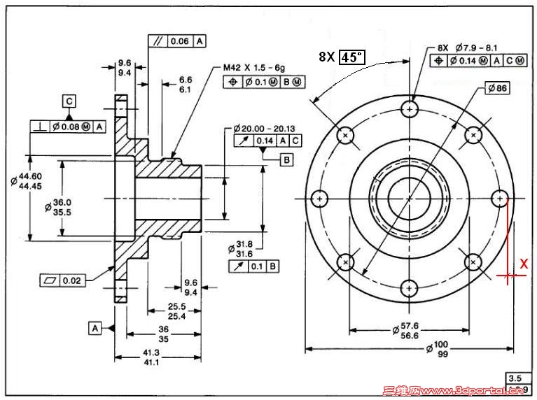
最大实体M在位置度标注里,0.14后面有一个,A基准后面没有,而C基准后面有,有什么特别的含义吗
未命名.JPG
发表于 2010-5-22 21:42:08 | 显示全部楼层 来自: 中国安徽淮南
本帖最后由 cloudpeng 于 2010-5-22 21:43 编辑
2 b& U4 @6 \4 D1 J! e# U5 g6 E
% t( Z9 f5 x& t: R# q最大实体,通俗的来说,是孔到了最小的情况;从装配的角度考虑,一个30的孔,由于圆柱度的影响,内部有突起,实际上却达不到30的尺寸,而配合的轴,若是30的话,就装不上,不管此孔在其它的位置孔径有多大,实际起作用的也只是最小的部位。而这最小处的孔径,做为理想计算值(相当于圆柱度为零的孔),就是它的最大实体状态,它等同与该尺寸的理想孔。5 j2 K) L( y) x2 |1 U; V
从图上看,有最大实体要求的两个地方均是孔,而没有要求的地方是个平面,说明此位设计师,对装配和最大实体状态的理解非常清晰。

评分

参与人数 1三维币 +3 收起 理由
★新手★ + 3 技术讨论

查看全部评分

 楼主| 发表于 2010-5-23 14:36:49 | 显示全部楼层 来自: 中国江苏苏州
wo我知道你的意思,可是对于检验部分来说,测量位置度的时候,将零件靠在A基准,那么C基准需要最大实体要求,怎么测量,是不是只要C基准满足最大实体的要求,就已实际加工出来的C做基准就可以了饿。
发表于 2010-6-28 16:51:12 | 显示全部楼层 来自: 中国安徽芜湖
本帖最后由 uidd2246 于 2010-6-28 16:57 编辑 ; B* d% N/ f& F/ W: Q

9 I+ _/ U3 I4 I; E. {$ L基准C允许偏移,意思说,
0 m+ a  b, K4 g/ y% X% c9 |1 k当基准C孔做到最小时,垂直度为0.08,! ]# X5 F2 y" g6 q" J# @: ~( B1 A* U
当基准C做到最大时,垂直度可为0.08+(44.6-44.45)=0.23
/ w4 x, Z- ^9 {7 }$ G如果基准C孔做大了,8个小孔可以额外得到0.15的位置度( Datum Shift ,即基准偏移)' v% g8 g$ f" r+ e/ `0 J

, Z8 V. G0 _9 T( h8个小孔如果做到最大,也可以额外得到8.1-7.9=0.2的位置度(Bonus Tolerances,即奖金公差)# p4 O/ I, k) ]: Z1 m" p0 E/ d

3 c' B, h0 }& R0 v! i% {* C基准A为平面,没有最大实体* n5 G" L. N9 @
3 q$ r$ i6 d) J( I
检测时,可以用检具,检具设计成一个平板,上面长中间一个大柱,四周8个小柱,要将该零件能放到检具中就是合格
# ?; T, N( c0 e& t或用三座标测量仪,可以勾选CM圈

评分

参与人数 1三维币 +5 收起 理由
★新手★ + 5 应助

查看全部评分

头像被屏蔽
发表于 2010-7-1 01:15:23 | 显示全部楼层 来自: 中国北京
提示: 作者被禁止或删除 内容自动屏蔽
发表于 2010-7-1 11:56:45 | 显示全部楼层 来自: 中国浙江金华
1.图中表示最大实体要求应用于8-φ7.9-8.1的轴线基准A和基准C的位置度公差,同时应用于基准要素C。/ c1 d& a7 o( k( @8 b
当被测孔均处于最大实体状态时,基准轴线对基准A和基准C的位置度公差为φ0.14。+ p5 s2 v9 b  X, E9 C& u& R9 `1 Z3 f
2.被测孔应满足下列要求+ u+ @; f. |* O" ^+ f1 @
a:实际尺寸:8-φ7.9-8.1& Y1 f6 ~4 S6 l9 D- X
b:实际轮廓≥φ7.76" G" `' a( _5 E/ s
c:当孔处于最小实体状态,其轴线位置度公差允许达到φ0.24+ V" j. g) e; s* i$ w6 D3 e8 A
d:当基准要素C达到最大实体状态φ44.45,该基准轴线C不能浮动,反之则可获得最大浮动φ0.158 ^) Z% N. |% K" y8 J9 L% ~" d' T
e:对于基准要素A没有要求非最大实体状态而获得浮动范围0-0.2。

评分

参与人数 1三维币 +5 收起 理由
★新手★ + 5 应助

查看全部评分

发表于 2010-7-1 14:08:07 | 显示全部楼层 来自: 中国安徽芜湖
抛砖引玉
9 M9 y; M1 |' J: v2 z1 o$ K- V9 t$ P9 z! i7 ~! X( V" J
哪位会就算壁厚X的最大最小?
9 W( W% I, a. V4 \3 \
1 w! B* e7 F, n/ H4 @1 m( ~/ ~我的结果为最小2.105,最大2.7955 G' ]$ ]9 Y  R! e3 C, r. }) i. I

8 |# W+ f( m" ]- H1 @) G不知道是否正确
2 I; `* q0 t0 j! A  N
# a5 f: X5 b1 ^( m欢迎讨论
求X最大最小.JPG

评分

参与人数 1三维币 +5 收起 理由
wang2003 + 5 应助

查看全部评分

发表于 2017-12-18 09:59:21 | 显示全部楼层 来自: 中国湖北十堰
还是没搞懂CM对∮7.9-8.1孔的有什么影响,去掉M只保留C有什么区别?
发表于 2018-1-14 11:08:29 来自手机 | 显示全部楼层 来自: 中国江西
支持一下,楼主加油!
发表回复
您需要登录后才可以回帖 登录 | 注册

本版积分规则


Licensed Copyright © 2016-2020 http://www.3dportal.cn/ All Rights Reserved 京 ICP备13008828号

小黑屋|手机版|Archiver|三维网 ( 京ICP备2023026364号-1 )

快速回复 返回顶部 返回列表