QQ登录

只需一步,快速开始

登录 | 注册 | 找回密码

三维网

 找回密码
 注册

QQ登录

只需一步,快速开始

展开

通知     

全站
9天前
查看: 2173|回复: 2
收起左侧

[讨论] s7300与变频器440连接方式有几种?通过uss协议怎么连接?

[复制链接]
发表于 2010-5-23 09:31:25 | 显示全部楼层 |阅读模式 来自: 中国河北秦皇岛

马上注册,结识高手,享用更多资源,轻松玩转三维网社区。

您需要 登录 才可以下载或查看,没有帐号?注册

x
s7300与变频器440连接方式有几种?通过uss协议怎么连接?
发表于 2010-5-25 17:34:36 | 显示全部楼层 来自: 中国河北秦皇岛
本帖最后由 peterfeng791216 于 2010-5-25 17:49 编辑
0 _/ F* H, P* C9 ?! y( ^$ j: o' ~, O4 h# J- L$ b: T: W
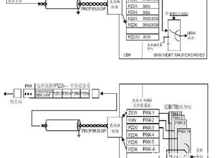
看看附件吧应该对你有帮助
3 j9 i! k1 K) g  z" g 未命名.JPG
发表于 2010-5-25 17:38:40 | 显示全部楼层 来自: 中国河北秦皇岛
本帖最后由 peterfeng791216 于 2010-5-25 17:41 编辑
3 B$ g% ^, l* h) x# e  Q: ^
$ X: I( [8 s7 E8 g7 n) L刚才没有传上去附件,估计又得被扣分了。

变频器Profibus控制.rar

1.46 MB, 下载次数: 7

发表回复
您需要登录后才可以回帖 登录 | 注册

本版积分规则


Licensed Copyright © 2016-2020 http://www.3dportal.cn/ All Rights Reserved 京 ICP备13008828号

小黑屋|手机版|Archiver|三维网 ( 京ICP备2023026364号-1 )

快速回复 返回顶部 返回列表