QQ登录

只需一步,快速开始

登录 | 注册 | 找回密码

三维网

 找回密码
 注册

QQ登录

只需一步,快速开始

展开

通知     

全站
5天前
查看: 2963|回复: 18
收起左侧

[已答复] 箱体同轴度检测

[复制链接]
发表于 2010-5-24 10:26:16 | 显示全部楼层 |阅读模式 来自: 中国广东深圳

马上注册,结识高手,享用更多资源,轻松玩转三维网社区。

您需要 登录 才可以下载或查看,没有帐号?注册

x
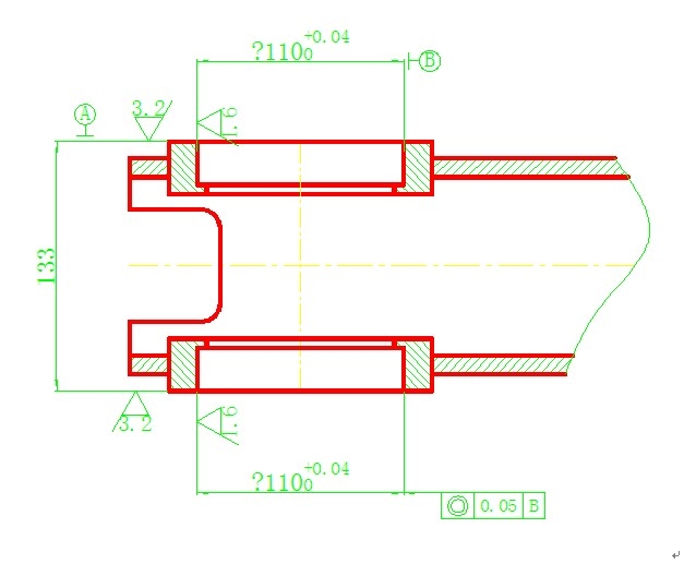
1.jpg 各位大师,如图所示,箱体上两轴承孔的同轴度怎么检测,用哪种方法最简单。
头像被屏蔽
发表于 2010-5-26 10:26:41 | 显示全部楼层 来自: 中国广东深圳
提示: 作者被禁止或删除 内容自动屏蔽
发表于 2010-5-26 10:30:03 | 显示全部楼层 来自: 中国江苏南京
加工上保证同一道工序就可以满足图纸要求,测量的话可以做一个工装。
发表于 2010-5-26 17:29:15 | 显示全部楼层 来自: 中国湖北武汉
有专用的同轴度检测仪
发表于 2010-5-26 17:44:56 | 显示全部楼层 来自: 中国山东临沂
如果批量比较大,可以做一套专用测量器具。
发表于 2010-5-26 21:03:55 | 显示全部楼层 来自: 中国湖南岳阳
有这样同轴度要求的箱体非常多,当批量比较多或需要经常生产或非常重要且必须检查时,通常做两个比较精密的定位套(如外径JS5与110孔过渡配合,内孔如选50H5并严格控制与外径的同轴度,为保证耐用,最好淬火),用一根50h5的芯轴试着同时穿过两个定位套,如果能顺利通过,即可以保证装配要求,如果通不过,说明同轴度误差比较大。当然,这种测量没有具体的不同轴度数据,但用来判断是箱体否可用还是很实用的。

评分

参与人数 1三维币 +2 收起 理由
asdolmlm + 2 技术讨论

查看全部评分

发表于 2010-5-27 00:01:46 | 显示全部楼层 来自: 中国山东日照
如果大批量检验建议楼主做一个标准轴,标准轴的一端尺寸与上沉孔想同,长度是133,下端尺寸任意,只需测量下端轴与下沉孔的间隙即可。
发表于 2010-5-27 06:55:27 | 显示全部楼层 来自: 中国江苏徐州
如零件为单件生产,可用百分表或千分表量,如批量生产,就要做量具。
发表于 2010-5-27 06:59:10 | 显示全部楼层 来自: 中国湖南长沙
上三坐标检测哦
发表于 2010-5-27 08:31:26 | 显示全部楼层 来自: 中国浙江杭州
在机器上选择一个基准面用千分表就可以打了+ A6 D/ P. m* |, c/ U# X9 q
如果工件做好拆下的话也可以打,原理一样用三坐标准点
发表于 2010-5-27 11:10:28 | 显示全部楼层 来自: 中国江苏南京
在三坐标上测量的话,建议用公共轴线法,两圆柱相距较远,且轴线都比较短,所以需保证基准B测量效果!
发表于 2010-5-27 11:23:59 | 显示全部楼层 来自: 中国浙江宁波
简单的直接做根量棒检验即可呀。
发表于 2010-6-19 15:50:42 | 显示全部楼层 来自: 中国江苏无锡
用同轴度量棒。
发表于 2010-6-21 09:05:54 | 显示全部楼层 来自: 中国河北石家庄
用量棒,经济适用
发表于 2010-6-21 19:53:11 | 显示全部楼层 来自: 中国福建福州
可以直接做单头量规,另外一头加套,套可以放下去为合格,尺寸根据最小实体原则来计算。
发表于 2010-6-22 17:32:42 | 显示全部楼层 来自: 中国山东济南
同轴度真的没有实际量过,就当学习了,嘿嘿。我感觉应该有专用的同轴度测量器具。
发表于 2010-6-23 08:27:16 | 显示全部楼层 来自: 中国重庆
学习测量技术,留个脚板
发表于 2010-6-23 08:38:36 | 显示全部楼层 来自: 中国广西桂林
要是单件生产的话,工件允许的情况下在左侧飞出一个基准面,利用千分尺就可以测量
发表于 2010-6-24 19:41:23 | 显示全部楼层 来自: 中国湖北襄阳
同轴度的检测可以用芯棒穿插的办法,当然芯棒必须经过研磨加工到很高的精度;
+ Z: |& e8 \( e+ ?+ V第二种方法就是用三坐标测量仪来计量;第三种方法就是在实际加工的过程中在卧式四轴加工中心上测量。
发表回复
您需要登录后才可以回帖 登录 | 注册

本版积分规则

Licensed Copyright © 2016-2020 http://www.3dportal.cn/ All Rights Reserved 京 ICP备13008828号

小黑屋|手机版|Archiver|三维网 ( 京ICP备2023026364号-1 )

快速回复 返回顶部 返回列表