QQ登录

只需一步,快速开始

登录 | 注册 | 找回密码

三维网

 找回密码
 注册

QQ登录

只需一步,快速开始

展开

通知     

查看: 3740|回复: 11
收起左侧

[讨论] 板式行星架的加工方法。

[复制链接]
发表于 2010-5-29 14:00:26 | 显示全部楼层 |阅读模式 来自: 中国江西宜春

马上注册,结识高手,享用更多资源,轻松玩转三维网社区。

您需要 登录 才可以下载或查看,没有帐号?注册

x
本帖最后由 罗文 于 2010-5-29 14:11 编辑 ! i4 p4 a+ u/ d4 u9 m
+ X0 F' ~. E4 v$ ~" b
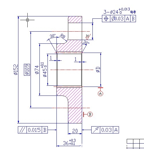
最近做了个减速机,涉及到了板式行星架,我现在的方法是采用三根行星销与行星架焊接处理:因为考虑到加工简便如图, 6.jpg ! A2 R+ j  m. U
如果我整个全部锻件(连三行星销与架一块锻出) 0.jpg 01.jpg 02.jpg 而不采用数控铣加工,只用辅具在普通机床上加工(关键在于分度 )。大家认为行得通吗,欢迎不吝赐教
发表于 2010-5-29 14:10:24 | 显示全部楼层 来自: 中国湖北十堰
为什么不做成分体的呢?好加工,又好安装维修。精度又容易保证。
 楼主| 发表于 2010-5-29 14:16:29 | 显示全部楼层 来自: 中国江西宜春
2# HMCAD602 呵呵,我现在做的是分体的,可老大一时心血来潮想做一体的,没有数控铣,我的辅具不好做,没有工艺定位的(三等份要求均),以前做了个简易的辅具 7.jpg 在车床上直接加工行星架了3个孔。销轴另外做。
发表于 2010-5-29 14:47:26 | 显示全部楼层 来自: 中国广东广州
这是电动车上用的吗?
 楼主| 发表于 2010-5-29 14:49:08 | 显示全部楼层 来自: 中国江西宜春
行星齿轮减速机上用的,三级传动的第二级的行星架。
发表于 2010-5-29 17:24:01 | 显示全部楼层 来自: 中国安徽淮南
有什么不可以?
% w* D& ^( h+ K7 r, x: _% j分度,转化过来,也就是行星齿轮销轴的位置度,对行星传动的影响很大么?' n- l! G# j4 t6 E8 D2 {$ ?
你的高速端的转速能达到多少(对受力均匀和振动的影响)?行星齿与销轴的间隙有多大(补偿位置偏差)?确定了位置度,再转化成你的分度。2 ]0 X/ u4 Q# q3 f7 f& @
行星架的定位端面,和三个销孔,最好一次加工出来。
 楼主| 发表于 2010-5-29 17:34:14 | 显示全部楼层 来自: 中国江西宜春
本帖最后由 罗文 于 2010-5-29 17:36 编辑
" m8 ?/ G. x/ h2 [6 {3 k/ B& A
: ^: l" V4 D3 Y- r# r6# cloudpeng 我现在的行星架是这样的, 0.jpg
6 b' l' s! W+ x% R3 b普通加工没有问题。如果改成一体的(如1楼的图),普通加工我就会有问题了,首先是个分度的问题,3销要车出就会有分布不均的问题,这对于行星齿轮减速机会是个致命的缺陷。
发表于 2010-5-31 08:29:13 | 显示全部楼层 来自: 中国山东烟台
分体加工也是个分度的问题,既然分体能解决了,为什么一体就解决不了了,不理解
发表于 2010-5-31 08:30:37 | 显示全部楼层 来自: 中国山东烟台
分度定位方式应该是一样的,无非就是第一个轴加工时,对中的问题,应该没什么呀
 楼主| 发表于 2010-5-31 22:25:01 | 显示全部楼层 来自: 中国江西南昌
9# mengfansheng 对于板式行星架(有3孔均布的)加工3孔的问题,不是什么问题。一般以花键定心在数显或坐标镗上搪没有问题。就是在车床上(钻,铰)加工3个孔均布也没有问题,可以先加工一孔(只要工装分度准确)以菱形销定位再加工余下的两孔。当变成了一楼的方式,普通直接加工3个销的话,分度的基准是个问题。
发表于 2010-8-10 16:44:08 | 显示全部楼层 来自: 中国山东青岛
建议还是采用整体式的,使用加工中心1 a1 W$ V# D, K" p
千万不要使用车床加工,很难加工,我们使用加工中心加工的,精度非常好
发表于 2010-12-11 11:07:45 | 显示全部楼层 来自: 中国山东泰安
11# pdwabc801225
' \4 d' m' Q7 e* ~5 S" b; [您好,请联系279446182QQ,非常感谢
发表回复
您需要登录后才可以回帖 登录 | 注册

本版积分规则


Licensed Copyright © 2016-2020 http://www.3dportal.cn/ All Rights Reserved 京 ICP备13008828号

小黑屋|手机版|Archiver|三维网 ( 京ICP备2023026364号-1 )

快速回复 返回顶部 返回列表