QQ登录

只需一步,快速开始

登录 | 注册 | 找回密码

三维网

 找回密码
 注册

QQ登录

只需一步,快速开始

展开

通知     

查看: 2387|回复: 18
收起左侧

[已答复] 钩形键的装配问题

[复制链接]
发表于 2010-5-29 15:42:06 | 显示全部楼层 |阅读模式 来自: 中国江苏无锡

马上注册,结识高手,享用更多资源,轻松玩转三维网社区。

您需要 登录 才可以下载或查看,没有帐号?注册

x
设计时碰到钩形键,钩形键带有1:100的斜度,轮毂的键槽也1:100的斜度,发现如果两个斜度顺着的话似乎敲不紧,另外,我看了一张图纸,似乎是两个斜度方向相反,这样的话我认为可以实现,请教有经验的朋友,实际究竟是怎样,谢谢。
发表于 2010-5-29 17:01:03 | 显示全部楼层 来自: 中国安徽淮南
上个图吧,楼主,不太明白你的顺与不顺。
发表于 2010-5-29 17:24:05 | 显示全部楼层 来自: 中国辽宁沈阳
一般轮或者轴一面使用有斜度的槽,另一面使用平槽。由于属于一般连接松动机率较多,不建议使用。
发表于 2010-5-29 19:07:02 | 显示全部楼层 来自: 中国北京
应该是顺着的。不紧可能是公差控制问题
发表于 2010-5-30 00:20:54 | 显示全部楼层 来自: 中国台湾
有沒東西可看 ,說這樣要節打有點難耶,能詳細一點嗎
 楼主| 发表于 2010-6-1 11:56:59 | 显示全部楼层 来自: 中国江苏无锡
本帖最后由 langhuan05 于 2010-6-1 15:49 编辑
, t  @, _4 a9 ^# v. r  h7 p8 h% N; I: H
我来详细解释一下吧
/ \$ r1 p6 ~) S首先,看一下机械设计手册上的介绍如图
# l$ i, \5 L( j! J, I  ]: X0 M image002.jpg 2 l, K9 Y# h) g$ M$ D3 W7 i# v
! |$ ~# r) q& Y0 `) l; g1 P
image002.gif
2 y; }# K( s3 u; b+ G  w image004.gif ! y: j- o* I0 p6 J$ r
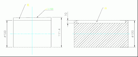
以轴径100为例
# `2 n0 Q  B2 V由下图可知,孔毂的键槽应该是带1:100斜度的
: n9 A% g4 {+ v8 X6 p( B image002.gif . y8 @/ ]8 x' a3 z3 x
2 Z+ @0 Z6 a( [5 g! D* A! I
现在CAD里将轮毂和钩形键分别作出来,以轴径100为例
0 G3 c6 t1 [- h: ~: w image002.gif
) u0 s- F) @+ p2 X! Q image002.gif 6 Z# v/ ]# g; X( L- m5 Z. V- i
8 Z2 ]- w/ n* p# {% t+ |
有兴趣的可以试试两种装配
2 `* }% O9 d$ \* g3 Q1 d2 C1)钩形键和轮毂键的斜度一致,也就是顺着装3 I$ D  C8 ]0 V7 f; A
2)钩形键和轮毂键的斜度相反,也就是逆着装- L1 ^3 I8 a# }5 L9 K
会有什么结果呢?请比较下面两张图
% Y1 `1 O, `+ H' ` 逆.pdf (20.46 KB, 下载次数: 6)
 楼主| 发表于 2010-6-5 10:54:54 | 显示全部楼层 来自: 中国江苏无锡
自顶一下,希望关注
发表于 2010-6-7 13:36:50 | 显示全部楼层 来自: 中国黑龙江佳木斯
怎么装进去的呢?搞不清楚。
1.jpg
 楼主| 发表于 2010-6-7 16:39:22 | 显示全部楼层 来自: 中国江苏无锡
怎么装进去的呢?搞不清楚。, A/ A# {. `7 X( K+ s8 \
shifeng18 发表于 2010-6-7 13:36 http://www.3dportal.cn/discuz/images/common/back.gif

1 n  B7 v$ H2 ~$ W2 n! b& L对不起有一个错误,钩形键的长度160太长了,已经改短了,但不影响图反映的意思
发表于 2010-6-8 02:55:36 | 显示全部楼层 来自: 中国四川德阳
本帖最后由 fxl690209 于 2010-6-8 02:57 编辑 / P' u% ^4 f: n9 ]/ l* ~

3 z- v" u5 L0 L8# shifeng18
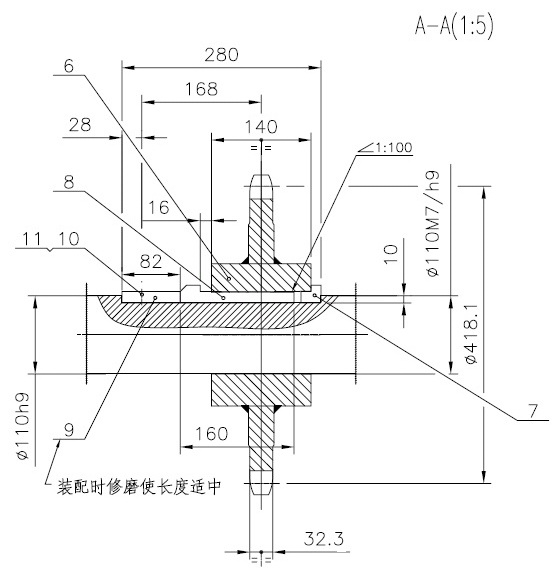
1 i0 @& _. \: Z2 t从图中看,件7和件8是两个零件,这就好理解了,先将件7装在轴上后装件6,装件8到位后装件9.
发表于 2010-6-8 06:13:18 | 显示全部楼层 来自: 中国辽宁沈阳
楼主6#图示的钩形键图,为标准装配(顺)方式。若感觉不够紧,多为配合尺寸不合适,可作修正。
, F3 @# `6 Y+ S( ^  L若按楼主所叙,所谓的“逆着”装是不合适的。刚装上后,手感可能没问题。但连续使用后,很容易锁不住。
 楼主| 发表于 2010-6-8 12:33:59 | 显示全部楼层 来自: 中国江苏无锡
本帖最后由 langhuan05 于 2010-6-8 12:43 编辑
. g4 d9 w$ q, A1 f
楼主6#图示的钩形键图,为标准装配(顺)方式。若感觉不够紧,多为配合尺寸不合适,可作修正。7 n* ^2 M% `( h5 w/ i0 H
若按楼主所叙,所谓的“逆着”装是不合适的。刚装上后,手感可能没问题。但连续使用后,很容易锁不住。
5 v& I, R% {1 c' }3 m+ |点识 发表于 2010-6-8 06:13 http://www.3dportal.cn/discuz/images/common/back.gif

7 q( H! S* u& b# p9 y. ?8 [% R有道理,如果顺装是正确的话,感觉这个标准是有问题了?# h) S4 z% E. v$ D9 j
我认为逆装可行也是基于这个标准给出的数值矛盾了,后来考虑,也许钩形键和轮毂键槽配合,通过外力可以产生一些塑性变形,毕竟1:100的斜度是很小的,只要外力足够,产生微小的变形似乎不难,而且,可以产生紧密贴合的效果
' `0 g" s( W: w$ m2 [% N
7 `7 l( A+ P( t/ I' T+ D0 D( n示例图是外国某公司的,不知看了没有2 f8 E# p  x  j: i. d( L/ N9 S
0 t6 p1 n: w: j* W9 u0 g
等到实际装配的时候,我会去现场关注这个问题,到时会说明一下结果。
发表于 2010-6-8 12:58:01 | 显示全部楼层 来自: 中国黑龙江佳木斯
本帖最后由 shifeng18 于 2010-6-8 13:03 编辑
3 S3 Z, I" s; M0 _9 O- r9 X( c$ ^* z& j6 c
8#图即为逆装图。按尺寸差1毫米呢,能装进去吗?
' l. b( J! N, R3 ^# s2 Z* B这种键一般在农机中有应用,其它行业几乎没有。所以建议不用为佳。
发表于 2010-6-9 10:12:56 | 显示全部楼层 来自: 中国天津
钩头契键就是靠上下两面的正压力产生的摩擦力来工作的,因而契键的上面1:100的斜面必定与轮毂的斜面匹配,只能是顺着装!
 楼主| 发表于 2010-6-11 12:10:10 | 显示全部楼层 来自: 中国江苏无锡
本帖最后由 langhuan05 于 2010-6-11 12:11 编辑
( \- v# G( I& h( [4 X
钩头契键就是靠上下两面的正压力产生的摩擦力来工作的,因而契键的上面1:100的斜面必定与轮毂的斜面匹配,只能是顺着装!
+ o  _" l' S5 Fz-xinjing 发表于 2010-6-9 10:12 http://www.3dportal.cn/discuz/images/common/back.gif

7 Q/ C1 y; m# e9 G* n( v1 t% X% d请认真研读再来讨论这个问题,GB/T1563和1565标准很难自圆其说,我认为
发表于 2010-6-11 13:11:22 | 显示全部楼层 来自: 中国黑龙江佳木斯
本帖最后由 shifeng18 于 2010-6-11 13:19 编辑
/ z& m% e5 {9 B
: u2 j# Y, ]' f  v0 J8 l9 ]“后来考虑,也许钩形键和轮毂键槽配合,通过外力可以产生一些塑性变形,毕竟1:100的斜度是很小的,只要外力足够,产生微小的变形似乎不难,而且,可以产生紧密贴合的效果”. ]; d# l3 L0 y8 y  y; v, D: z1 W
正是这样。
. @7 Q% J+ r2 O! ?# C- `2 e安装时轴、毂槽对齐再将键插进,用锤击钩头,将键打进轴、毂槽内。它就是利用弹性变形使得键固定轴、毂槽内。拆卸时用钢片塞进钩头靠轴一端锤击钢片将键卸下来。
3 \$ p: x% I# w- e) h如果负载遇到阻力就将破坏键的弹性变形力,常使得键与槽紧固状态改变为有间隙状态并顺斜面将键吐出。所以只有农机行业为了适应农村没有工具及维修条件才使用这种键。
 楼主| 发表于 2010-6-12 13:16:48 | 显示全部楼层 来自: 中国江苏无锡
“后来考虑,也许钩形键和轮毂键槽配合,通过外力可以产生一些塑性变形,毕竟1:100的斜度是很小的,只要外力足够,产生微小的变形似乎不难,而且,可以产生紧密贴合的效果”
% K% O4 {  r) H0 _3 h正是这样。2 A& F6 F- C, U& k$ P8 e8 K- N
安装时轴、毂槽对齐再将键插 ...( `. v& u$ f5 G6 Q  ^
shifeng18 发表于 2010-6-11 13:11 http://www.3dportal.cn/discuz/images/common/back.gif
# r: t$ o( y' x. Z& F: g

1 d: y: }' T, |, J2 T8 D我们从事冶金行业,冶金行业设备做得一般都比较扎实,精度要求不是太高,当然还要看具体情况了。
发表于 2010-6-15 08:02:10 | 显示全部楼层 来自: 中国黑龙江佳木斯
返回看到了你的帖子。
' H4 A( Z% E* K4 i2 S8 H6 T& Z冶金行业设备一般功率较大,因为一般连续生产要求生产过程中设备不能检修,杜绝损坏。钩头键在这种环境使用不合适。应该采用平键。
 楼主| 发表于 2010-6-15 21:18:24 | 显示全部楼层 来自: 中国江苏无锡
返回看到了你的帖子。1 R7 u' n4 T; s
冶金行业设备一般功率较大,因为一般连续生产要求生产过程中设备不能检修,杜绝损坏。钩头键在这种环境使用不合适。应该采用平键。
9 n( B3 h1 Q  H, B1 b+ C3 E* T( oshifeng18 发表于 2010-6-15 08:02 http://www.3dportal.cn/discuz/images/common/back.gif

! s5 F! Q+ |7 q2 w- X
4 }1 V' Y& ~& m/ L你说的也不无道理,但钩形键可以使轮毂紧紧地抱合轴,特别是用于5~6米的重载长轴,如果采用很紧的配合,装配和定位会带来很大困难,故采用钩形键是比较好的选择,典型例子是机械冷床的偏心轮装配,有兴趣可以去研究一下。, Q( {! N' ^0 L+ b; j3 |" R2 e. L8 C
还有,损坏是必然的,没有哪一件东西能够永远金刚不坏,结合实际情况,可以将重要零件的使用寿命设计长一些,这是一般可行可靠的思路。
发表回复
您需要登录后才可以回帖 登录 | 注册

本版积分规则


Licensed Copyright © 2016-2020 http://www.3dportal.cn/ All Rights Reserved 京 ICP备13008828号

小黑屋|手机版|Archiver|三维网 ( 京ICP备2023026364号-1 )

快速回复 返回顶部 返回列表