QQ登录

只需一步,快速开始

登录 | 注册 | 找回密码

三维网

 找回密码
 注册

QQ登录

只需一步,快速开始

展开

通知     

查看: 2505|回复: 0
收起左侧

[求助] 特殊螺栓的加工/及内六角的表示方法

[复制链接]
发表于 2010-5-31 10:20:11 | 显示全部楼层 |阅读模式 来自: 中国福建厦门

马上注册,结识高手,享用更多资源,轻松玩转三维网社区。

您需要 登录 才可以下载或查看,没有帐号?注册

x
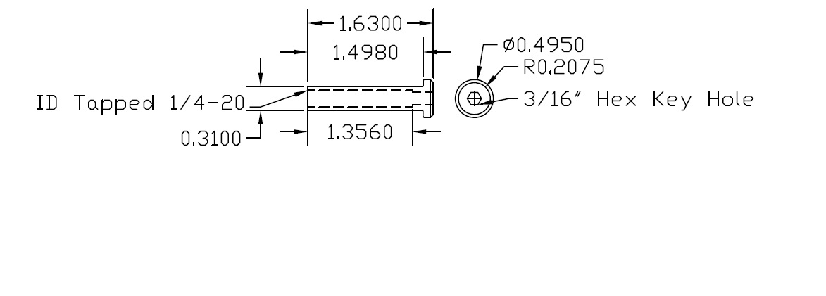
图一:
: l3 ]$ i  v! b* D" X问题一: 六角头(不管是内六角还是外六角)它的表示方法是什么样?  如图中3/16" ,它表示的是120度角顶点到对边 120度角的距离还是表示两. v4 W; j$ c  p% e
平行线之间的距离?
( S8 U  t5 G" B4 H( D% N& ~问题二: 图中的设计,依初步来看, 3/16”内六角是通孔,一般这种非圆形结构,如内六角,内四方,如可加工?  采用什么机设备?
: ?& n$ M6 M2 F# m2 Y9 w, O0 ]1 S% g

4 P3 c4 D. i- |& s7 w% }% Z2 a图二:
4 P: G, F1 I. {) V5 Z8 H; ?  O  
" }7 F: K- h4 v) l问题三: 针对这种内部需加工的零件,   L/2 (4.3/2=2.15”)与 内径0.3640  比值大于 5 (所谓的长径比大于5), 是不是相对难加工?- g7 b, e# s1 I: K" w1 z
问题四: 像国中这样的零件,需要采用什么设备加工? 可以用车床,然后设计特殊的加工刀具?  有人能初步介绍一下刀具的形状,结构?
* L3 L' ~* o% @$ l& ~谢谢各位了。
特殊螺栓.jpg
特殊螺栓2 .jpg
发表回复
您需要登录后才可以回帖 登录 | 注册

本版积分规则


Licensed Copyright © 2016-2020 http://www.3dportal.cn/ All Rights Reserved 京 ICP备13008828号

小黑屋|手机版|Archiver|三维网 ( 京ICP备2023026364号-1 )

快速回复 返回顶部 返回列表