QQ登录

只需一步,快速开始

登录 | 注册 | 找回密码

三维网

 找回密码
 注册

QQ登录

只需一步,快速开始

展开

通知     

查看: 3732|回复: 11
收起左侧

[已解决] 详解电路图,重金悬赏求助

 关闭 [复制链接]
发表于 2010-6-2 17:11:19 | 显示全部楼层 |阅读模式 来自: 中国上海

马上注册,结识高手,享用更多资源,轻松玩转三维网社区。

您需要 登录 才可以下载或查看,没有帐号?注册

x
本帖最后由 siemens70 于 2010-6-2 17:12 编辑 0 [( L. |" |& r8 h5 o6 K% s$ F' c
$ u# j3 _+ R- v& }
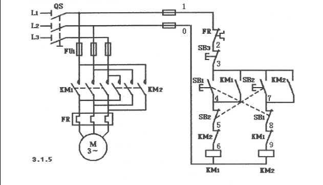
如图所示,001图是个异步电动机按钮、接触器双重联锁的正反转控制线路安装图,麻烦那位哥们能帮我详细的讲讲这个图的原理。另外一个图002中红圈中的虚线是什么意思,万望那位知道的能给于解答一下。详细解答者有100三维币的个人答谢。
001.JPG
002.JPG
发表于 2010-6-2 18:07:58 | 显示全部楼层 来自: 中国广东汕头
本帖最后由 哥哥很善良 于 2010-6-2 18:12 编辑
' c# N; W* U7 W, ~1 Z9 A
6 |; L/ Y1 n! Z" m7 v3 B3 ~# V这个是符合按钮啊,我们以序号做代表,4和8 是一对符合按钮  ,5和7 也是一样啊,4是常开按钮,8是常闭按钮,当按下SB1(4的时候)8就会断开。

评分

参与人数 1三维币 +2 收起 理由
pangpang + 2 应助

查看全部评分

发表于 2010-6-2 18:11:18 | 显示全部楼层 来自: 中国台湾
这样就不会误动作了明白吗?
发表于 2010-6-2 22:34:05 | 显示全部楼层 来自: 中国江苏常州
一个按钮上的两个触点开关。
发表于 2010-6-2 23:06:51 | 显示全部楼层 来自: 中国河北保定
我告诉你关键吧
2 W% [1 `1 p" X# D& u+ }右下角有两个继电器KM1和KM2,SB1开关(左线路闭合,右线路断开),继电器KM1通电后,KM1开关闭合,此时SB1断开,KM1仍闭合。相反亦然。
发表于 2010-6-3 09:59:34 | 显示全部楼层 来自: 中国广东汕头
本帖最后由 cylzwx 于 2010-6-3 10:07 编辑 ' m% ~( B, y& Y( ^2 `7 I
0 [$ ^; d2 r% Z1 H9 |9 ^- g
应该常用的电机正反转电路:- ]- a- N: P. @0 j1 I/ n0 H
* x. g; {2 q* V
右边角L1,L2,L3 是三相电网输入,  QS是总开关.FU1X3保险, KM1,KM2,是分另交流接触器触点(常开),FR是热继电器(过流保护器),M3是交流三相电机,: p% c: Y) O. P8 d* c' j# |
左边,2个保险,FR热继电器触点(常闭),当主回路电流过大就断开使交流接触器失电,主触点断开,SB3停止按钮,8 ^7 l) J/ E$ m4 D  t
SB1,SB2分别是正反转的启动按钮,KM1,KM2(常开),是自锁,KM1,KM2(常闭),是反锁,SB1,SB2(常开),是启动,,SB1,SB2(常闭),分路是连动停止触点,就是当机器在正转时你要它反转要先停止正转才能启动反转,KM1,KM2分别交流接触器线圈.
0011.JPG

评分

参与人数 2三维币 +23 收起 理由
z6z6j6 + 20 求助人额外答谢
pangpang + 3 应助

查看全部评分

发表于 2010-6-3 10:55:18 | 显示全部楼层 来自: 中国福建南平
本帖最后由 zhoujd 于 2010-6-3 10:57 编辑
5 V0 W* d5 P) g: M/ g1 B5 i
( ^/ Y1 F2 `' X2 ^# U7 Y) C/ }红线中SB1和SB2属于双联互锁开关,按钮SB1和SB2以及KM1,KM2的常闭点是双联互锁接法,SB1按下常开接通瞬间SB2常闭断开,KM2不可能接通,不会引起误动作。反之亦然。
发表于 2010-6-3 12:16:29 | 显示全部楼层 来自: 中国上海
从以下几种情况分析:
& D  f& w( F( L9 q' Q! P. e1.停机状态---正转:正转启动按钮SB1按下,点动的SB2应断开.  则SB1双联常闭触点断开,SB2常闭触点保持闭合,KM2常开触点断开,常闭触点保持闭合,线圈KM1得电,电机正转.线圈KM1得电时KM1常开触点闭合,常闭触点断开,SB1被短路,放开按钮也可以正转,实现自锁./ z# _$ L. Y. Q0 w9 J. ^
2.正转---反转:反转启动按钮SB2按下. 点动的SB1应断开. 则SB2双联常闭触点断开,线圈KM1失电,使常开触点断开,常闭触点闭合,电机瞬间失电停转.而SB1常闭触点闭合,线圈KM2得电,电机反转.线圈KM2得电时KM2常开触点闭合,常闭触点断开,SB2被短路,放开按钮也可以反转,实现自锁.1 p  r- b, T8 d* A) E0 y: O
3.反转---正转:手动按钮SB1按下,点动的SB2应断开.与1,2的过程相似.
  P% {( j0 p% o2 E2 k! P4 |4.运转---停机:总线开关SB3按下. 如果SB1和SB2同时按下,也会停转.

评分

参与人数 2三维币 +23 收起 理由
z6z6j6 + 20 求助人额外答谢
pangpang + 3 应助

查看全部评分

发表于 2010-6-3 23:16:41 | 显示全部楼层 来自: 中国湖北潜江
用虚线连接的元件表示为同一元件上的不同接点,操作时同时动作,如SB1按下时其常开点3-4闭合,同时常闭点7-8断开。( l1 ~: r3 h. _! a
令KM1为正转接触器,KM2为反转接触器,那么SB1为正转启动按钮,SB2为反转启动按钮。SB3为停止按钮(实现电动机停止运转)。流程如下:2 x) v3 i. q2 G" M9 |+ K
首先合上QS三相电源开关,2 z  C) N9 l& j& v# \
  正转操作:按下SB1,电流路径为L1--QS--保险--FR常闭接点--SB3--SB1常开接点--SB2常闭接点--KM2常闭接点--KM1线圈--保险--L2。此时KM1线圈得电,KM1主触头闭合,电动机带电启动正转,同时KM1常开接点闭合形成自保持,可以放开SB1,电动机会自动运转。
! z/ T9 I. p+ i/ p% t  反转操作:按下SB2,电流路径为L1--QS--保险--FR常闭接点--SB3--SB2常开接点--SB1常闭接点--KM1常闭接点--KM2线圈--保险--L2。此时KM2线圈得电,KM2主触头闭合,电动机带电启动反转,同时KM2常开接点闭合形成自保持,可以放开SB2,电动机会自动运转。
7 B# q, j/ w6 r1 e1 r4 N  功能:1   正、反转控制都有自保持功能,即在SB1、SB2常开接点上都并联有KM1、KM2的常开接点。& P3 Y/ \4 b0 O' }$ Y/ k- f
2   双联锁:一是KM1、KM2在控制回路中的互锁,可实现在任何情况下只一个接触器可以得电;二是利用SB1、SB2按钮断开对方控制回路,即可实现互锁,又可以实现直接正反转切换,而不需要按下SB3停止按钮停机后,在切换。; |7 S# y6 f" ?; d
3,FR为热过载继电器,电机过载时使电机停止,防止烧电机。

评分

参与人数 2三维币 +23 收起 理由
z6z6j6 + 20 求助人额外答谢
pangpang + 3 应助

查看全部评分

发表于 2010-6-7 13:14:57 | 显示全部楼层 来自: 中国广东广州
如图所示,001图是个异步电动机按钮、接触器双重联锁的正反转控制线路安装图,麻烦那位哥们能帮我详细的讲讲这个图的原理。另外一个图002中红圈中的虚线是什么意思,万望那位知道的能给于解答一下。详细解答者有100三 ...( J( T9 ?8 m) g; y9 w! J$ C
siemens70 发表于 2010-6-2 17:11 http://www.3dportal.cn/discuz/images/common/back.gif

" U) E3 o6 [. q/ A0 K0 ~) i$ j5 ?0 n0 {8 B  M7 M. Y
9 g9 y1 _$ `" U( v+ z) }
为了使电动机能够正转和反转,可采用两只接触器KM1、KM2换接电动机三相电源的相序,但两个接触器不能吸合,如果同时吸合将造成电源的短路事故,为了防止这种事故,在电路中应采取可靠的互锁,上图为采用按钮和接触器双重互锁的电动机正、反两方向运行的控制电路。" z; m2 l1 X- I- y# i& n; Y
线路分析如下:: w- C& ]. w+ Y2 }& \
一、正向启动:
# F1 e$ V! R- L1、合上空气开关QS接通三相电源3 g2 p/ b/ u' E: p! z$ x6 T
2、按下正向启动按钮SB1,KM1通电吸合并自锁,主触头闭合接通电动机,电动机这时的相序是L1、L2、L3,即正向运行。
! j7 h8 ^1 z1 |3 S. \- A二、反向启动:6 ^1 j2 H6 A4 i
      1、合上空气开关QS接通三相电源
4 f* ?) ^; O+ A+ _( E+ w4 I2、按下反向启动按钮SB2,KM2通电吸合并通过辅助触点自锁,常开主触头闭合换接了电动机三相的电源相序,这时电动机的相序是L3、L2、L1,即反向运行。9 W2 A6 A8 J7 {6 {
三、互锁环节:具有禁止功能在线路中起安全保护作用* A, J' ~3 X* i: y. E( E
       1、接触器互锁:KM1线圈回路串入KM2的常闭辅助触点,KM2线圈回路串入KM1的常闭触点。当正转接触器KM1线圈通电动作后,KM1的辅助常闭触点断开了KM2线圈回路,若使KM1得电吸合,必须先使KM2断电释放,其辅助常闭触头复位,这就防止了KM1、KM2同时吸合造成相间短路,这一线路环节称为互锁环节。4 \6 t4 ~  r$ Q) E1 @* V
2、按钮互锁:在电路中采用了控制按钮操作的正反传控制电路,按钮SB1、SB2都具有一对常开触点,一对常闭触点,这两个触点分别与KM1、KM2线圈回路连接。例如按钮SB1的常开触点与接触器KM1线圈串联,而常闭触点与接触器KM2线圈回路串联。按钮SB2的常开触点与接触器KM2线圈串联,而常闭触点压KM1线圈回路串联。这样当按下SB1时只能有接触器KM1的线圈可以通电而KM2断电,按下SB2时只能有接触器KM2的线圈可以通电而KM1断电,如果同时按下SB1和SB2则两只接触器线圈都不能通电。这样就起到了互锁的作用。
1 |, V6 s5 u7 K: o; a; D' _6 m4 ^/ Q四、电动机正向(或反向)启动运转后,不必先按停止按钮使电动机停止,可以直接按反向(或正向)启动按钮,使电动机变为反方向运行。( a7 u. U$ G$ _' |9 \+ I/ c" y1 e+ S  ]
五、电动机的过载保护由热继电器FR完成。0 p: n) X/ P# T- F! U4 b" l5 K
图002中红圈中的虚线是双联互锁开关

评分

参与人数 2三维币 +23 收起 理由
z6z6j6 + 20 求助人额外答谢
pangpang + 3 应助

查看全部评分

发表于 2010-6-8 01:05:49 | 显示全部楼层 来自: 中国浙江丽水
说的都较细了。
+ [, h" @$ n6 B% m9 e) a' K     红圈的地方是安钮一重锁,3号与4号线之间是SB1的常开触点对,7号与8号线之间是SB1的常闭触点对,也就是说按下SB1时,3号与4号线之间的常开触点对闭合,7号与8号线之间的常闭触点对打开,两对触点是同时(几乎是同时)动作的,也称复合按钮开关,是自恢复型的,手松开就复位,两对触点之间的虑线表示同是SB1按钮,它们的动作是关联的,同时(几乎是同时)动作的,也是指示SB1两对触点在图上的位置。SB2的情况与SB1相同。% A: ?' d- t# O; c$ C
      5号线与6号线之间的KM2常闭,8号线与9号线之间的KM1常闭是接触器二重锁。所以该电路是双重联锁......7 P3 G6 ]* B  h4 S3 @. J2 ~
      一般用于1KW以下电机充许直接反转启动的控制,但不是过于平繁的要求正反转启动。

评分

参与人数 1三维币 +20 收起 理由
z6z6j6 + 20 求助人额外答谢

查看全部评分

 楼主| 发表于 2010-6-8 05:03:22 | 显示全部楼层 来自: 中国上海
感谢各位朋友的无私帮助,让我感动不已。这个帖子我明白了,那位路过的版主,帮我奖励一下他们,谢谢,

评分

参与人数 1三维币 -100 收起 理由
z6z6j6 -100 答谢费

查看全部评分

发表回复
您需要登录后才可以回帖 登录 | 注册

本版积分规则


Licensed Copyright © 2016-2020 http://www.3dportal.cn/ All Rights Reserved 京 ICP备13008828号

小黑屋|手机版|Archiver|三维网 ( 京ICP备2023026364号-1 )

快速回复 返回顶部 返回列表