QQ登录

只需一步,快速开始

登录 | 注册 | 找回密码

三维网

 找回密码
 注册

QQ登录

只需一步,快速开始

展开

通知     

查看: 1979|回复: 7
收起左侧

[已解决] TY80螺纹是什么螺纹啊?

 关闭 [复制链接]
发表于 2010-6-3 14:35:43 | 显示全部楼层 |阅读模式 来自: 中国广东广州

马上注册,结识高手,享用更多资源,轻松玩转三维网社区。

您需要 登录 才可以下载或查看,没有帐号?注册

x
各位高人TY80螺纹是什么螺纹啊?(起重件吊钩MMD型16号吊钩上的螺纹)还有,有没有螺纹的教程呀,给小弟上传一份吧
发表于 2010-6-3 14:51:49 | 显示全部楼层 来自: 中国上海
梯形圆螺纹
发表于 2010-6-3 16:57:24 | 显示全部楼层 来自: 中国江苏苏州
楼上,可否传一份详细说明,我不知道,想根着学习!!!
发表于 2010-6-4 11:00:12 | 显示全部楼层 来自: 中国山西太原
本帖最后由 gaoyns 于 2010-6-4 15:44 编辑
$ n0 V2 \1 k2 }* ?9 W" _( o% E6 L4 I, U( U4 C
螺纹应为梯形螺纹,用传动力或力矩。/ O7 t3 w# G2 D% e. [$ _
详细资料参见:化学工业出版社《机械设计手册》 第2卷  P5-22~28。
发表于 2010-6-4 14:49:43 | 显示全部楼层 来自: 中国江苏苏州
我国梯形螺纹量规标准存在缺陷,螺纹通端量规不控制工件螺纹底径的最大实体尺寸。用于重要场合需特别注意。
发表于 2010-6-4 15:09:53 | 显示全部楼层 来自: 中国上海
本帖最后由 lhf999 于 2010-6-4 15:26 编辑
. ]9 j3 }. t5 Z9 W# u9 D2 O7 f
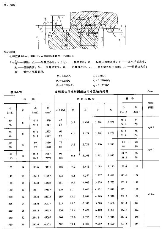
; d2 g) \* C! B9 c1 p6 q4 E  D6 P是梯形圆螺纹。设计手册上有的呀。
) b! q! R6 q2 D  E下面的图片摘自《机械设计手册》(单行本,化工2004)第8篇 《起重运输机械零部件》。8 Q# ?5 f7 @7 |0 k& d! O

, G. C" S+ q2 e' z2 n% u这种专用螺纹标准见:GB 10051.5-88起重吊钩 直柄单钩* Z3 H9 Y  d% P" g# @# M/ s* X
http://www.3dportal.cn/discuz/viewthread.php?tid=160373
ty.jpg

评分

参与人数 1三维币 +2 收起 理由
天际孤帆 + 2 技术交流

查看全部评分

 楼主| 发表于 2010-6-7 09:58:33 | 显示全部楼层 来自: 中国广东广州
太感谢大家了!管理员把求助改成已解决吧:)
发表于 2010-6-8 02:35:45 | 显示全部楼层 来自: 中国四川德阳
本帖最后由 fxl690209 于 2010-6-8 02:46 编辑
- i1 L6 E( K* z" a1 W. V; m; l* Z  B; h* ?( ~
支持6楼
发表回复
您需要登录后才可以回帖 登录 | 注册

本版积分规则


Licensed Copyright © 2016-2020 http://www.3dportal.cn/ All Rights Reserved 京 ICP备13008828号

小黑屋|手机版|Archiver|三维网 ( 京ICP备2023026364号-1 )

快速回复 返回顶部 返回列表