QQ登录

只需一步,快速开始

登录 | 注册 | 找回密码

三维网

 找回密码
 注册

QQ登录

只需一步,快速开始

展开

通知     

查看: 1557|回复: 2
收起左侧

[求助] 跪求平衡轴重心钻孔工装

[复制链接]
发表于 2010-6-4 09:46:24 | 显示全部楼层 |阅读模式 来自: 中国贵州贵阳

马上注册,结识高手,享用更多资源,轻松玩转三维网社区。

您需要 登录 才可以下载或查看,没有帐号?注册

x
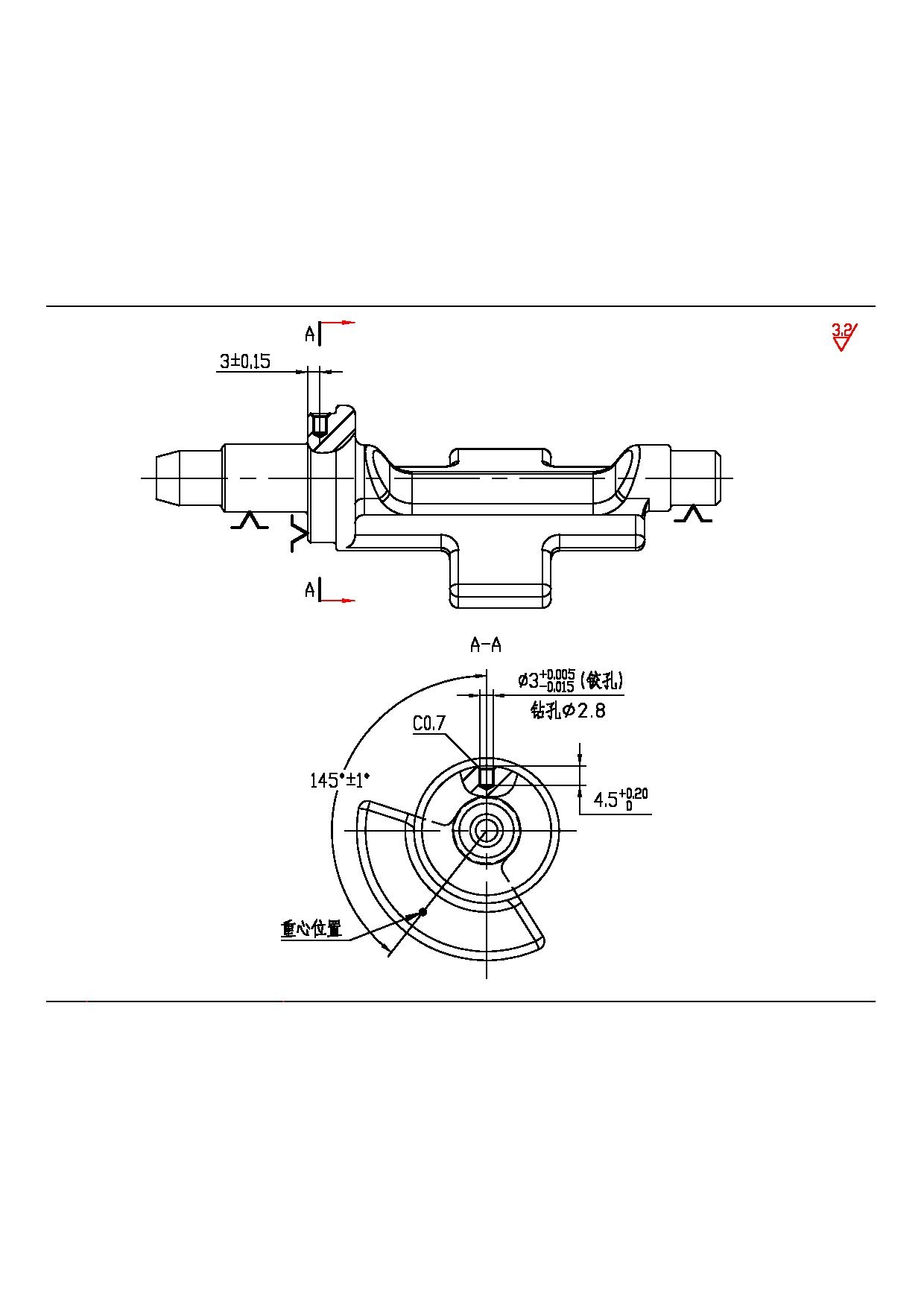
工厂现有一平衡轴需钻孔,要求与工件的重心角度为145°,而且是大批量生产,要求装夹可靠,快速,恳请各位高手指教如何设计工装?
phz.jpg
发表于 2010-6-4 13:48:05 | 显示全部楼层 来自: 中国湖南娄底
不知道哪些面是精度高的表面,必须发一个完整的图纸上来才行。
 楼主| 发表于 2010-6-5 20:52:55 | 显示全部楼层 来自: 中国贵州贵阳
左右两端的支撑轴颈。
发表回复
您需要登录后才可以回帖 登录 | 注册

本版积分规则


Licensed Copyright © 2016-2020 http://www.3dportal.cn/ All Rights Reserved 京 ICP备13008828号

小黑屋|手机版|Archiver|三维网 ( 京ICP备2023026364号-1 )

快速回复 返回顶部 返回列表