QQ登录

只需一步,快速开始

登录 | 注册 | 找回密码

三维网

 找回密码
 注册

QQ登录

只需一步,快速开始

展开

通知     

全站
4天前
查看: 1758|回复: 12
收起左侧

[求助] 这个液压图谁能 说下工作原理 ?

[复制链接]
发表于 2010-6-6 02:31:10 | 显示全部楼层 |阅读模式 来自: 中国新疆乌鲁木齐

马上注册,结识高手,享用更多资源,轻松玩转三维网社区。

您需要 登录 才可以下载或查看,没有帐号?注册

x
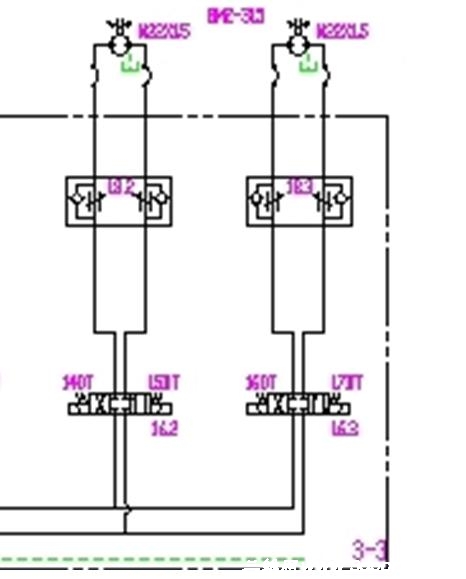
公司今天给了 个这 液压图 我液压菜鸟 谁能帮看看它的原理是什么 感激不尽 !!!
11.jpeg
发表于 2010-6-6 07:52:04 | 显示全部楼层 来自: 中国江苏南通
单泵,常规的系统
" y: a: n& R: Y, X% v; @# \% l2 E* \
没有比例控制..国、1 m) P' N( S$ e( J7 ~6 W

% l5 p$ c! k- R& F图有点小,放大点吧
发表于 2010-6-6 09:15:50 | 显示全部楼层 来自: 中国广东深圳
就是一个很普通液压图,三位四通幻想,系统溢流,进出口调速,同步运动
 楼主| 发表于 2010-6-6 09:30:24 | 显示全部楼层 来自: 中国新疆乌鲁木齐
有调速阀吗
发表于 2010-6-6 09:52:47 | 显示全部楼层 来自: 中国广东深圳
和马达相连的就是调速阀
 楼主| 发表于 2010-6-6 10:43:19 | 显示全部楼层 来自: 中国新疆乌鲁木齐
和马达连接的 不是 双单向节流阀吗 。。
发表于 2010-6-6 12:58:09 | 显示全部楼层 来自: 中国辽宁本溪
这个马达回路可能有问题。
/ T" `  t; N0 S) Q+ [% ?# @: f急刹车哈。: ?- ?6 f! Z, @+ Z3 W4 F
马达.JPG
发表于 2010-6-6 13:14:45 | 显示全部楼层 来自: 中国广东深圳
楼主如果方便 最好说说这个系统是做什么用的  大家一起帮你结合实际分析一下
 楼主| 发表于 2010-6-6 17:23:48 | 显示全部楼层 来自: 中国新疆乌鲁木齐
7楼的 你说 急刹车 怎么个意思 能详细说下不? 这东东 我也是刚 接手 只知道是用作 生产螺纹焊管的 具体是那个设备上的 我也不知道 图上也没说
发表于 2010-6-6 23:08:14 | 显示全部楼层 来自: 中国四川泸州
你这个系统是干什么用的?
发表于 2010-8-5 15:10:31 | 显示全部楼层 来自: 中国江苏泰州
没什么特别复杂的啊?常规得不能再常规了
发表于 2010-8-5 17:13:30 | 显示全部楼层 来自: 中国北京
看不懂,应该了解下工况吧,这样才能更好地理解,是吧
发表于 2010-8-5 22:45:34 | 显示全部楼层 来自: 中国广东广州
这就是普通回路,请楼主看一下液压的几个基本回路,任何回路都是有若干个基本回路组成,彻底解决看图问题。
发表回复
您需要登录后才可以回帖 登录 | 注册

本版积分规则

Licensed Copyright © 2016-2020 http://www.3dportal.cn/ All Rights Reserved 京 ICP备13008828号

小黑屋|手机版|Archiver|三维网 ( 京ICP备2023026364号-1 )

快速回复 返回顶部 返回列表