QQ登录

只需一步,快速开始

登录 | 注册 | 找回密码

三维网

 找回密码
 注册

QQ登录

只需一步,快速开始

展开

通知     

全站
7天前
查看: 1945|回复: 6
收起左侧

[讨论] 这个模具该怎么设计?

[复制链接]
发表于 2010-6-7 17:47:24 | 显示全部楼层 |阅读模式 来自: 中国浙江宁波

马上注册,结识高手,享用更多资源,轻松玩转三维网社区。

您需要 登录 才可以下载或查看,没有帐号?注册

x
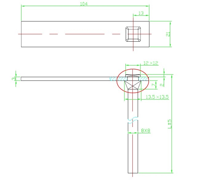
附件里面产品,红色椭圆里面的结构应该怎么做?是一步完成还是两步完成?一步模具怎么设计?两步模具怎么设计?期待高手帮助。谢谢

钉子.pdf

5.57 KB, 下载次数: 10

发表于 2010-6-7 18:11:41 | 显示全部楼层 来自: 中国广东佛山
本帖最后由 lfjliu008 于 2010-6-7 18:14 编辑 / @* T. D$ W6 d$ B! S3 P+ k, i8 C
# a, y6 [( t% E  ^& m" H1 ^
替楼主贴图. 楼主能不能说详细点, 图中结构钉子应该是做成专用钉子后铆上的, 你想知道什么?
01.jpg

评分

参与人数 1三维币 +4 收起 理由
hxg168 + 4 感谢。

查看全部评分

 楼主| 发表于 2010-6-8 08:16:16 | 显示全部楼层 来自: 中国浙江宁波
我想知道的是从8X8的方料用什么样的模具结构一次或两次能做到红色圈里面的结构
发表于 2010-6-8 08:44:22 | 显示全部楼层 来自: 中国山东济南
这个件如果按图纸尺寸干起来有点麻烦,首先图纸上13.5X13.5的方锥台要单独干,恐怕冷镦都够呛,其次,在铆接的时候,3mm片的硬度也很关键,否则,没等方钢压到尺寸,先把那个薄片压变形了,就不好了。

评分

参与人数 1三维币 +4 收起 理由
hxg168 + 4 感谢支持。

查看全部评分

 楼主| 发表于 2010-6-9 08:28:33 | 显示全部楼层 来自: 中国浙江宁波
恩,四楼说的有道理,其实客户可以接受11X11的方锥,不知道能不能做呢?
发表于 2011-10-22 10:25:34 | 显示全部楼层 来自: 中国福建泉州
冲完在铆的吧
发表于 2011-10-24 15:27:24 | 显示全部楼层 来自: 中国广东深圳
冲完后旋铆机压的
发表回复
您需要登录后才可以回帖 登录 | 注册

本版积分规则


Licensed Copyright © 2016-2020 http://www.3dportal.cn/ All Rights Reserved 京 ICP备13008828号

小黑屋|手机版|Archiver|三维网 ( 京ICP备2023026364号-1 )

快速回复 返回顶部 返回列表