QQ登录

只需一步,快速开始

登录 | 注册 | 找回密码

三维网

 找回密码
 注册

QQ登录

只需一步,快速开始

展开

通知     

全站
3天前
查看: 2626|回复: 2
收起左侧

[已解决] 工程图中尺寸标注的括号如何去掉

[复制链接]
发表于 2010-6-7 19:17:25 | 显示全部楼层 |阅读模式 来自: 中国山东临沂

马上注册,结识高手,享用更多资源,轻松玩转三维网社区。

您需要 登录 才可以下载或查看,没有帐号?注册

x
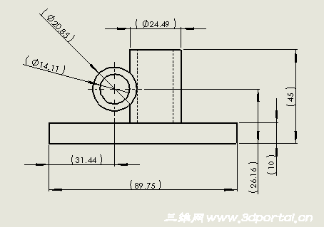
问题如图,图中的标注括号该如何去掉?谢谢
8 }. d( Y5 i8 ], C2 V0 B: o0 O 截图87.png
发表于 2010-6-7 20:06:13 | 显示全部楼层 来自: 中国河北唐山
1# a5236102
QQ截图未命名.jpg

评分

参与人数 1三维币 +3 收起 理由
chenjun520601 + 3 应助

查看全部评分

发表于 2010-6-7 20:25:43 | 显示全部楼层 来自: 中国湖北武汉
还可以看看此处是否按了带括号标注? 去掉括号标注.png

评分

参与人数 1三维币 +2 收起 理由
chenjun520601 + 2 应助

查看全部评分

发表回复
您需要登录后才可以回帖 登录 | 注册

本版积分规则


Licensed Copyright © 2016-2020 http://www.3dportal.cn/ All Rights Reserved 京 ICP备13008828号

小黑屋|手机版|Archiver|三维网 ( 京ICP备2023026364号-1 )

快速回复 返回顶部 返回列表