QQ登录

只需一步,快速开始

登录 | 注册 | 找回密码

三维网

 找回密码
 注册

QQ登录

只需一步,快速开始

展开

通知     

查看: 21312|回复: 63
收起左侧

[分享] Mastercam x4 数控车床编程教程(32P)

[复制链接]
发表于 2010-6-7 22:15:16 | 显示全部楼层 |阅读模式 来自: 中国上海

马上注册,结识高手,享用更多资源,轻松玩转三维网社区。

您需要 登录 才可以下载或查看,没有帐号?注册

x
本帖最后由 wbx8484 于 2010-6-9 18:14 编辑 % A( c2 W  q- F& K

! N/ H/ y$ c% i8 y原题:   Mastercam V9.1数控车床编程教程   http://www.3dportal.cn/discuz/viewthread.php?tid=902389&extra=page%3D1
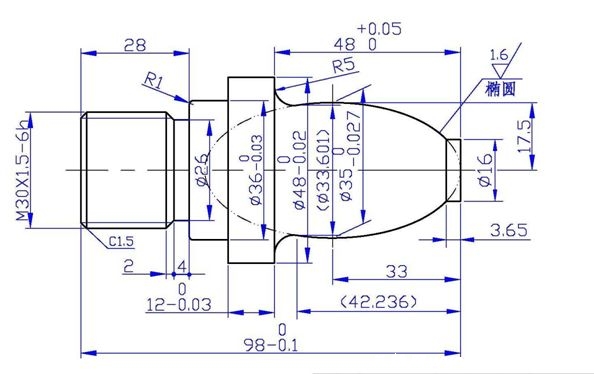
% e/ ?+ p0 L5 X4 i先上几张欣赏一下。。。余下的等编辑好了再上传。
" s$ A2 M7 @$ m* [& G1 p! w7 P, k7 z0 k$ U" S# f/ N5 l
不足的地方望提意见,,,有空修改!!!
截图00.jpg
截图01.jpg
截图25.jpg
截图30.jpg
截图31.jpg
 楼主| 发表于 2010-6-9 17:55:06 | 显示全部楼层 来自: 中国上海
本帖最后由 wbx8484 于 2010-6-9 18:09 编辑 ' @/ z6 h- @" @! F7 ^2 m- E
6 E! S+ Y# U3 g( i& |8 A: Q. f
1# wbx8484 & ~0 s' O' A' {& R) Z
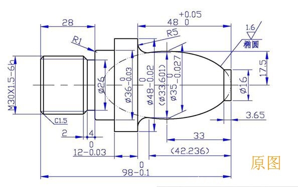
Mastercam x4 数控车床编程教程
截图00.jpg
截图01.jpg
截图02.jpg
截图03.jpg
截图04.jpg
截图05.jpg
截图06.jpg
截图07.jpg
截图08.jpg
截图09.jpg
截图10.jpg
截图11.jpg
截图12.jpg
截图13.jpg
截图14.jpg
截图15.jpg
截图16.jpg
截图17.jpg
截图18.jpg
截图19.jpg
截图20.jpg
截图21.jpg
截图22.jpg
截图23.jpg
截图24.jpg
截图25.jpg
截图26.jpg
截图27.jpg
截图28.jpg
截图29.jpg
截图30.jpg
截图31.jpg

评分

参与人数 1三维币 +20 收起 理由
wz_111 + 20 谢谢支持!!!期待后续教程!

查看全部评分

发表于 2010-6-9 19:21:46 | 显示全部楼层 来自: 中国广东珠海
难得的好教材。谢谢!!!
发表于 2010-6-9 20:38:50 | 显示全部楼层 来自: 中国北京
/// 2# wbx8484 好东西
发表于 2010-6-10 00:25:57 | 显示全部楼层 来自: 中国江苏盐城
期待了这么长时间,搞成了X版的了
发表于 2010-6-10 20:00:33 | 显示全部楼层 来自: 中国山东青岛
好强啊   很详细 也很明了  顶贴!
发表于 2010-6-20 07:29:10 | 显示全部楼层 来自: 中国台湾
詳細的資料  g$ b6 s7 ]$ J1 M6 L+ V
學習學習學習
发表于 2010-7-3 13:48:44 | 显示全部楼层 来自: 中国河南洛阳
好东西啊,我已等了千年了,终于出来了!
发表于 2010-7-3 18:23:57 | 显示全部楼层 来自: 中国江苏苏州
楼主你好啊 你有QQ吗  我有好几个问题向你请教下 谢谢了 468004895
发表于 2010-7-4 04:44:55 | 显示全部楼层 来自: 加拿大
very good stuff, thanks a lot.
发表于 2010-7-5 08:30:57 | 显示全部楼层 来自: 中国广东中山
真的不错,加工这样的东西,还是软件编程为好,手工计算太烦人,多谢楼主的提供好资料!
发表于 2010-7-11 12:20:29 | 显示全部楼层 来自: 中国辽宁大连
太好了,值得学习
发表于 2010-7-11 17:18:16 | 显示全部楼层 来自: 中国浙江丽水
赞赏楼主的无私奉献,中国因你而越来越强大!!![/b]
发表于 2010-7-20 05:23:00 | 显示全部楼层 来自: 中国广东东莞
感谢楼主的分享
发表于 2010-7-20 08:54:49 | 显示全部楼层 来自: 中国台湾
感謝樓主無私的分享,謝謝!
发表于 2010-7-31 12:44:40 | 显示全部楼层 来自: 中国广东广州
楼主有FANUC车床的POST吗
发表于 2010-7-31 15:32:58 | 显示全部楼层 来自: 中国江苏苏州
强力支持楼主,太强了。逛顶!
发表于 2010-7-31 17:19:17 | 显示全部楼层 来自: 中国湖北荆州
车床的资料比较少,谢谢楼主分享!!!
发表于 2010-9-5 15:25:50 | 显示全部楼层 来自: 中国河南洛阳
难得的好教材。谢谢!!!
发表于 2010-9-6 12:44:24 | 显示全部楼层 来自: 中国上海
谢谢楼主啊
发表于 2010-9-6 17:17:28 | 显示全部楼层 来自: 中国江苏扬州
很详细 也很明了 谢谢楼主啊!
发表于 2011-3-8 21:44:35 | 显示全部楼层 来自: 中国台湾
感謝樓主,受益良多
发表于 2011-3-15 19:17:04 | 显示全部楼层 来自: 中国江苏徐州
强人,多谢楼主热心分享
发表于 2011-3-29 17:56:47 | 显示全部楼层 来自: 中国浙江杭州
谢谢了,楼主辛苦了,
发表于 2011-3-30 23:43:30 | 显示全部楼层 来自: 中国江苏苏州
很好的教材,受教 了
发表回复
您需要登录后才可以回帖 登录 | 注册

本版积分规则


Licensed Copyright © 2016-2020 http://www.3dportal.cn/ All Rights Reserved 京 ICP备13008828号

小黑屋|手机版|Archiver|三维网 ( 京ICP备2023026364号-1 )

快速回复 返回顶部 返回列表