QQ登录

只需一步,快速开始

登录 | 注册 | 找回密码

三维网

 找回密码
 注册

QQ登录

只需一步,快速开始

展开

通知     

全站
7天前
查看: 3897|回复: 21
收起左侧

[求助] 详解电路图,重金悬赏三

[复制链接]
发表于 2010-6-9 00:26:29 | 显示全部楼层 |阅读模式 来自: 中国上海

马上注册,结识高手,享用更多资源,轻松玩转三维网社区。

您需要 登录 才可以下载或查看,没有帐号?注册

x
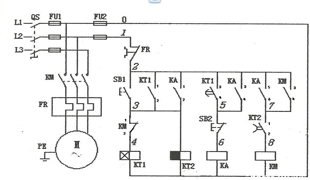
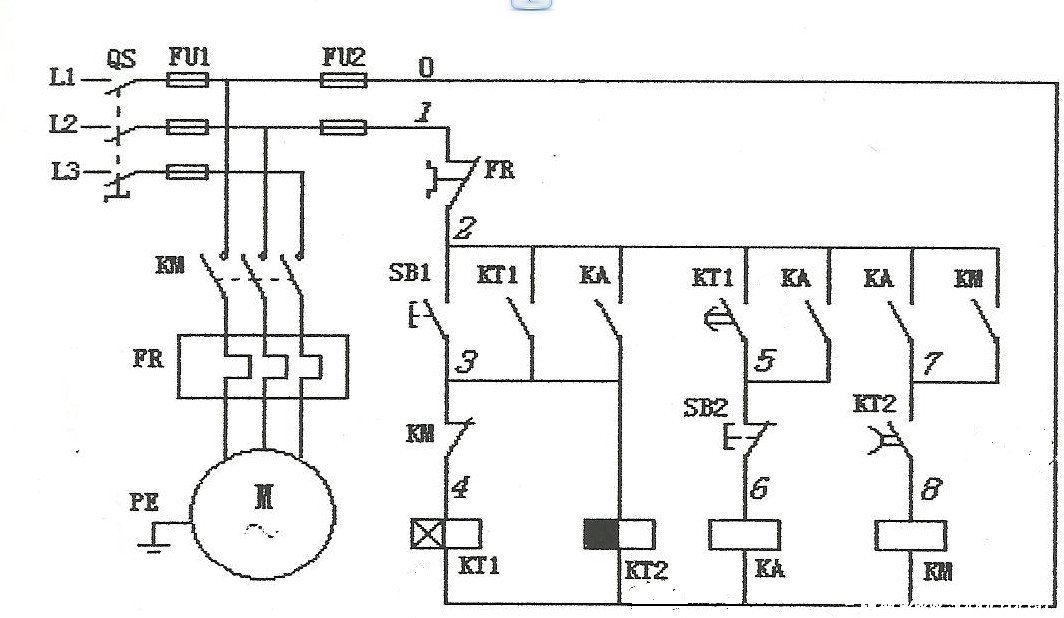
如图所示,是个延时起动延时停止控制线路图,麻烦那位哥们能帮我详细的讲讲这个图的原理。万望那位知道的能给于解答一下。详细解答者有100三维币的个人答谢。
006.jpg

评分

参与人数 1三维币 -200 收起 理由
月光族 -200 扣除悬赏金额

查看全部评分

发表于 2010-6-9 08:27:30 | 显示全部楼层 来自: 中国福建龙岩
本帖最后由 linhuahualin 于 2010-6-11 08:12 编辑
) J, M! u/ a' Y7 r# [4 d" l: S1 |1 U" x; t8 a) p
1# siemens70
6 L  W% X3 }5 g/ e  W$ W( c首先要明确一下,SB1为启动按扭,SB2停止按扭;KT1为得电延时继电器;KT2为失电延时继电器。6 w% J3 U9 y! F& ^
原理分析如下:
1 I* |5 p+ I- f9 ?9 _. ?7 O- ?               1.启动。按下启动按扭SB1→时间继电器KT1,KT2线圈同时得电,KT2速动触点7-8闭合,并由KT1触点2-3自锁进行开机延时→KT1延时时间到,延时触点2-5闭合,KA线圈得电,KA触点2-7闭合→KM线圈得电,电机启动,KT1线圈失电复位。- S) z% B+ G! ^# X" h
              2。停止。按下停止接扭SB2→KA线圈失电,KA触点2-3断开→KT2线圈失电,进行失电延时→KT2延时时间到,KT2触点7-8断开→KM线圈失电断开,电机停止。

评分

参与人数 2三维币 +53 收起 理由
月光族 + 50 楼主悬赏奖励,感谢对三维的支持。
lsq12345 + 3 应助

查看全部评分

发表于 2010-6-9 16:08:05 | 显示全部楼层 来自: 中国湖北潜江
该电路中延时启动靠KT1实现,延时停止靠KT2实现。
7 x1 s: l$ v+ p7 _2 J2 J$ d' n延时启动:
& v/ W! o3 Q, J3 e) b, L* k  h按下SB1--KT1线圈得电--KT1接点(2,3)闭合--KT1自保持,且KT2线圈得电--KT2接点(7,8)闭合,为电机启动做准备;     f" W* e7 ?- {* D; j4 r, W
同时,KT1延时接点(2,5)延时闭合--KA线圈得电--KA常开接点(2,5)闭合自保持,同时
' d3 i* i/ j8 N' ]8 v                                                   KA线圈得电--KA接点(2,3)闭合,使KT2保持
' [" G1 e4 K& U                                                   KA线圈得电--KA接点(2,7)闭合--KM线圈得电--电机运转
# Y0 P* `& v- K  n* n9 k  l电机延时启动靠KT1延时实现,KT2带电是为延时停止做准备,电机运转过程中,KA、KT2、KM长期带电,KT1在电机运转后失电。
# p& `) }/ e# f) m0 @  v延时停止:
, K( B1 V% {3 _; f9 j5 B按下SB2--KA线圈失电--KT2线圈失电--KT2接点(7,8)延时断开,电机停转。

评分

参与人数 2三维币 +53 收起 理由
月光族 + 50 楼主悬赏奖励,感谢对三维的支持。
pangpang + 3 应助

查看全部评分

发表于 2010-6-10 23:28:10 | 显示全部楼层 来自: 中国上海
那位老大,能在讲的详细点么,谢谢
发表于 2010-6-11 17:48:22 | 显示全部楼层 来自: 中国山西晋中
本帖最后由 112332wu 于 2010-6-11 18:50 编辑
$ x9 \8 B5 F4 [$ P8 G
+ ?9 j4 r  h  r; \& ]这个电路图没有标清辅助触点,加以修改想说明以下几点:' k7 U8 s: X  p( Q+ e( X! |/ N
    1、主回路中:L1、L2、L3为三相交流电源,QS为刀闸隔离开关,FU1为主回路熔断器,FU2为控制回路熔断器(熔断器是短路保护),KM是接触器,FR为热继电器是过载保护,
: A7 F! E0 R5 f. o/ W  Y, l; Z    2、控制回路:从线0和线1开始部分,(数字0-8为线号方便接线和检修),其中包括按钮SB1、SB2,时间继电器KT1、KT2,中继电器KA,还包括主回路电气件的一些触点。
) N; B5 Z% H. @9 y* F) V* f    3、电气原理:1 Z' f5 K/ E! r! L
启动 按下SB1-KT112闭合并自保,KT1开始计时,KT2得电同时KT212闭合-KT1时间到,KT134闭合-KA得电-KA56闭合,-KM得电并KM34自保,KM12断开KT1;电机启动4 Y( w% N( }+ \1 W1 J
停机 按下SB2-KA失电-KA12、KA34、KA56断开-KT2失电并开始计时-KT2时间到KT212断开,KM34断开,电机停止。
电路图.jpg
时间继电器原理.jpg

评分

参与人数 2三维币 +53 收起 理由
月光族 + 50 楼主悬赏奖励,感谢对三维的支持。
pangpang + 3 应助

查看全部评分

发表于 2010-6-13 02:25:27 | 显示全部楼层 来自: 中国湖北武汉
此图的关键在于两个延时继电器上:
/ _: h; G% C$ m- jKT1是通电延时继电器,这个继电器的线圈得电时,要过一会儿它的触点才会动作,而掉电时则是立即动作;) v: o4 A, Q6 z
KT2是断电延时继电器,在线圈得电时,触点立即动作,而在掉电时,继电器的触点则要过一会儿才会动作。/ |4 Y. W' K, P5 z) L1 J+ u
以上是这两种继电器的区别,也是解读本图的关键。

评分

参与人数 2三维币 +53 收起 理由
月光族 + 50 楼主悬赏奖励,感谢对三维的支持。
pangpang + 3 应助

查看全部评分

 楼主| 发表于 2010-6-13 07:56:49 | 显示全部楼层 来自: 中国上海
时间继电器上还有瞬时常开,瞬时常闭,该又怎么理解么,谢谢
发表于 2010-6-13 08:37:52 | 显示全部楼层 来自: 中国湖北潜江
借用五楼的图用下。
6 M- W& F% L4 q: J( v/ L看延时接点的方法主要是看那个“(”的方向,“(”圆心所在的方向为延时动作方向,反方向为瞬时动作方向。在图上我已标明,自已观察,就能找到规律。
延时接点.jpg
发表于 2010-6-13 09:01:41 | 显示全部楼层 来自: 中国山西晋中
该图中用了以下两种时间继电器,而断电延时时间继电器与我们一般理解有点不同,需注意!
5 P6 U+ ^2 B8 v; ]* D7 F. c     通电延时继电器:线圈一旦通电,瞬时触头立即动作,即常开触头立即变为合,而常闭触头立即变为断开。时间继电线圈若一直处于通电状态,则上述状态将一直保持。
- I) ^9 o3 U, H+ Y" w% P* e6 L* S$ E2 @   断电延时时间继电器:当断电延时时间继电器的“线圈”断电时:延时常开接点——经过设定时间后断开,延时常闭接点——经过设定时间后接通,瞬时常开接点——立刻断开,瞬时常闭接点——立刻接通
 楼主| 发表于 2010-6-13 10:16:35 | 显示全部楼层 来自: 中国上海
我可以这样理解么?
  w6 }, ~% q& F, C+ j( k! i图b是通电延时线圈      瞬时常开接点——立刻断开+ Q* N: G- J7 e, b8 K  p- v( L5 Z
图c是断电延时线圈       瞬时常闭接点——立刻接通
555.jpg
发表于 2010-6-13 10:23:51 | 显示全部楼层 来自: 中国山西晋中
你上面对断电延时时间继电器的理解还不是太准确,你可以再看一下。
2 h" n- d2 o$ m0 O4 O5 ?! U当断电延时时间继电器的“线圈”断电时:瞬时常开接点——立刻断开,瞬时常闭接点——立刻接通,反之通电延时继电器是在通电时进行的动作。
 楼主| 发表于 2010-6-13 10:46:43 | 显示全部楼层 来自: 中国上海
是我理解反了,对挖,楼上的朋友
发表于 2010-6-13 11:09:56 | 显示全部楼层 来自: 中国浙江湖州
发表一看发:此电路图有错误,可以延时起动,但不能停止。原因为时间继电器KT1、KT2通电后有KT1辅助触点自保,KM接触器通电后,有KM,KT2自保。停KA是没用的。
 楼主| 发表于 2010-6-13 11:30:06 | 显示全部楼层 来自: 中国上海
那你说说,错在哪里了呢,具体点
发表于 2010-6-13 13:08:20 | 显示全部楼层 来自: 中国浙江绍兴
那你说说,错在哪里了呢,具体点
, @% s! I" |+ I3 x4 J  l* f4 Isiemens70 发表于 2010-6-13 11:30 http://www.3dportal.cn/discuz/images/common/back.gif

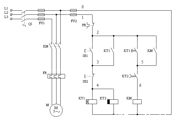
. t; @8 G4 b9 e: L( x4 I; x7 p图是没错,也可行.只是略显复杂了。现发张简单易懂的原理图.
1.png

评分

参与人数 1三维币 +1 收起 理由
lsq12345 + 1 技术讨论

查看全部评分

发表于 2010-6-13 13:16:37 | 显示全部楼层 来自: 中国山西运城
通电延时启动,断电延时断开
 楼主| 发表于 2010-6-13 13:31:50 | 显示全部楼层 来自: 中国上海
这个就是多了个中间继电器
发表于 2010-6-13 14:18:19 | 显示全部楼层 来自: 中国上海
谁能给我们新手讲讲15的图的原理,小弟谢谢了
发表于 2010-6-14 08:53:24 | 显示全部楼层 来自: 中国广东汕头
启动 按下SB1-KT1,KT2得电,kt1  2-3同闭自保,KT1  2-5开始计时,KT2得电同KT2 5-6闭合-KT1时间到,KT12-5闭合-KM得电并KM2-5自保;电机启动
& M3 E% M  k! x  l* w 按下SB2-断开-KT1,失电,KT1 2-3,KT1  2-5断开,KT2失电并开始计时-KT2时间到KT2  5-6断开,KM断开,电机停止。
发表于 2010-6-14 09:55:08 | 显示全部楼层 来自: 中国江苏苏州
这种电路图在机床电气设计一书中都有介绍,属于典型电路。
发表于 2010-6-14 10:57:56 | 显示全部楼层 来自: 中国重庆
小芝麻官画的系统图已经很明确了,没有问题呀,为什么不采纳呢
发表于 2010-6-14 15:09:33 | 显示全部楼层 来自: 中国四川资阳
上面的简单易懂的原理图很好,可以实现同样的功能
发表回复
您需要登录后才可以回帖 登录 | 注册

本版积分规则


Licensed Copyright © 2016-2020 http://www.3dportal.cn/ All Rights Reserved 京 ICP备13008828号

小黑屋|手机版|Archiver|三维网 ( 京ICP备2023026364号-1 )

快速回复 返回顶部 返回列表