QQ登录

只需一步,快速开始

登录 | 注册 | 找回密码

三维网

 找回密码
 注册

QQ登录

只需一步,快速开始

展开

通知     

全站
4天前
查看: 1634|回复: 4
收起左侧

[求助] 谁给个叠加阀上下盖示意图

[复制链接]
发表于 2010-6-11 17:11:09 | 显示全部楼层 |阅读模式 来自: 中国四川攀枝花

马上注册,结识高手,享用更多资源,轻松玩转三维网社区。

您需要 登录 才可以下载或查看,没有帐号?注册

x
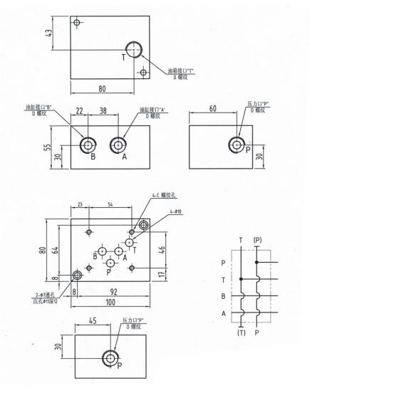
MBP-03B
* R/ n/ Y, r  M% hMRP-03C叠加使用,谁给个上下盖示意图,谢谢了!
# |; U1 `3 H- |; N8 C1 y4 D- ^% L1 Y上盖装压力表哈4 |- h+ J0 @" W; X* W: n
下盖为主油路
发表于 2010-6-11 17:18:24 | 显示全部楼层 来自: 中国江苏扬州
这是标准的可外购,HP有
 楼主| 发表于 2010-6-12 08:14:32 | 显示全部楼层 来自: 中国四川攀枝花
咋没有热心人呢?我在网上找了半天没有哇
发表于 2010-6-12 08:39:44 | 显示全部楼层 来自: 中国湖北襄阳
厂家不一样,产品代号不一样,没说清楚别人不好帮你。  I( m" r% _9 ]8 q5 b
你这个应是10通径叠加式溢流阀,叠加阀上面应装其它叠加阀,压力表口在下面底板块上,可以自已设计或选用阀厂家的标准结构。
mbp1.JPG
mbp2.JPG
 楼主| 发表于 2010-6-12 09:29:25 | 显示全部楼层 来自: 中国四川攀枝花
谢谢我懂了
/ ?, m* k7 u$ T, i2 W' A* u1、泄油口相通到油箱
+ X) b5 `" M# {" B0 G3 Y* o2、A、B从主油路取油- q; E4 h0 U- ?7 F( z  D6 p
3、压力表安装在“P”口
1 O7 v3 F+ t$ X不知对不?
发表回复
您需要登录后才可以回帖 登录 | 注册

本版积分规则

Licensed Copyright © 2016-2020 http://www.3dportal.cn/ All Rights Reserved 京 ICP备13008828号

小黑屋|手机版|Archiver|三维网 ( 京ICP备2023026364号-1 )

快速回复 返回顶部 返回列表