QQ登录

只需一步,快速开始

登录 | 注册 | 找回密码

三维网

 找回密码
 注册

QQ登录

只需一步,快速开始

展开

通知     

全站
3天前
查看: 2642|回复: 17
收起左侧

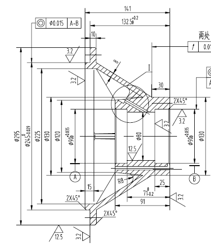
[求助] 这个零件怎么画

[复制链接]
发表于 2010-6-14 23:37:45 | 显示全部楼层 |阅读模式 来自: 中国福建漳州

马上注册,结识高手,享用更多资源,轻松玩转三维网社区。

您需要 登录 才可以下载或查看,没有帐号?注册

x
QQ截图未命名1.png QQ截图未命名2.png QQ截图未命名3.png 会画的帮忙传个源文件
发表于 2010-6-15 08:35:43 | 显示全部楼层 来自: 中国山东烟台
轮毂吗?你告诉我型号就OK
发表于 2010-6-15 08:55:42 | 显示全部楼层 来自: 中国浙江湖州
兄弟啊你的切面图我怎么看是上下部对称的啊
发表于 2010-6-15 09:22:31 | 显示全部楼层 来自: 中国广东肇庆
需要再给一个侧视图才行啊
发表于 2010-6-15 09:32:27 | 显示全部楼层 来自: 中国浙江湖州
我们很希望你给处全图。。。。谢谢!
 楼主| 发表于 2010-6-15 09:40:50 | 显示全部楼层 来自: 中国福建漳州
原图就是那个样子的
发表于 2010-6-15 09:53:22 | 显示全部楼层 来自: 中国浙江湖州
6# daying907 1 b* a6 J5 y  z& R, ]0 K
我怎么看剖面图怎么就上下不对称那
发表于 2010-6-15 10:42:52 | 显示全部楼层 来自: 中国福建厦门
少视图,画不出来的~  剖面的位置也不清楚~
发表于 2010-6-15 10:54:35 | 显示全部楼层 来自: 中国江苏常州
楼主应该提出具体有什么困惑的地方。
发表于 2010-6-15 12:10:56 | 显示全部楼层 来自: 中国广东肇庆
7# lihuan0504
9 d% f) Y" M  l! }) G* V
6 i, H$ ~8 r" E/ H对称是没问题的,图本身是没问题,就是少视图不完整
 楼主| 发表于 2010-6-15 19:00:34 | 显示全部楼层 来自: 中国福建漳州
http://www.3dportal.cn/discuz/viewthread.php?tid=917215&page=1&fromuid=1257945#pid4908737
0 M# M& u2 Y4 R. j: `( _4 d# f
我就是局部放大那块画不出来
发表于 2010-6-15 20:22:25 | 显示全部楼层 来自: 中国四川内江
看起来比较复杂,但并不难。一步步的上,不是大问题。
发表于 2010-6-15 23:46:29 | 显示全部楼层 来自: 中国台湾
標準三視圖,怎少一張 (有意解決問題請把檔案,或部分細微補上)
发表于 2010-6-16 01:30:37 | 显示全部楼层 来自: 中国广东肇庆
本帖最后由 未济 于 2010-6-16 08:10 编辑
5 q& @8 R' `6 r' z  E
% Q% ]" ~) g3 K. @放大视图左边视图上面尺寸20,30何用,有没想过
发表于 2010-6-16 07:01:49 | 显示全部楼层 来自: 中国湖北武汉
最好将你未画完的图源文件发上来我们看看,这样可以省省大家的时间?
发表于 2010-6-16 13:51:44 | 显示全部楼层 来自: 中国浙江宁波
这个零件应该不难的,
发表于 2010-6-25 22:05:47 | 显示全部楼层 来自: 中国广东佛山
总说不难就是总没人画出来
发表于 2010-6-26 11:24:34 | 显示全部楼层 来自: 中国辽宁大连
图纸肯定是有问题的了,不过很有鬼子的风格啊!参照楼主图纸画了一下,仅供参考,自己也没底啊。。。。:loveliness::loveliness::loveliness::loveliness:

零件.rar

345.36 KB, 下载次数: 13

评分

参与人数 1三维币 +3 收起 理由
chenjun520601 + 3 应助,非常不错,刚发帖即参与技术应助,希望以后多多参与技术类帖子

查看全部评分

发表回复
您需要登录后才可以回帖 登录 | 注册

本版积分规则


Licensed Copyright © 2016-2020 http://www.3dportal.cn/ All Rights Reserved 京 ICP备13008828号

小黑屋|手机版|Archiver|三维网 ( 京ICP备2023026364号-1 )

快速回复 返回顶部 返回列表