QQ登录

只需一步,快速开始

登录 | 注册 | 找回密码

三维网

 找回密码
 注册

QQ登录

只需一步,快速开始

展开

通知     

全站
7天前
查看: 2279|回复: 9
收起左侧

[已解决] 求解电子图原理,重金悬赏之四

 关闭 [复制链接]
发表于 2010-6-15 12:32:47 | 显示全部楼层 |阅读模式 来自: 中国上海

马上注册,结识高手,享用更多资源,轻松玩转三维网社区。

您需要 登录 才可以下载或查看,没有帐号?注册

x
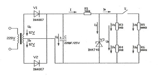
如图所示,是个电子图,麻烦那位哥们能帮我详细的讲讲这个图的原理。万望那位知道的能给于解答一下。详细解答者有100三维币的个人答谢。
4444.jpg
发表于 2010-6-15 14:40:25 | 显示全部楼层 来自: 中国河南郑州
4444.jpg / e5 e6 f2 T- a( _
应该是个验证稳压管功能的实验电路,闭合开关总体负载阻值减小,电压未变时Io变大,这时由于稳压管的作用Iz减小保证I不变来保证Uo不变!

评分

参与人数 1三维币 +52 收起 理由
pangpang + 52 赏金

查看全部评分

发表于 2010-6-15 16:13:50 | 显示全部楼层 来自: 中国黑龙江牡丹江
电路中 V1  V2 是全波整流  c为滤波电容使输出更加平滑   R1起着限流作用   V3 是一个稳压二级管  R3 R4  是这个电路的负载电阻   倒Z 是一个负荷开关他控制R5  R6.     电路中R5  R6   R3 R4 主要起着分流作用,  不至于让稳压管过流损坏(虽然稳压管工作在反向击穿状态,但是反向电流是受限制的。)

评分

参与人数 1三维币 +53 收起 理由
pangpang + 53 赏金

查看全部评分

发表于 2010-6-15 19:40:09 | 显示全部楼层 来自: 中国北京
本帖最后由 mtu12v 于 2010-6-15 19:49 编辑 / R. B1 @, O3 L- r1 R8 [4 Z6 V
5 n& m& P' G" d, Z8 X2 V6 \
全波整流后滤波所得电压 5 @* h3 |4 A$ D: B7 k
    Uc = 12V x 1.41 = 16.9V  B7 J: |* p( g: b3 j3 c
稳压二极管 V3 的稳压值查手册可知 1N4740 为 10V,即$ a# y% R' O) m+ p; E3 `
    Uo = 10V
+ T7 d; N  c" Z' I, LR1 上电流1 v8 b# Q' M- y
    I = (16.9 - 10) / 510 = 13.5mA: l' Q% e/ O% J- u" B
      U3=U4 = 10/2 = 5V  M, |% U' K6 M
忽略R5、R6上的电流
5 S6 B2 |6 x' M. _8 r      Io = 10 /( 2000+2000) = 2.5mA
% A5 {7 Z) _4 W9 x1 y9 N3 W. `9 f  }      Iz = I - Io = 13.5-2.5 = 11mA0 ~7 Z1 q# N& ]- z0 \
查手册可知 V3 电流处于正常工作状态。% r  i. A# D8 q3 }2 e
当开关合上时8 D( C2 J6 w& w
      U5 = U6 = 10/2 = 5V
0 e0 O; v/ {; c% W1 ]- a当开关断开时
$ p# k8 d& V. X      U5 = 0
5 `" G, n+ f) I; G/ R+ d      U6 = 0

评分

参与人数 1三维币 +53 收起 理由
pangpang + 53 赏金

查看全部评分

 楼主| 发表于 2010-6-16 20:42:35 | 显示全部楼层 来自: 中国上海
我还有一个不明白,就是在实际测量中,U3、U4的数值,会大于5伏,是什么道理
发表于 2010-6-16 21:14:04 | 显示全部楼层 来自: 中国辽宁鞍山
“我还有一个不明白,就是在实际测量中,U3、U4的数值,会大于5伏,是什么道理”% T8 p8 \. t! L+ B& h6 b; S1 X% ?
大于5V?大于多少?实际上稳压管在额定调整电流范围内(ΔI)它的电压基本稳定,若负载或电源电压波动会影响稳压管的稳定电压输出的,超过调整电流的负载变化,稳压管电压一定会变的。
发表于 2010-6-16 21:20:25 | 显示全部楼层 来自: 中国浙江绍兴
我还有一个不明白,就是在实际测量中,U3、U4的数值,会大于5伏,是什么道理
3 ?, M2 x! X- X4 W! S5 {/ xsiemens70 发表于 2010-6-16 20:42 http://www.3dportal.cn/discuz/images/common/back.gif

' _- X! Q  e4 v' M9 D6 h. P稳压二极管稳压标称值为10V,不一定就是10V,偏差正负百分之十都是正常的.

评分

参与人数 1三维币 +50 收起 理由
pangpang + 50 赏金

查看全部评分

 楼主| 发表于 2010-6-16 21:58:41 | 显示全部楼层 来自: 中国上海
哦,谢谢,我明白了
发表于 2010-6-17 08:31:02 | 显示全部楼层 来自: 中国广东汕头
本帖最后由 cylzwx 于 2010-6-17 08:50 编辑
; }: U" V& T$ d; _- i. d! s2 @" _5 f5 T4 w6 K- A; G
引用全波整流后滤波所得电压
4 ?: ]: J+ H- V) t$ p, i  空载时 Uc = 12V x 1.41 = 16.9V三维,cad' P1 H* D: N. r1 l5 |' _; r
负载时uc 应该   uc≈12vx1.2≈14.1

评分

参与人数 1三维币 +50 收起 理由
pangpang + 50 赏金

查看全部评分

 楼主| 发表于 2010-6-27 18:30:06 | 显示全部楼层 来自: 中国上海
我明白了,谢谢,那位路过的版主帮我处理一下,奖励2、3、4、7、9、楼的朋友每层三维币50个,钱从我这里扣

评分

参与人数 1三维币 -250 收起 理由
pangpang -250 支付赏金

查看全部评分

发表回复
您需要登录后才可以回帖 登录 | 注册

本版积分规则


Licensed Copyright © 2016-2020 http://www.3dportal.cn/ All Rights Reserved 京 ICP备13008828号

小黑屋|手机版|Archiver|三维网 ( 京ICP备2023026364号-1 )

快速回复 返回顶部 返回列表