QQ登录

只需一步,快速开始

登录 | 注册 | 找回密码

三维网

 找回密码
 注册

QQ登录

只需一步,快速开始

展开

通知     

全站
8天前
查看: 2515|回复: 9
收起左侧

[已解决] 求解电子图原理,重金悬赏之六

 关闭 [复制链接]
发表于 2010-6-16 15:54:48 | 显示全部楼层 |阅读模式 来自: 中国上海

马上注册,结识高手,享用更多资源,轻松玩转三维网社区。

您需要 登录 才可以下载或查看,没有帐号?注册

x
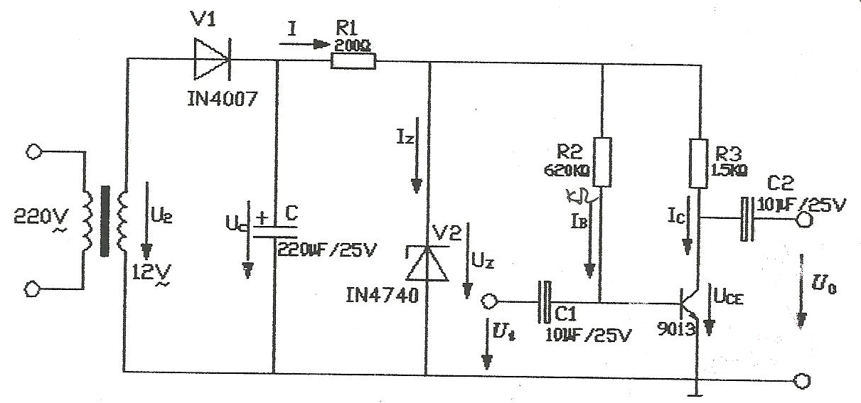
如图所示,是个电子图,麻烦那位哥们能帮我详细的讲讲这个图的原理。万望那位知道的能给于解答一下。详细解答者有100三维币的个人答谢。最主要就是UCE     IB   IC   是怎么算的,谢谢
QQ截图未命名.png
发表于 2010-6-16 19:02:18 | 显示全部楼层 来自: 中国浙江绍兴
楼主原来是从事什么专业的?现在想学电气?
4 T$ d* y3 T0 K: ]: m. H/ B电路分析:$ Z& Y! D8 D2 p9 C9 M9 }3 F& j" Q# p
           经变压器变压后的U2,经二极管V1半波整流,电解电容C滤波平滑后的直流电,再经R1和稳压管V2组成的并联稳压电路输出稳定的约10V的电压,给R2,R3,C1,C2及9013组成的单级单管交流放大电路供电。
* \+ X+ @- G% @+ Y4 E) _          先设三极管的β=60;Ube=0.7V/ S1 G- T6 v% J$ R$ m
          则IB=(10V-0.7V)/R2=9.3V/620K=0.015mA
+ g) z7 X+ `% r; e+ d             IC=β×IB=60×0.015=0.9mA, |  R+ s. N+ |* L& K
             Uce=10V-IC×R3=10-0.9×1.5=8.65V

评分

参与人数 1三维币 +53 收起 理由
pangpang + 53 赏金

查看全部评分

 楼主| 发表于 2010-6-16 19:16:13 | 显示全部楼层 来自: 中国上海
嗯,原来没有接触过电气,现在想学、感谢楼主的帮忙。
发表于 2010-6-17 09:28:40 | 显示全部楼层 来自: 中国上海
V1半波整流,C滤波,R1为V2限流,V2稳压后通过R2给9013提供偏置电压,C1为输入级耦合电容,R3为9013提供放大电流,C2为输出级耦合电容,这样9013只能放大交流信号

评分

参与人数 1三维币 +52 收起 理由
pangpang + 52 赏金

查看全部评分

发表于 2010-6-18 20:06:23 | 显示全部楼层 来自: 中国湖北孝感
这是一个由V1组成半波整流、C组成电容滤波,R1、V2组成稳压二极管稳压及9013、R2、R3、C1及C2共发射极放大电路组成的交流供电的小信号放大电路。( O9 c9 i) @; X* o3 H

0 `7 {& v# n9 h5 C6 Y: g! z$ p型  号: 1N4740 通用参数: 稳压,25mA,1W,稳定电压( n3 L5 I+ C  v( s
假定本电路能正常工作。
& b5 I7 {; C+ Z; \- u; V2 H三极管放大倍数为B
3 b+ M" d( O- C) s: _, |; C则基极电流Ib=(Uz-0.7)/R2" N+ k& |1 J# w: D
集电极电流Ic=B.Ib
& y% w: Z+ w& v0 A/ ]三极管压降Uce=Uz-R3Ic

评分

参与人数 1三维币 +52 收起 理由
pangpang + 52 赏金

查看全部评分

发表于 2010-6-24 09:47:45 | 显示全部楼层 来自: 中国辽宁朝阳
是音频放大电路
发表于 2010-6-25 21:00:54 | 显示全部楼层 来自: 中国江苏镇江
图不难,就是被人答了,分赚不到了...
发表于 2010-6-26 10:26:14 | 显示全部楼层 来自: 中国上海
小弟我问一下,像图中的稳压电压是怎么测量的呢
 楼主| 发表于 2010-6-27 17:52:07 | 显示全部楼层 来自: 中国上海
我明白了,谢谢,那位路过的版主帮我处理一下,奖励2,4,5楼的朋友每层三维币50个,钱从我这里扣

评分

参与人数 1三维币 -150 收起 理由
pangpang -150 支付赏金

查看全部评分

发表于 2010-6-27 21:49:03 | 显示全部楼层 来自: 中国河北廊坊
比如想测量5.1v的稳压值,可以用9v快没有电的万用表电池串联10k的电阻,将待测稳压电路的正负极分别接触到表笔正负极上。万用表所显示的电压值则为稳压值。
发表回复
您需要登录后才可以回帖 登录 | 注册

本版积分规则


Licensed Copyright © 2016-2020 http://www.3dportal.cn/ All Rights Reserved 京 ICP备13008828号

小黑屋|手机版|Archiver|三维网 ( 京ICP备2023026364号-1 )

快速回复 返回顶部 返回列表