QQ登录

只需一步,快速开始

登录 | 注册 | 找回密码

三维网

 找回密码
 注册

QQ登录

只需一步,快速开始

展开

通知     

全站
4天前
查看: 1931|回复: 5
收起左侧

[已答复] 导向键

[复制链接]
发表于 2010-6-17 15:36:10 | 显示全部楼层 |阅读模式 来自: 中国北京

马上注册,结识高手,享用更多资源,轻松玩转三维网社区。

您需要 登录 才可以下载或查看,没有帐号?注册

x
导向键的键槽该如何确定
发表于 2010-6-17 16:06:22 | 显示全部楼层 来自: 中国黑龙江佳木斯
本帖最后由 shifeng18 于 2010-6-17 16:16 编辑
- w' K; v6 P- r) g- h, b8 Y# i9 Q+ [9 F/ C. t$ R1 p0 k: `- A* t
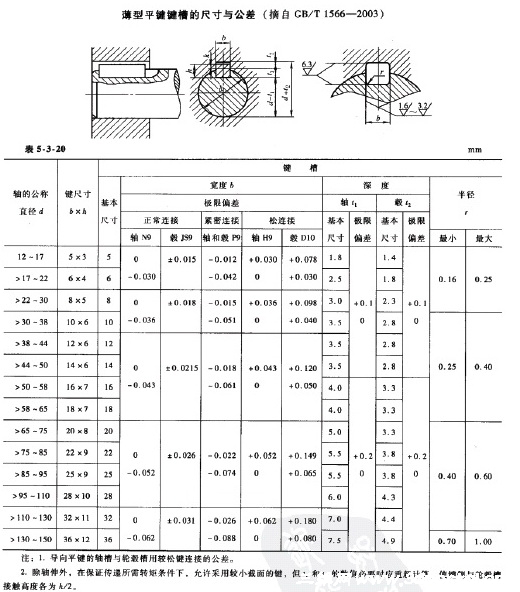
机械设计手册键连接篇有标准。见下图
1.jpg
1-1.jpg
发表于 2010-6-17 16:22:17 | 显示全部楼层 来自: 中国河北
1、确定导向键的类型和公称尺寸
1 G( q# j6 w, E% W* Y9 Y/ p2 \6 m
5 O/ V( Q, I8 E3 p* z2、对于导向平键,键槽和键用较松的连接。
& o6 x" t# T- p+ \$ B3 O
( k" F& n7 L: @9 _3 B" Q3、查表确定键槽及其公差。
1.JPG
2.JPG
3.JPG
4.JPG
发表于 2010-6-20 15:23:17 | 显示全部楼层 来自: 中国山东烟台
楼主这样的问题完全可以查手册啊。。几乎每本书上都有说
发表于 2010-6-26 17:16:09 | 显示全部楼层 来自: 中国重庆
楼主,你是不是搞机械行业的?
发表于 2010-6-26 20:51:36 | 显示全部楼层 来自: 中国上海
建议楼主安装机械设计3.0软件,你要的都有。
发表回复
您需要登录后才可以回帖 登录 | 注册

本版积分规则

Licensed Copyright © 2016-2020 http://www.3dportal.cn/ All Rights Reserved 京 ICP备13008828号

小黑屋|手机版|Archiver|三维网 ( 京ICP备2023026364号-1 )

快速回复 返回顶部 返回列表