QQ登录

只需一步,快速开始

登录 | 注册 | 找回密码

三维网

 找回密码
 注册

QQ登录

只需一步,快速开始

展开

通知     

查看: 3170|回复: 13
收起左侧

[分享] 钻套图

[复制链接]
发表于 2010-6-18 08:47:50 | 显示全部楼层 |阅读模式 来自: 中国山东青岛

马上注册,结识高手,享用更多资源,轻松玩转三维网社区。

您需要 登录 才可以下载或查看,没有帐号?注册

x
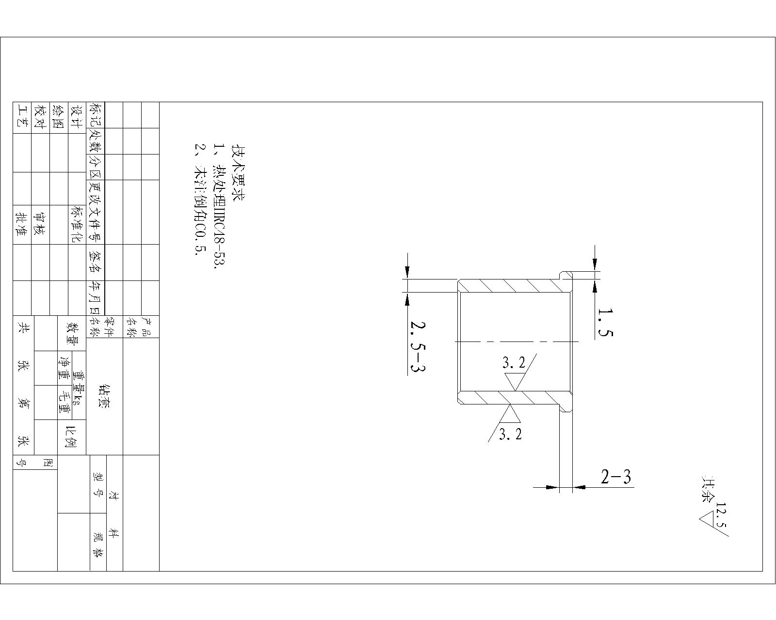
本人在实际工作中累计钻套CAD图,实用、成本低。
钻套-Model.jpg
发表于 2010-6-18 09:36:41 | 显示全部楼层 来自: 中国上海
楼主画的?,再接再厉.
发表于 2010-6-18 10:14:10 | 显示全部楼层 来自: 中国山东烟台
哥,你的图档中热处理要求是不是不对啊!跨度太大怎么热处理啊!使用的什么材质啊!硬质合金吗?  O0 x# `6 p& m, E$ K
最好内外孔有同轴度要求!粗糙度略低!
 楼主| 发表于 2010-6-18 15:59:18 | 显示全部楼层 来自: 中国山东青岛
热处理硬度是HRC48-53.跨度不大呀,材质是T8
发表于 2010-6-20 14:06:12 | 显示全部楼层 来自: 中国山东烟台
这个应该有标准。建立查一下,我们公司都45#的。。
# `0 n  p( J9 @* M
$ f# z$ w7 p1 G! Y! i粗糙度有点低,没有同轴要求。。
发表于 2010-8-3 17:40:59 | 显示全部楼层 来自: 中国山东东营
谢谢,学习一下,
发表于 2010-8-3 18:27:29 | 显示全部楼层 来自: 中国湖北荆州
壁厚有点薄,容易变形。我们都用20CRMNTI渗碳淬火,效果不错的。
发表于 2010-8-4 14:00:30 | 显示全部楼层 来自: 中国山东青岛
硬度没问题,缺少同轴度,钻套厚度好像没有这么标的 外径内径   粗糙度0.8或1.6
发表于 2010-8-4 14:02:13 | 显示全部楼层 来自: 中国山东青岛
还没高度~~~~
发表于 2010-8-7 19:14:37 | 显示全部楼层 来自: 中国江苏镇江
我们公司做钻模套的材料均为CrWMn,热处理为:HRC58-62,热后的加工工艺是:当内孔小于10是直接穿心轴磨外圆,当外圆大于12时先磨内孔,再穿心轴磨外圆。
头像被屏蔽
发表于 2010-10-18 12:49:24 | 显示全部楼层 来自: 中国浙江绍兴
提示: 作者被禁止或删除 内容自动屏蔽
发表于 2010-10-30 12:08:15 | 显示全部楼层 来自: 中国山东泰安
原来设计资料上材料小的选T10A,大的一般用20Cr渗碳。热处理58-64HRC。
发表于 2010-11-24 23:27:55 | 显示全部楼层 来自: 中国北京
这图问题还是不少:
; t1 ?& y% w, ~# y1 D3 B1。这图缺少尺寸,更不说公差了
& Q8 S6 D' \" c2。为什么不标直径?这东西是方的?+ [5 Z! S/ e1 J, |1 T7 f
3。怎么会没有几何公差的要求?
5 t( j, e0 |5 j- Y% |: W4。钻套的内孔倒角是否太小了?孔到底多大?
) _( @+ @1 Y# X& o2 B5。硬度的跨大也忒大了吧
: u( @! O3 R. h% H* p0 C( ~6。表面粗糙度标注有问题
8 U4 j/ i3 f4 I7。没有材料、没有比例
, p& b8 v" c- d6 T- \! h8。没有退刀槽
% J5 M* P+ E  o! v/ f0 {9 e9。。。。。
发表于 2010-11-25 10:50:27 | 显示全部楼层 来自: 中国湖北武汉
有谁可以做好直接卖给我,谢了0 u9 }5 ~, S" Z% }6 `) ]

) E  ^6 G. v) `5 X! Y; Xlianq.wu@yahoo.com.cn
发表回复
您需要登录后才可以回帖 登录 | 注册

本版积分规则


Licensed Copyright © 2016-2020 http://www.3dportal.cn/ All Rights Reserved 京 ICP备13008828号

小黑屋|手机版|Archiver|三维网 ( 京ICP备2023026364号-1 )

快速回复 返回顶部 返回列表