QQ登录

只需一步,快速开始

登录 | 注册 | 找回密码

三维网

 找回密码
 注册

QQ登录

只需一步,快速开始

展开

通知     

查看: 1782|回复: 8
收起左侧

[求助] 求助一个加工方面的问题

[复制链接]
发表于 2010-6-22 09:03:36 | 显示全部楼层 |阅读模式 来自: 中国浙江杭州

马上注册,结识高手,享用更多资源,轻松玩转三维网社区。

您需要 登录 才可以下载或查看,没有帐号?注册

x
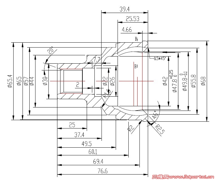
铣球笼的沟道时,是怎么选择球头铣刀的,有加工这方面产品的朋友,请帮帮忙呀!
发表于 2010-6-23 11:19:49 | 显示全部楼层 来自: 中国四川德阳
上图啊!!!!!
发表于 2010-6-23 16:16:58 | 显示全部楼层 来自: 中国北京
没有图很难理解
发表于 2010-6-23 16:31:35 | 显示全部楼层 来自: 中国江苏泰州
发一个图看看
 楼主| 发表于 2010-6-24 10:55:27 | 显示全部楼层 来自: 中国浙江杭州
上图了,大家帮帮忙

111.rar

380.15 KB, 下载次数: 3

发表于 2010-6-24 11:25:27 | 显示全部楼层 来自: 中国广东深圳
流量不够看不到,不能把图贴出来啊!
发表于 2010-6-24 15:32:23 | 显示全部楼层 来自: 中国江苏无锡
老兄帮忙还要流量啊 !!!
 楼主| 发表于 2010-6-24 16:47:15 | 显示全部楼层 来自: 中国浙江杭州
贴图不行呀,不会操作呀

12-Model.pdf

87.52 KB, 下载次数: 3

发表于 2010-6-25 07:27:22 | 显示全部楼层 来自: 中国江西九江
截图
1.jpg
发表回复
您需要登录后才可以回帖 登录 | 注册

本版积分规则


Licensed Copyright © 2016-2020 http://www.3dportal.cn/ All Rights Reserved 京 ICP备13008828号

小黑屋|手机版|Archiver|三维网 ( 京ICP备2023026364号-1 )

快速回复 返回顶部 返回列表