QQ登录

只需一步,快速开始

登录 | 注册 | 找回密码

三维网

 找回密码
 注册

QQ登录

只需一步,快速开始

展开

通知     

全站
3天前
查看: 2093|回复: 18
收起左侧

[求助] A4VG闭式泵行走“悠车”

[复制链接]
发表于 2010-6-22 18:52:39 | 显示全部楼层 |阅读模式 来自: 中国四川成都

马上注册,结识高手,享用更多资源,轻松玩转三维网社区。

您需要 登录 才可以下载或查看,没有帐号?注册

x
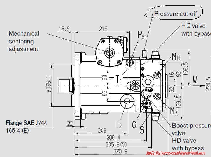
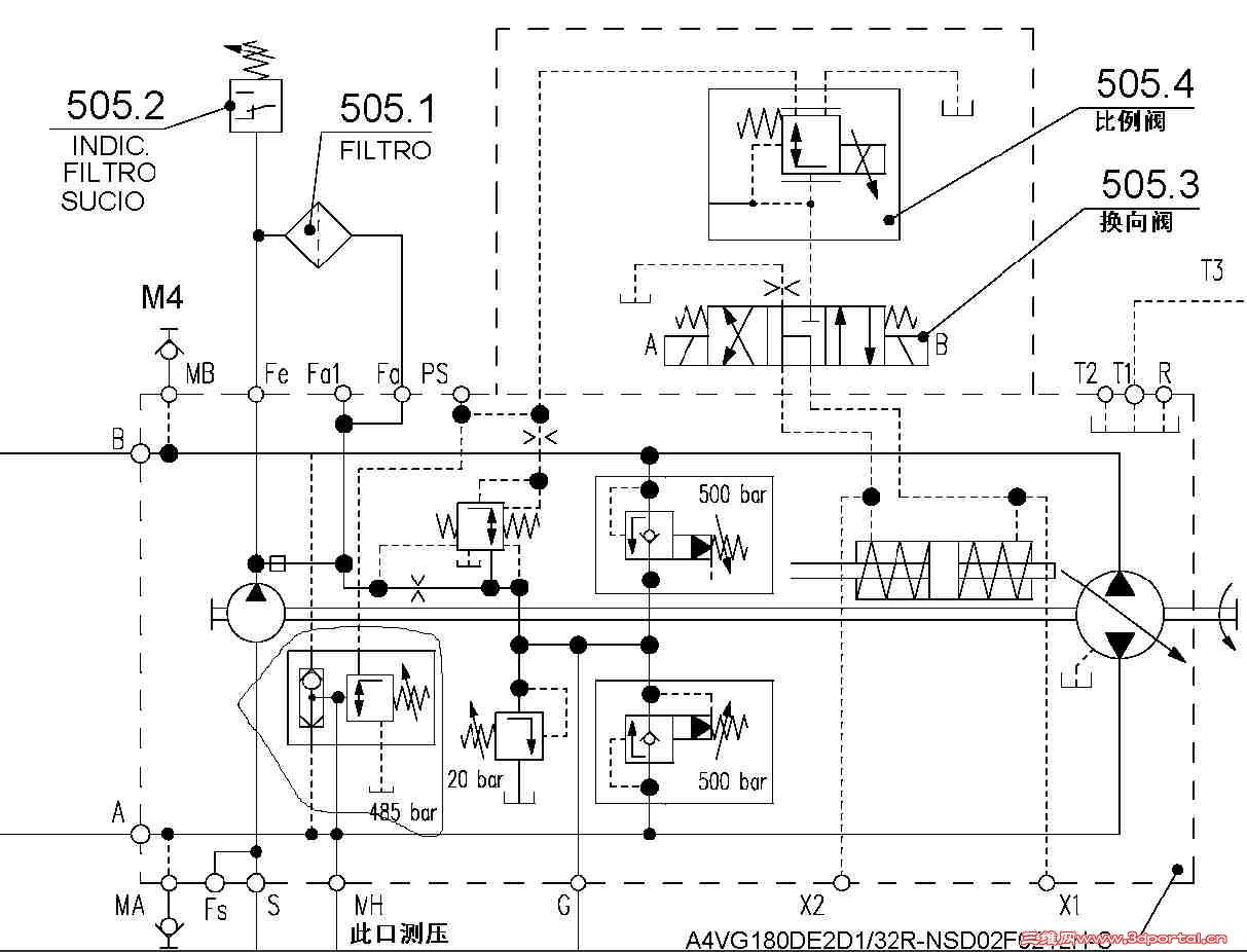
我单位飞机牵引车,泵液压图附后,在MH处接压力表,车辆在行走时,油门位置固定,观察压力表,压力值上下摆动,车辆走的忽忽悠悠的,请各位高手指教一下,是什么原因造成的。另外此比例电磁阀为Rexroth MC 6H/32 控制

A4VG液压泵.pdf

11.53 KB, 下载次数: 30

发表于 2010-6-22 19:50:57 | 显示全部楼层 来自: 中国江苏徐州
估计是系统没有匹配好。
 楼主| 发表于 2010-6-22 20:16:20 | 显示全部楼层 来自: 中国四川成都
2# sodou 美国著名品牌FMC,此产品在世界各大机场均有应用,已经很多年了,此车发生的是故障,没有此故障之前,一切正常。
发表于 2010-6-23 08:59:07 | 显示全部楼层 来自: 中国浙江杭州
液压系统出现问题了,这种现象应该说是爬行现象!
发表于 2010-6-23 09:38:58 | 显示全部楼层 来自: 中国浙江杭州
这个问题应该是系统造成的,如果可以把系统图发给我我帮忙看看,qq:1295218103
发表于 2010-6-23 12:01:28 | 显示全部楼层 来自: 中国北京
看了原理图,得知此闭式泵有DA阀,压力切断阀,比例减压阀和一个比例电磁阀5 p: [( c- {2 r) o7 y) k9 D
根据楼主提示在MH处出现问题,即压力切断阀出现问题啦4 e& H$ q2 O; }  a
解决建议更换压力切断阀
; s* E+ o7 `8 X 11.JPG
. n) P- ~+ @* M) O% K9 @2 ?+ l 22.JPG
 楼主| 发表于 2010-6-23 12:26:13 | 显示全部楼层 来自: 中国四川成都
6# zuozuo520
3 u+ x5 p; G0 SMH处测压其实就是系统的工作压力,不管前进还是后退,都会显示工作压力。虽然图上有DA阀,好像实物上没有DA阀,他是靠比例电磁阀来动作的
发表于 2010-6-23 13:10:45 | 显示全部楼层 来自: 中国四川成都
有个系统图就才好看啊
发表于 2010-6-23 15:42:17 | 显示全部楼层 来自: 中国天津
流量不稳,看一下管啊。
 楼主| 发表于 2010-6-24 03:15:56 | 显示全部楼层 来自: 中国四川成都
8# dirina 2 C4 n) p- ^, U2 Y4 q7 N& F
液压系统图

Hydraulic.pdf

1.84 MB, 下载次数: 52

发表于 2010-6-24 20:58:05 | 显示全部楼层 来自: 中国浙江宁波
要不看一下比例电磁铁那是否有滞环。还有,你的冲洗阀设定压力是不是要低于补油泵压力,才能发挥效果。
发表于 2010-6-24 23:11:05 | 显示全部楼层 来自: 中国北京
7# HermanZhao
- E$ N2 r, F3 {- Z& w$ b我指的是压力切断阀是否出现故障啊 DA阀和压力切断阀不是一回事
发表于 2010-6-25 11:15:29 | 显示全部楼层 来自: 中国北京
应该是有阀被卡住了  我估计是补油溢流阀油问题了
发表于 2010-6-25 18:51:08 | 显示全部楼层 来自: 中国上海
此时压力表多大?也许负载太大的原因。
头像被屏蔽
发表于 2010-6-26 21:00:45 | 显示全部楼层 来自: 中国河北秦皇岛
提示: 作者被禁止或删除 内容自动屏蔽
 楼主| 发表于 2010-6-30 23:05:13 | 显示全部楼层 来自: 中国四川成都
14# zxx960629 空载一样压力上下忽悠,压力范围根据油门深度不同而最高值有区别,我踩地油门保持位置,油压大概在25-100Bar之间摆动
 楼主| 发表于 2010-6-30 23:06:39 | 显示全部楼层 来自: 中国四川成都
13# dayang9748 烦请详细解释一下,我不是太明白。
 楼主| 发表于 2010-7-9 17:21:46 | 显示全部楼层 来自: 中国四川成都
给位大侠都保持沉默了,有没有负载相关性呢?
发表于 2010-7-10 21:38:56 | 显示全部楼层 来自: 英国
出现这个现象,与流量变化了有关系,可能一是泵的压力设定太低,而是马达排量出现变化,三是冲洗阀的流量影响了系统。
发表回复
您需要登录后才可以回帖 登录 | 注册

本版积分规则

Licensed Copyright © 2016-2020 http://www.3dportal.cn/ All Rights Reserved 京 ICP备13008828号

小黑屋|手机版|Archiver|三维网 ( 京ICP备2023026364号-1 )

快速回复 返回顶部 返回列表