QQ登录

只需一步,快速开始

登录 | 注册 | 找回密码

三维网

 找回密码
 注册

QQ登录

只需一步,快速开始

展开

通知     

查看: 5484|回复: 17
收起左侧

[已答复] 请教基准符号标注问题

[复制链接]
发表于 2010-6-23 12:31:28 | 显示全部楼层 |阅读模式 来自: 中国上海

马上注册,结识高手,享用更多资源,轻松玩转三维网社区。

您需要 登录 才可以下载或查看,没有帐号?注册

x
1-Model.jpg           2-Model.jpg
发表于 2010-6-23 12:41:53 | 显示全部楼层 来自: 中国上海
标准中没有这样的基准标注方法。1 D% n- f8 I+ ^" O' V; J
基准标注对准中心线时,基准是这个尺寸的确定的要素的中心线,29.00这个尺寸是不存在中心线的,所以可以说这种标法是错误的。

评分

参与人数 1三维币 +2 收起 理由
plc + 2 应助

查看全部评分

发表于 2010-6-23 12:42:13 | 显示全部楼层 来自: 中国江苏常州
上图肯定是表示下平面是A基准;2 Q/ j, c3 W+ G+ {5 ^6 z2 j7 [) O
下图应该是表示中心线是A基准,这种标法现在还允许吗?1 F% p! p2 |* _8 Q8 ~' H6 W
两图中A基准的标注均不宜对准尺寸线,容易误解。

评分

参与人数 1三维币 +2 收起 理由
plc + 2 应助

查看全部评分

 楼主| 发表于 2010-6-23 12:47:22 | 显示全部楼层 来自: 中国上海
第一图为国外图纸这样标注的,第二图为我们公司转化图纸的给转化成这样的,我觉得有些问题,但又不确定。 3# ftgww123
 楼主| 发表于 2010-6-23 12:57:12 | 显示全部楼层 来自: 中国上海
标准中没有这样的基准标注方法。
, c2 u, c' |3 H. ^8 f5 L/ k基准标注对准中心线时,基准是这个尺寸的确定的要素的中心线,29.00这个尺寸是不存在中心线的,所以可以说这种标法是错误的。
9 b3 T* z6 b- b& v# D# Q  @lhf999 发表于 2010-6-23 12:41 http://www.3dportal.cn/discuz/images/common/back.gif
我说的中心线是指圆心所在的中心线
发表于 2010-6-23 13:34:33 | 显示全部楼层 来自: 中国江苏常州
第一图为国外图纸这样标注的,第二图为我们公司转化图纸的给转化成这样的,我觉得有些问题,但又不确定。 3# ftgww123
2 T3 _' S' x  C" J2 V, B4 G/ H( v" v豆豆. 发表于 2010-6-23 12:47 http://www.3dportal.cn/discuz/images/common/back.gif
% P0 D7 x: Z' f! U" u! d
既然是国外图纸,最好上传全图,便于分析。

评分

参与人数 1三维币 +2 收起 理由
plc + 2 应助

查看全部评分

发表于 2010-6-23 13:36:08 | 显示全部楼层 来自: 中国江苏常州
我说的中心线是指圆心所在的中心线
% K# P+ C2 V* y, g6 }$ Q7 S豆豆. 发表于 2010-6-23 12:57 http://www.3dportal.cn/discuz/images/common/back.gif
/ w1 m4 u' O; d9 m0 Q6 h
专指圆心所在的中心线就更没有这样的标法了。

评分

参与人数 1三维币 +2 收起 理由
plc + 2 应助

查看全部评分

 楼主| 发表于 2010-6-23 15:20:27 | 显示全部楼层 来自: 中国上海
公司不允许啊,待我修饰以后,在上传看看 6# ftgww123
 楼主| 发表于 2010-6-23 16:20:02 | 显示全部楼层 来自: 中国上海
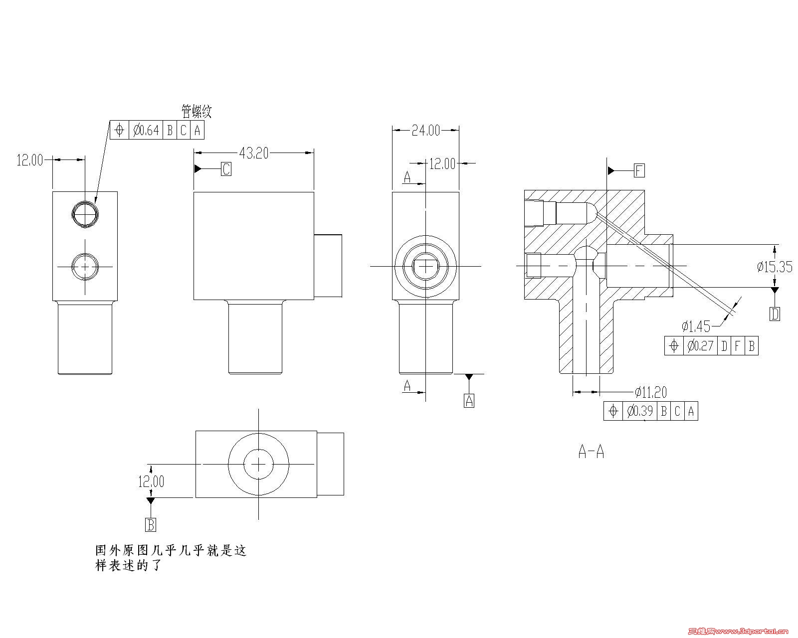
3-Model.jpg 原图大概就是这个样子的了
3 @. M( Q' \: W" {2 w$ ?, ^3 l 7# ftgww123
发表于 2010-6-26 11:50:20 | 显示全部楼层 来自: 中国四川德阳
表述有问题!!!!

评分

参与人数 1三维币 +2 收起 理由
plc + 2 应助

查看全部评分

发表于 2010-6-28 17:13:03 | 显示全部楼层 来自: 中国四川成都
从图上看,我理解是:B基准应该是指下面那个大面,因此,B基准不能与尺寸线箭头相对。图上的标注有问题!

评分

参与人数 1三维币 +2 收起 理由
plc + 2 应助

查看全部评分

发表于 2010-6-28 20:27:49 | 显示全部楼层 来自: 中国湖北鄂州
同意11楼啊! 指面的话B基准不能与尺寸线箭头相对,国外的图纸也不一定就是正确的啊·再说一个零件也没什么好保密的啊~

评分

参与人数 1三维币 +2 收起 理由
plc + 2 应助

查看全部评分

 楼主| 发表于 2010-6-29 14:38:06 | 显示全部楼层 来自: 中国上海
我也是觉得是那个面是基准面,由于原图还可以勉强理解为是面为基准但是一经转化图就彻底表达的不是同一个意思了啊 11# wll412
发表于 2010-6-29 16:31:10 | 显示全部楼层 来自: 中国江苏苏州
图纸标注不规范,但表述的意思很清楚。按图纸理解A基准是底面,B基准是侧面。实在担心问图纸方。

评分

参与人数 1三维币 +2 收起 理由
plc + 2 应助

查看全部评分

 楼主| 发表于 2010-6-30 09:19:57 | 显示全部楼层 来自: 中国上海
我也认为是面为B基准,但是我们公司的转化图是标准在中心线那个位置不就彻底表达的不是一个意思了,但又不确定 11# wll412
发表于 2010-6-30 09:52:04 | 显示全部楼层 来自: 中国湖南长沙
参考意见:1 I+ v7 t, ^9 O9 u9 ]& M
1)最好避免引起歧义的标注方式,具体可以参考GB,很显然,楼住的标注不甚规范;比如,如果是圆柱轴线为基准,则将基准符号标注在直径尺寸的边界线上且引线在尺寸线的延长线上,以平面为基准,则基准符号不要与尺寸线对齐而直接放置在平面要素的其它位置;  \( h6 |8 I; P0 b1 C) {
2)第一图只有一个视图,无法判断该面是平面还是圆柱面,如果是平面,则该平面是A基准,如果是柱面则该柱面的理想轴线是A基准;
9 o, d0 U1 {0 x: U这些问题其实是标注不规范导致的,个人意见供参考。

评分

参与人数 1三维币 +2 收起 理由
plc + 2 应助

查看全部评分

 楼主| 发表于 2010-6-30 10:39:28 | 显示全部楼层 来自: 中国上海
9#为我上传的全图,按照你的意思,如果不是回转体那就是,面为基准了,那我好像理解了,谢喽 16# poxiangzi

评分

参与人数 1三维币 +2 收起 理由
plc + 2 应助

查看全部评分

发表于 2010-6-30 11:15:35 | 显示全部楼层 来自: 中国河南焦作
看了你9楼的图,基准B应是43.20*24.00平面,转换后的图应能实现原设计意图,但标注不符合GB
发表回复
您需要登录后才可以回帖 登录 | 注册

本版积分规则


Licensed Copyright © 2016-2020 http://www.3dportal.cn/ All Rights Reserved 京 ICP备13008828号

小黑屋|手机版|Archiver|三维网 ( 京ICP备2023026364号-1 )

快速回复 返回顶部 返回列表