|
|

楼主 |
发表于 2010-6-26 10:00:08
|
显示全部楼层
来自: 中国上海
! I( r: ?, f3 a9 n, L' H* ^# i, @: W5 C |$ h+ [& X7 s% p
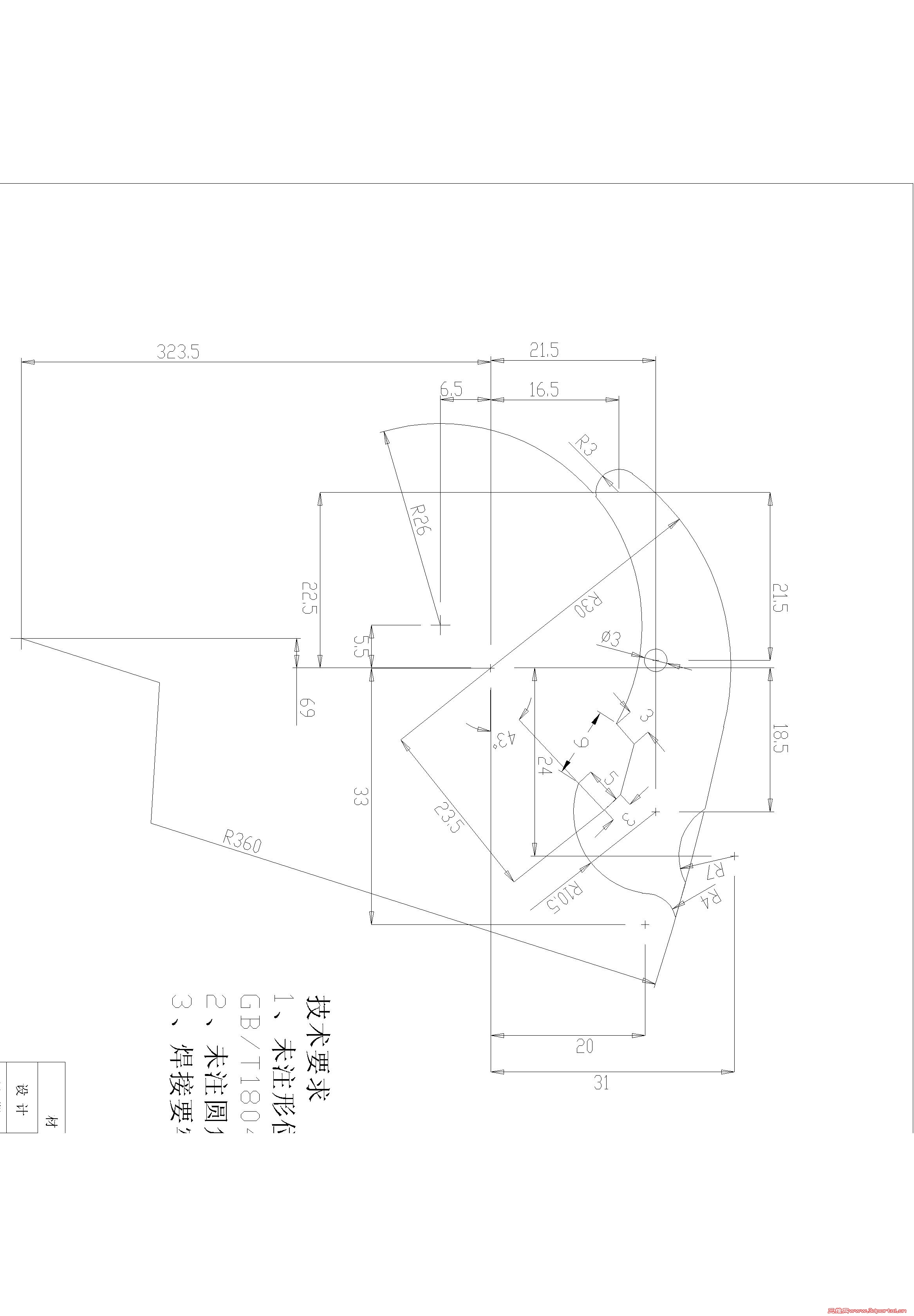
qiu zhu ,bu hao yi si ,tu ran ji zi chu le dian wen ti ,bu neng yong wu bi er qiu da bu chu han zi le .9 U7 m1 l- [' {. c
tu shang ji ben shi yang tiao qu xian zuo de ,ke shi mei fa biao zhu ,ran hou yong yuan hu chong hua guo le biao zhu de .you gao shou neng gao su wo you mei you shen me bie de fang fa bu ? |
|