QQ登录

只需一步,快速开始

登录 | 注册 | 找回密码

三维网

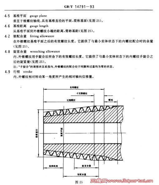
 找回密码
 注册

QQ登录

只需一步,快速开始

展开

通知     

全站
5天前
查看: 5199|回复: 2
收起左侧

[已解决] 求助:关于螺纹术语:装配余量等的通俗理解

 关闭 [复制链接]
发表于 2010-6-29 23:01:04 | 显示全部楼层 |阅读模式 来自: LAN

马上注册,结识高手,享用更多资源,轻松玩转三维网社区。

您需要 登录 才可以下载或查看,没有帐号?注册

x
本帖最后由 emop 于 2010-6-30 15:39 编辑 # t+ u4 o, Z& }% b
+ B) R8 c6 U. I) M1 y$ r- p
晚上看了关于螺纹术语的介绍,还是不太理解。望各位能通俗点的解释。( {1 b% k# v( V. m4 t
如下图所求的各个定义,不晓得实际中如果理解会更加通俗?
+ A" E! c! w+ H7 f/ a; V# m1. 基准距离? 是指实际装配中,一般装入的最小螺纹长度?????/ z+ I4 T, m) `+ ]
2. 装配余量?
* p0 n' O; G* u2 x3.旋紧余量?
' _" K: E9 \& ^+ F) k4. 那一般如果我们提到NPT1/4" 的牙的话,我们要加工最少多少牙(或如标准上的哪个距离)才是合适的????8 [3 E3 {# X, h4 M
谢谢各位了。) e7 Y3 a, y" c3 q3 p8 ?8 ^
  o- _) V& m' h3 s  W% e
图一: GBT14791-1993 螺纹术语  截图: I8 c/ D& J" g
图二:GBT12716-2002 60 度密封管螺纹 截图
GBT14791-1993 螺纹术语 截图.JPG
GBT12716截图.JPG
发表于 2010-6-30 08:52:05 | 显示全部楼层 来自: 中国上海
本帖最后由 lhf999 于 2010-6-30 08:59 编辑
/ q/ \0 M6 x: p9 ]' b# N: {0 u6 e
' L; B0 @3 t' G5 _2 n8 D6 {参考GB/T 14791-1993《螺纹术语》中的解释。
0 g7 j2 V' u  l1 ] lw.jpg 5 Y! b, ]( Q3 w% z, m
1. 基准距离? 是指实际装配中,一般装入的最小螺纹长度?
- n# `) o( T# @8 `- L不是的。基准距离主要作用是确定基准平面,而基准平面上的螺纹直径(大径、中径、小径)是确定圆锥螺纹直径大小。1 Q0 f& x* [$ S/ S5 ^/ I/ n7 Z
2.装配余量的意思应该是保证螺纹拧紧时的螺纹长度。
1 D. |- K- u. ]3.旋紧余量,在圆锥外螺纹拧入内螺纹时,前面一段是有间隙的,在间隙到零之后继续拧入的一段。- l; O, E+ R6 K4 O# \# j
那一般如果我们提到NPT1/4" 的牙的话,我们要加工最少多少牙(或如标准上的哪个距离)才是合适的????
# L( v+ H5 ~& n+ M我认为至少应加工到图示中的基准距离+装配余量的长度。螺纹的基本尺寸表中给出了这两个长度。
发表于 2010-6-30 09:43:50 | 显示全部楼层 来自: 中国山西太原
1  基准距离是为测量规定的一个基准截面,在这个截面内来测量基本直径。因为是锥螺纹,各直径处处都在变化。3 W# p! z6 Q/ x( W6 z
2  装配余量,即为内外螺纹旋紧后从基准平面到旋合终止平面的距离。
& c: M! u: |4 S2 s3  旋紧余量,内外螺纹旋入后,继续旋进至紧固的距离。
3 o8 ^+ P$ v+ J3 {4  以NPT1/4"为例,基准距离为4.1牙、装配余量为3牙,有效螺纹长度应大于7.1牙,再加上螺尾长度,即为螺纹全长。
发表回复
您需要登录后才可以回帖 登录 | 注册

本版积分规则

Licensed Copyright © 2016-2020 http://www.3dportal.cn/ All Rights Reserved 京 ICP备13008828号

小黑屋|手机版|Archiver|三维网 ( 京ICP备2023026364号-1 )

快速回复 返回顶部 返回列表