QQ登录

只需一步,快速开始

登录 | 注册 | 找回密码

三维网

 找回密码
 注册

QQ登录

只需一步,快速开始

展开

通知     

查看: 6550|回复: 37
收起左侧

[讨论] 锥度长孔如何加工?

[复制链接]
发表于 2010-6-30 12:20:23 | 显示全部楼层 |阅读模式 来自: 中国浙江宁波

马上注册,结识高手,享用更多资源,轻松玩转三维网社区。

您需要 登录 才可以下载或查看,没有帐号?注册

x
本帖最后由 小草包 于 2010-6-30 12:24 编辑
- K+ A) L5 I" s. m) y
: \8 F2 H* v' }% M产品材质是SUS304 (不锈钢)8 J1 Q% v9 R! c5 F2 F) z
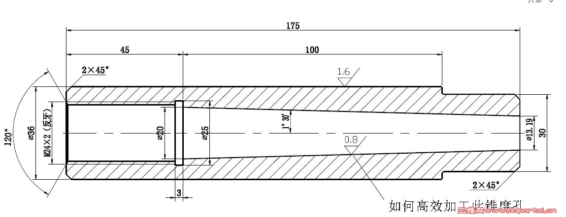
现有一批产品,产品内有一锥度孔,大径只有Ø20,长度却有135mm长。1 R& s. v) h; M$ h, Y/ a
现在的方案是采用钻孔,再铰。可是由于尺寸的原因,铰刀需定制,并且费用很高。7 j( u+ A9 k; \; ]7 o( K) m+ ?4 U3 e
一把高速钢材料铰刀需200左右,但是怕刀具材料无法完成这产品的要求;若采用整体合金钢铰刀,则刀具价格至少在900以上。
7 _$ F* t9 {$ L5 V* n费用吃不消........' H: ]! B( a  Q, z. c8 m; w' X; x

& V$ S# `8 l6 X" b3 Q4 p不知道大家有什么高见?
  K( y9 T7 w: q0 g* i) k; ^$ A2 T( c2 C4 b
产品附图
如何加工产品锥度孔.JPG

如何加工产品锥度孔.pdf

28.51 KB, 下载次数: 5

发表于 2010-6-30 15:07:22 | 显示全部楼层 来自: 中国江苏苏州
请问你准备怎么测量呢?用气动量仪的话,找我啊,我们做了很多锥度量仪的
 楼主| 发表于 2010-6-30 21:38:36 | 显示全部楼层 来自: 中国浙江宁波
楼上的先给出加工方法再解决检验的方法
发表于 2010-7-1 09:47:11 | 显示全部楼层 来自: 中国陕西咸阳
用气动量仪可以
 楼主| 发表于 2010-7-1 10:12:45 | 显示全部楼层 来自: 中国浙江宁波

+ H' p9 d: m6 Y2 f9 X9 ?: \( k1 X% y
我请教得不是怎么测量8 h: _3 \/ T$ K/ T% T4 K: T

: t  x) _7 }7 d' U4 `
- \! C  P7 |" e; R/ L& b( r是如何加工...........
发表于 2010-7-1 14:29:23 | 显示全部楼层 来自: 中国湖北武汉
考虑内部用合金的锥棒当芯子,先挤压成形后再加工外部
发表于 2010-7-1 15:30:30 | 显示全部楼层 来自: 中国江苏苏州
加工方法有的,你不想花钱,那就没辙了。。。。。。

评分

参与人数 1三维币 -5 收起 理由
天际孤帆 -5 说出你的加工方法,我可以撤销扣分。

查看全部评分

发表于 2010-7-1 16:30:38 | 显示全部楼层 来自: 中国江苏苏州
你问问做非标刀具的厂家,看用成型铣刀能做,还是非标小镗刀,我这个没实际加工经验
 楼主| 发表于 2010-7-3 13:05:16 | 显示全部楼层 来自: 中国浙江宁波
加工方法有的,你不想花钱,那就没辙了。。。。。。; A1 U  S* g$ t; s" \4 ?; r
jimmyqiu 发表于 2010-7-1 15:30 http://www.3dportal.cn/discuz/images/common/back.gif

- k9 o' `7 r  ?8 {: z: L  q; b0 L3 K' V2 _+ W/ Z0 f: s  k
+ o0 ]$ L8 f  X( o3 R5 B0 P
不是不想花钱3 X1 z2 ]( a! R% z
是想降低成本' |' P5 m# D! ^; T* d& ~

) H+ ~2 x5 G3 G5 Q2 y! ?  c
1 l! s3 `# a  Y" P这想法应该合情合理的吧: s4 I3 t' `' @' I& ~; V
5 j) G, G% B  P0 V+ t
后面要批量生产
 楼主| 发表于 2010-7-3 13:06:53 | 显示全部楼层 来自: 中国浙江宁波
考虑内部用合金的锥棒当芯子,先挤压成形后再加工外部
; C) z' N" @# Y) I' S4 bj.chen404 发表于 2010-7-1 14:29 http://www.3dportal.cn/discuz/images/common/back.gif

: ?" N  V) t6 i( v# |
3 m& d+ ]. M6 F: Z' B挤压
( U5 E% Q3 J0 M% L4 `6 y+ R压力需要多少?
, g+ W! C% [" Q/ J/ [( Q
+ Y1 @9 {, G9 d& [7 y液压机吃得消不?
发表于 2010-7-3 16:25:36 | 显示全部楼层 来自: 中国浙江杭州
批量生产的话,可以考虑用钻头钻,锥度扁钻钻,锥度铰刀铰。
发表于 2010-7-3 16:36:26 | 显示全部楼层 来自: 中国上海
这个东东和机床上的锥柄工具接长套有点像啊,机床厂或者机床附件厂应该很容易做的,论坛里没有这方面的专家吗?
发表于 2010-7-4 21:31:48 | 显示全部楼层 来自: 中国浙江宁波
批量大的话考虑挤压工艺,可以满足你的要求就是模具费用比较高。
 楼主| 发表于 2010-7-5 10:34:14 | 显示全部楼层 来自: 中国浙江宁波
11# ZJJX055318
0 p/ y- Q* k& e- @3 @+ b% t& q
$ ], h  i+ p7 L. X+ U$ \: x6 Z6 E" t! K; c
还有没有其他工艺?
 楼主| 发表于 2010-7-5 10:34:59 | 显示全部楼层 来自: 中国浙江宁波
12# lhf999
2 M6 {$ z, G' K4 u3 {+ c
. m$ |! t7 h1 X/ n+ k" a& z) s
: w" Z2 r6 J" M/ j/ [( Z( H  r$ I有没有这样的厂家?
% A5 n+ u1 q: Z! y& h4 [1 q介绍一下
发表于 2010-7-8 12:22:25 | 显示全部楼层 来自: 中国浙江杭州
车好 了 上内圆磨  想给车床尾架套筒一样啊
发表于 2010-7-8 12:43:49 | 显示全部楼层 来自: 中国黑龙江哈尔滨
楼主何不咨询一下专业的刀具公司呢?比如ISCAR 等等
发表于 2010-7-8 12:44:06 | 显示全部楼层 来自: 中国上海
这种玩意直接车啊,有什么好考虑的,推荐使用山特维克合金防震镗刀杆。我的300长都车了
发表于 2010-7-8 13:29:24 | 显示全部楼层 来自: 中国江苏苏州
请问各位“&Oslash”是什么意思???谢谢
发表于 2010-7-10 17:51:06 | 显示全部楼层 来自: 中国广东佛山
这个零件谁设计的啊,太垃圾
发表于 2010-7-11 20:09:48 | 显示全部楼层 来自: 新加坡
如果用于配合,锥度长孔是不良设计,短锥长度30MM就足够了,还是改设计吧。
发表于 2010-7-11 21:58:56 | 显示全部楼层 来自: 中国山东
钻孔后精镗,然后铰孔
发表于 2010-7-12 09:17:33 | 显示全部楼层 来自: 中国湖北武汉
挤压
2 y- r  n7 d5 k5 q$ N压力需要多少?
6 }* i8 E) k. h  [3 C- b; H9 M) {6 f, U: J
液压机吃得消不?
! W9 d* G8 i# E0 \& U% B- r4 [小草包 发表于 2010-7-3 13:06 http://www.3dportal.cn/discuz/images/common/back.gif

. x& h' M; ^6 T8 |, V% Q2 L楼主可看下“温挤工艺”,批量生产中还是挤压方法来的有效,先粗挤成型,去应力后精挤。
发表于 2010-7-14 14:13:09 | 显示全部楼层 来自: 中国上海
我觉得先钻孔,在镗孔,在用绞刀绞,这样绞刀的成本就降下来了。
发表于 2010-7-14 16:19:45 | 显示全部楼层 来自: 中国上海
可先钻孔12mm,再用防震镗刀镗孔和锥孔(12mm镗刀/防震刀杆,最好是前冷却的),如精度要求不高,就不用铰刀加工。这样,加工成本会低些。
发表回复
您需要登录后才可以回帖 登录 | 注册

本版积分规则


Licensed Copyright © 2016-2020 http://www.3dportal.cn/ All Rights Reserved 京 ICP备13008828号

小黑屋|手机版|Archiver|三维网 ( 京ICP备2023026364号-1 )

快速回复 返回顶部 返回列表