QQ登录

只需一步,快速开始

登录 | 注册 | 找回密码

三维网

 找回密码
 注册

QQ登录

只需一步,快速开始

展开

通知     

查看: 1058|回复: 2
收起左侧

[求助] 关于球阀的焊接式法兰连接问题

[复制链接]
发表于 2010-7-6 18:48:02 | 显示全部楼层 |阅读模式 来自: 中国浙江宁波

马上注册,结识高手,享用更多资源,轻松玩转三维网社区。

您需要 登录 才可以下载或查看,没有帐号?注册

x
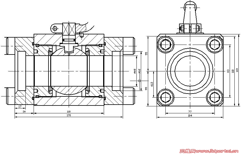
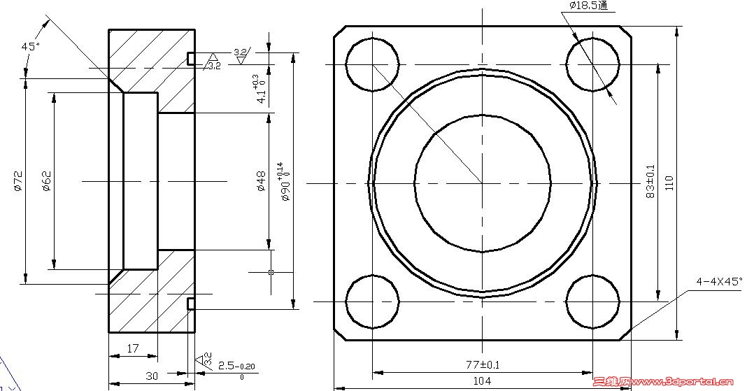
我在有些生产液压阀公司的产品样品中发现一个问题,就是他们在设计50通径的高压球阀,连接为法兰连接,法兰连接的孔径是62mm而按照液压设计手册所说,50通径的连接管路却是63mm的外径,那他们怎么连接呢?还有焊接式法兰是不是就只需要一个法兰(管路焊接在法兰上就可以?)?  望高手赐教
1.JPG
2.JPG
发表于 2010-7-7 07:41:56 | 显示全部楼层 来自: 中国江苏南通
62的孔径,表示用60的外径管子直接焊接上即可4 P4 ?2 o4 I* R# s8 @7 f
. L( d8 P# `& p6 b! |& l- z
通径为DN50,
# t. P  P  L. h, Z4 S; S是完全满足要求的
发表于 2010-7-8 16:50:48 | 显示全部楼层 来自: 中国河北廊坊
用外径60mm的无缝管或外径为60.3mm流体输送管,将端面磨平插入φ62孔内,将法兰的坡口处填角焊牢即可。
发表回复
您需要登录后才可以回帖 登录 | 注册

本版积分规则


Licensed Copyright © 2016-2020 http://www.3dportal.cn/ All Rights Reserved 京 ICP备13008828号

小黑屋|手机版|Archiver|三维网 ( 京ICP备2023026364号-1 )

快速回复 返回顶部 返回列表