QQ登录

只需一步,快速开始

登录 | 注册 | 找回密码

三维网

 找回密码
 注册

QQ登录

只需一步,快速开始

展开

通知     

查看: 1299|回复: 5
收起左侧

[求助] 请大家帮忙分析一下液压阀

[复制链接]
发表于 2010-7-7 07:59:02 | 显示全部楼层 |阅读模式 来自: 中国山东济南

马上注册,结识高手,享用更多资源,轻松玩转三维网社区。

您需要 登录 才可以下载或查看,没有帐号?注册

x
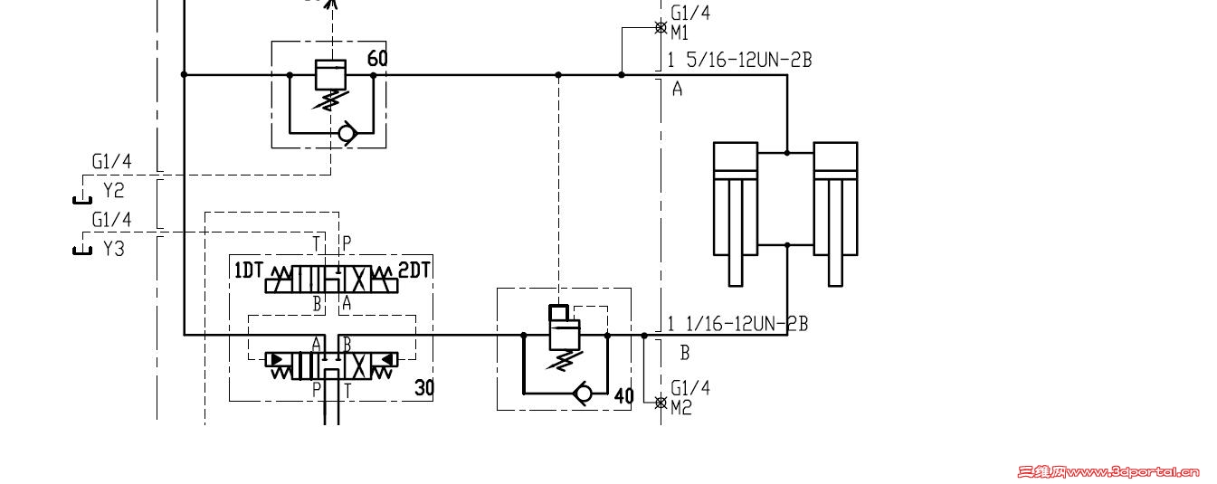
大家帮忙看看这两个阀(除了三位四通阀)都是什么阀,在这个系统里有什么作用?
液压00.JPG
发表于 2010-7-7 08:34:00 | 显示全部楼层 来自: 中国浙江杭州
类似于起重设备中油缸回路接的平衡阀
发表于 2010-7-7 09:47:05 | 显示全部楼层 来自: 中国上海
平衡阀,防止油缸重力下降引起的冲击
发表于 2010-7-7 10:28:03 | 显示全部楼层 来自: 中国甘肃兰州
分别为顺序阀、平衡阀、电液换向阀。
发表于 2010-7-7 11:03:17 | 显示全部楼层 来自: 中国江苏泰州
本帖最后由 bsavage 于 2010-7-7 11:04 编辑 1 ~% d, @7 i! L9 E$ z# P$ l
7 |3 r  w0 W" p5 _* W7 _+ C/ L' F! j
抗衡阀(不带导压口),抗衡阀,电液换向阀
CB2A-无导压.jpg
CB2A-350bar.jpg
螺纹插装阀图片.gif
发表于 2010-7-7 11:21:01 | 显示全部楼层 来自: 中国北京
左上角的是单项顺序阀;
6 ]' o% {0 h, D, W右下角的是平衡阀。
发表回复
您需要登录后才可以回帖 登录 | 注册

本版积分规则


Licensed Copyright © 2016-2020 http://www.3dportal.cn/ All Rights Reserved 京 ICP备13008828号

小黑屋|手机版|Archiver|三维网 ( 京ICP备2023026364号-1 )

快速回复 返回顶部 返回列表