QQ登录

只需一步,快速开始

登录 | 注册 | 找回密码

三维网

 找回密码
 注册

QQ登录

只需一步,快速开始

展开

通知     

查看: 1272|回复: 4
收起左侧

[求助] 有这样的比例减压阀吗?

[复制链接]
发表于 2010-7-13 00:23:56 | 显示全部楼层 |阅读模式 来自: 中国河北张家口

马上注册,结识高手,享用更多资源,轻松玩转三维网社区。

您需要 登录 才可以下载或查看,没有帐号?注册

x
本帖最后由 ygzygz775 于 2010-7-13 00:29 编辑 " V; i0 h" i& p8 @. S5 f: y* B

2 ?$ G% n3 S2 {我想使用这样一个10通径的叠加式比例减压阀,其实只要能通过比例电磁铁调出两种压力状态,一个是3MPa,一个是5MPa就行,这样的比例减压阀上面安装10通径换向阀,有这样的阀吗?是那个厂生产的,型号是什么?请指点!有这样的比例减压阀吗?, D! E" d* }2 z
有这样的比例减压阀吗?. Q' t8 ?6 q+ n# b4 M
发表于 2010-7-13 12:00:32 | 显示全部楼层 来自: 中国浙江杭州
既然只有两个状态干嘛还要比例呢!!!!!
发表于 2010-7-13 18:53:10 | 显示全部楼层 来自: 中国湖南长沙
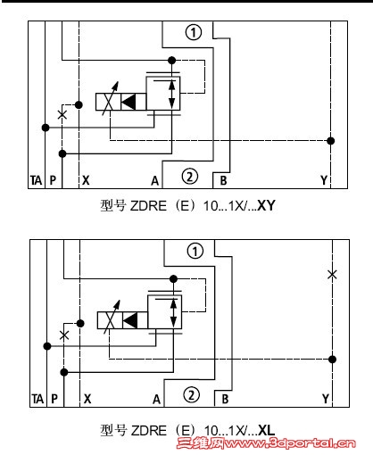
可取力士乐样本上找找看,或许有你要的。下面两图截取力士乐样本,请参考。
1.jpg
2.jpg
发表于 2010-7-13 18:59:31 | 显示全部楼层 来自: 中国天津
本帖最后由 gxp1014 于 2010-7-13 19:01 编辑
1 y5 A7 l' T/ m8 ]. d) X, }
7 F* M, M# s& q2 g/ x只有两个压力应该用多级减压阀,REXROTH有,不过好像不是叠加的。9 _2 q9 L- y) p9 ^# |, ]; h
非用叠加吗?
发表于 2010-7-17 13:03:44 | 显示全部楼层 来自: 中国江苏泰州
你需要多大流量的,这个可以用外控的螺纹插装式减压的来做
发表回复
您需要登录后才可以回帖 登录 | 注册

本版积分规则


Licensed Copyright © 2016-2020 http://www.3dportal.cn/ All Rights Reserved 京 ICP备13008828号

小黑屋|手机版|Archiver|三维网 ( 京ICP备2023026364号-1 )

快速回复 返回顶部 返回列表