QQ登录

只需一步,快速开始

登录 | 注册 | 找回密码

三维网

 找回密码
 注册

QQ登录

只需一步,快速开始

展开

通知     

全站
5天前
查看: 1841|回复: 8
收起左侧

[已答复] 各位大哥帮忙哦,小弟这个圆角不会弄~!

[复制链接]
发表于 2010-7-17 11:01:15 | 显示全部楼层 |阅读模式 来自: 中国江苏无锡

马上注册,结识高手,享用更多资源,轻松玩转三维网社区。

您需要 登录 才可以下载或查看,没有帐号?注册

x
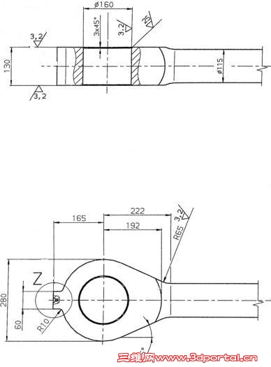
请问用UG这个R65的圆角怎么弄哦,小弟在此拜谢了~!
10.JPG
发表于 2010-7-17 11:07:43 | 显示全部楼层 来自: 中国江苏苏州
最后倒R角 先把他们两条线相交
 楼主| 发表于 2010-7-17 11:19:37 | 显示全部楼层 来自: 中国江苏无锡
不懂哦  我是菜鸟  具体怎么操作啊 谢了啊
发表于 2010-7-17 12:09:17 | 显示全部楼层 来自: 中国重庆
你这个,直接画个草图,一次可以用拉伸命令,一次就出来了
发表于 2010-7-17 12:32:26 | 显示全部楼层 来自: 中国浙江宁波
可以先话画好 最后倒角把
发表于 2010-7-17 21:11:38 | 显示全部楼层 来自: 中国山东济南
我的理解,可能不对,大家讨论一下。个人觉得此题不错。 1# 一心绝对
3.JPG
4.jpg

r65.rar

110.32 KB, 下载次数: 4

评分

参与人数 1三维币 +5 收起 理由
beyond2009 + 5 应助

查看全部评分

发表于 2010-7-17 23:21:44 | 显示全部楼层 来自: 中国四川广元
21.jpg 22.jpg

评分

参与人数 1三维币 +3 收起 理由
beyond2009 + 3 应助

查看全部评分

发表于 2010-7-20 19:58:10 | 显示全部楼层 来自: 中国福建福州
这园角用正常倒园做不出图纸的要求,我用补园的方法做成 1.jpg 2.jpg

评分

参与人数 1三维币 +3 收起 理由
beyond2009 + 3 应助

查看全部评分

发表于 2010-7-20 22:16:25 | 显示全部楼层 来自: 中国山东济南
本帖最后由 shabisgabi 于 2010-7-20 22:19 编辑 ' y$ h4 a: u: _! U0 M( M' q+ \: k
; k& S: e; m  l5 _1 R& J
请大家看看是不是这个效果
QQ截图未命名1.png
QQ截图未命名2.png
QQ截图未命名2.png
发表回复
您需要登录后才可以回帖 登录 | 注册

本版积分规则

Licensed Copyright © 2016-2020 http://www.3dportal.cn/ All Rights Reserved 京 ICP备13008828号

小黑屋|手机版|Archiver|三维网 ( 京ICP备2023026364号-1 )

快速回复 返回顶部 返回列表