QQ登录

只需一步,快速开始

登录 | 注册 | 找回密码

三维网

 找回密码
 注册

QQ登录

只需一步,快速开始

展开

通知     

查看: 3237|回复: 9
收起左侧

[求助] 菜鸟初次自制联轴器,还望老鸟们帮我把把关

[复制链接]
发表于 2010-7-22 14:33:01 | 显示全部楼层 |阅读模式 来自: 中国四川成都

马上注册,结识高手,享用更多资源,轻松玩转三维网社区。

您需要 登录 才可以下载或查看,没有帐号?注册

x
本帖最后由 zszgo 于 2010-7-22 14:34 编辑 1 G5 z! D& d8 U3 P9 v
/ }3 Y0 H6 i9 ]+ }- U  `$ j* v  A
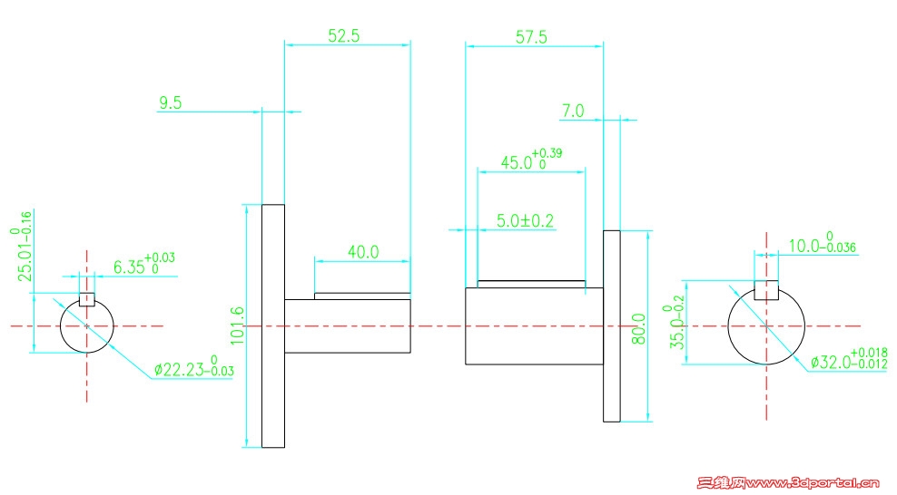
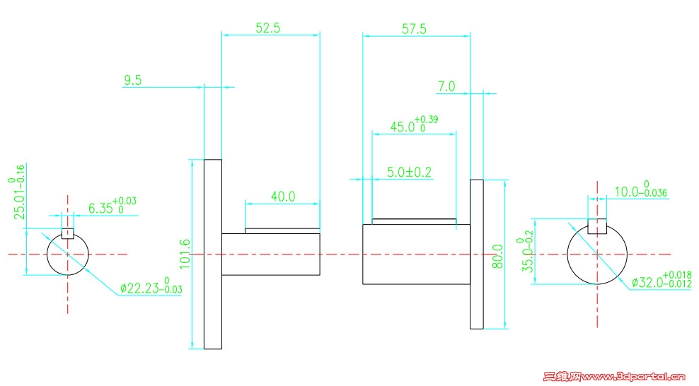
准备采用NL4内齿弹性联轴器,具体见图1、2、3* ?$ ?. x3 c- s# m# u9 y
从主动轴尺寸.jpg
1 S6 M1 s1 z' R) o. |! V3 O9 k 从主动轴尺寸.jpg 5 k( e! y1 }4 R
联轴器装配.jpg
发表于 2010-7-22 18:19:48 | 显示全部楼层 来自: 中国台湾
本帖最后由 hottee2009 于 2010-7-22 18:21 编辑
, Z1 ]; p* p7 j# l' l
/ {/ P. f7 _6 P, Q6 ~3 Y5 h% ^1,3外侧是法兰吗??
发表于 2010-7-24 12:14:59 | 显示全部楼层 来自: 中国上海
补充一点:你准备如何选择热处理?
发表于 2010-7-24 13:40:44 | 显示全部楼层 来自: 中国浙江温州
网上有很多样式啊
发表于 2010-7-25 15:31:18 | 显示全部楼层 来自: 中国黑龙江佳木斯
选联轴器一般只做轴孔图,即将主动轴、被动轴直径及键尺寸画出来,标出轴伸长度。其它的条件根据使用情况选型即可。你的两个轴图看出来你是初次设计。
发表于 2010-7-25 16:45:45 | 显示全部楼层 来自: 中国辽宁沈阳
本帖最后由 spaike 于 2010-7-25 16:48 编辑
- g( u2 Y* W  z1 |5 c6 ]
: p; o4 R; u, A楼主的题目有些不妥啊! " c, k9 t8 @$ T- o( u
网上自称“菜鸟”,可笑看为自谦。而对别人谓之“鸟”,那可是骂人的称呼。最起码也是对别人的不尊重。: U0 K0 T  o! N5 M1 Q+ U/ P
何况,你又是对帮助你的前辈们,称之为“老鸟”。这可是非常明显的失礼啊!; u. q# T; f/ _: a- I, x) P
如果,你认为这不过是一种“诙谐”的话,那就是一种无知的表现了。9 H9 q" Z* J0 i' Q* S
特此提醒,最好将题目改一下吧。否则,怎么让人出面帮你啊?
 楼主| 发表于 2010-7-26 08:36:59 | 显示全部楼层 来自: 中国四川成都
楼主的题目有些不妥啊!
! R' _; ]8 i7 Y$ `* U' c* }5 f1 P1 `网上自称“菜鸟”,可笑看为自谦。而对别人谓之“鸟”,那可是骂人的称呼。最起码也是对别人的不尊重。5 Z/ E% f: f" o. T4 [' Z* u7 w
何况,你又是对帮助你的前辈们,称之为“老鸟”。这可是非常明显的失礼啊! ..." A* Q, v2 M1 Q0 O/ u3 G
spaike 发表于 2010-7-25 16:45 http://www.3dportal.cn/discuz/images/common/back.gif

+ M, {: y/ O) x
% n7 e. Z, M) P. i) K! @嗯,现在想改标题,却没有权限改了
: A+ R* b' p( ~' E6 D0 Q3 k0 y- }
; x9 h: h, |- U9 p8 \/ y: \实在抱歉!
 楼主| 发表于 2010-7-26 08:38:47 | 显示全部楼层 来自: 中国四川成都
1,3外侧是法兰吗??+ @3 \/ o# ^! ^* g# `$ c- S
hottee2009 发表于 2010-7-22 18:19 http://www.3dportal.cn/discuz/images/common/back.gif
$ u* o2 l% [  H$ B" Q2 ^9 N4 D
是的,连接在支座上!
 楼主| 发表于 2010-7-26 08:40:19 | 显示全部楼层 来自: 中国四川成都
选联轴器一般只做轴孔图,即将主动轴、被动轴直径及键尺寸画出来,标出轴伸长度。其它的条件根据使用情况选型即可。你的两个轴图看出来你是初次设计。, k' I; p! ]: Q0 d. g4 q. {
shifeng18 发表于 2010-7-25 15:31 http://www.3dportal.cn/discuz/images/common/back.gif

& G6 [5 U" g; J- t4 F, o7 T谢谢,7 I) M* h$ L" ]4 W' U  M& t  b
确实是初次设计3 X- k8 R* v: ~3 ]* W+ X
/ H! X7 {. c: C0 f; h" V3 }  E
主要是其中一个尺寸为22.23,为非标准尺寸,因此只能自制了。
2 e7 A3 i% W! x2 ~8 ^: N9 b* z' I+ o* o
不知道,我这样设计的不妥之处在哪。
发表于 2010-7-26 10:20:09 | 显示全部楼层 来自: 中国湖北武汉
首先,两轴上的法兰太大,轴头处的键槽加工难达根部(铣头会碰上),用加长刀会振;其次,如果是设计刚性联轴器的话,直接用个套就行了,没必要搞的这么复杂,因为你的齿轮联轴器也没看出有弧形齿;联轴器不光是起连接作用,还有一定的包容不共轴、不对中的作用。
发表回复
您需要登录后才可以回帖 登录 | 注册

本版积分规则


Licensed Copyright © 2016-2020 http://www.3dportal.cn/ All Rights Reserved 京 ICP备13008828号

小黑屋|手机版|Archiver|三维网 ( 京ICP备2023026364号-1 )

快速回复 返回顶部 返回列表