QQ登录

只需一步,快速开始

登录 | 注册 | 找回密码

三维网

 找回密码
 注册

QQ登录

只需一步,快速开始

展开

通知     

全站
4天前
查看: 1408|回复: 5
收起左侧

[求助] 有N多个问题需要解决 请帮忙回答

[复制链接]
发表于 2010-7-28 08:58:53 | 显示全部楼层 |阅读模式 来自: 中国上海

马上注册,结识高手,享用更多资源,轻松玩转三维网社区。

您需要 登录 才可以下载或查看,没有帐号?注册

x
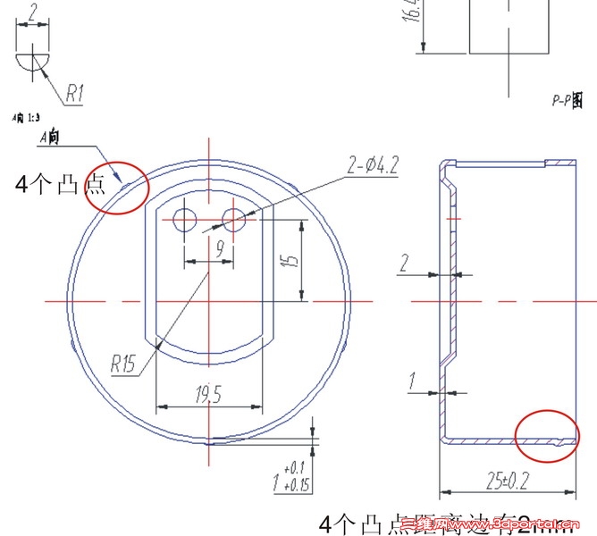
1。在一个圆形拉伸件上,形状是个圆筒,在圆筒壁上从里面向外面顶起个半圆形的小凸点,顶起的高度有0.5mm,怎么做这个凸点啊
, b6 P7 c; P, ^: s2 ~& _2。也是一个圆柱形拉伸件见图,这6个折边带2头大小不一样的怎么做啊& A0 g8 F! \4 v
还有就是底部那几个扇形的形状怎么做
图形1_调整大小.jpg
图形2_调整大小.jpg
 楼主| 发表于 2010-7-28 09:01:05 | 显示全部楼层 来自: 中国上海
最好上传个原图,以便我参考啊 谢谢啊
 楼主| 发表于 2010-7-28 17:10:32 | 显示全部楼层 来自: 中国上海
怎么没有人解答啊。。。。求助啊
发表于 2010-7-28 21:15:26 | 显示全部楼层 来自: 中国浙江金华
不知道是要生产工艺还是sw画图2 H8 g% j! J$ ]# X( j' p  \/ V
如果是画图第一个用sw的压凹命令可以实现,用放样试试二个的边8 C7 J" D) \+ Q9 x* x
如果是生产工艺第一个就冲压,第二个在切边的时候就留好大小边而后翻边
  a; u7 V. E1 ~4 Y" k8 k3 J不知道合理不合理
 楼主| 发表于 2010-7-28 22:27:22 | 显示全部楼层 来自: 中国上海
主题阐述不明确 怪不得呢。是用SolidWorks作图,不是生产工艺,作图啊 试着自己看书 可就是不行啊:L
发表于 2010-7-29 06:36:02 | 显示全部楼层 来自: 中国天津
还得先了解工艺,你要的东东是如何加工的,如何制造就如何建模
发表回复
您需要登录后才可以回帖 登录 | 注册

本版积分规则


Licensed Copyright © 2016-2020 http://www.3dportal.cn/ All Rights Reserved 京 ICP备13008828号

小黑屋|手机版|Archiver|三维网 ( 京ICP备2023026364号-1 )

快速回复 返回顶部 返回列表