QQ登录

只需一步,快速开始

登录 | 注册 | 找回密码

三维网

 找回密码
 注册

QQ登录

只需一步,快速开始

展开

通知     

全站
7天前
查看: 2694|回复: 12
收起左侧

[讨论结束] 如何解决保险丝底座发热的问题?

 关闭 [复制链接]
头像被屏蔽
发表于 2010-7-28 11:16:09 | 显示全部楼层 |阅读模式 来自: 中国浙江杭州
提示: 作者被禁止或删除 内容自动屏蔽
发表于 2010-7-28 17:01:52 | 显示全部楼层 来自: 中国上海
保险丝就是通过发热熔断来保护的,发热是无可避免的,问题是让发热不要引起不良后果即可。
发表于 2010-7-28 18:56:43 | 显示全部楼层 来自: 中国湖南株洲
1)检查保险与底座的接触是否良好,发黑或锈迹应更换或用砂纸打磨;
; s' J3 J7 M) k  q6 v8 J# o, w; H0 }2)检查保险以后的线路是否接触不良、检查接头等连接部位、正负极之间有无污物;
发表于 2010-7-29 10:03:18 | 显示全部楼层 来自: 中国河南商丘
应是接触不良造成的,由于接触电阻大导致局部过热,这是恶性循环。
发表于 2010-7-29 10:11:14 | 显示全部楼层 来自: 中国山东潍坊
查一下是由于导体将热传过来的,还是本身发热?: H& J& l3 t0 c3 W  y5 [2 _3 L* U
如果是保险丝本身发热,就查一下保险丝与座套连接部分接触是否良好,座套与导体接触?" [) j0 R0 C' a5 D5 R
保险丝是应该发点热,但不能太热,太热就说明有问题存在
发表于 2010-7-29 10:26:49 | 显示全部楼层 来自: 中国上海

\

本帖最后由 roger_dong 于 2010-7-29 10:39 编辑 0 ]6 ~; j* S( V, |: H

9 R( n2 W$ C/ B1 x; L# {  Z% @( {5 H接触不良的原因排除后如果还有发热,可以更改保险丝的连接方式和底座的材料,采用接触电阻较小的螺纹连接,接触面积尽量大些,底座材料保证是铜材且厚度应增加
头像被屏蔽
 楼主| 发表于 2010-7-30 20:09:32 | 显示全部楼层 来自: 中国浙江杭州
提示: 作者被禁止或删除 内容自动屏蔽
发表于 2010-7-30 21:35:19 | 显示全部楼层 来自: 中国山西运城
更换时连底座一起换
发表于 2010-7-31 11:49:22 | 显示全部楼层 来自: 中国河北保定
本帖最后由 yjybd 于 2010-7-31 12:51 编辑
4 H8 u2 l- p' `& e7 U  a' G& b2 M' d* w# b2 [$ O
如果是为了解决底座的发热问题,可以借鉴一下cpu的安装模式。即在熔断器的底座上增加些含银导热硅脂,增加其与安装底板的接触性,提高散热。' u; v7 C. g8 _9 }
必须要保证熔断器在正常的发热范围之内。
发表于 2010-9-1 16:11:03 | 显示全部楼层 来自: 中国广东佛山
发热是不是保险管与支架接触不好引起有一定阻抗。
发表于 2010-9-1 21:15:19 | 显示全部楼层 来自: 中国河北廊坊
(1)保险管接触不良,有麻点、过热、烧损现象。1 ]: M* [' J3 ^* O8 J% H
(2)底座弹力不足,断裂等情况。5 J4 e2 G; y5 ]7 M# n
你可以更换较大的保险座。
发表于 2010-10-7 21:39:13 | 显示全部楼层 来自: 中国湖北宜昌
保险丝就是通过发热熔断来保护的,发热是无可避免的,问题是让发热不要引起不良后果即可。
) K7 L, P! @$ T9 @; I% Qjiming1 发表于 2010-7-28 17:01 http://www.3dportal.cn/discuz/images/common/back.gif
* A- g" k1 M+ W6 v  F
这位兄台正解,保险丝本来就会有电流通过就会发热。不知道你说的发热温度大概有多高!
发表于 2010-10-8 09:06:33 | 显示全部楼层 来自: 中国北京
本帖最后由 pangpang 于 2010-10-8 09:07 编辑 ( B9 V- @3 h/ c! D
3# zmorphis
  e0 f5 h# _) f0 ^. u% k- Z  y; P6 C' T' g; ^& `
底座和保险丝都是新的,
- P- Y  f4 t  B( s1 C插保险丝插片的接插件有没有相应的标准呢?
# t4 W5 ~( ~  U; `pure简 发表于 2010-7-30 20:09 http://www.3dportal.cn/discuz/images/common/back.gif

( q1 c4 B9 a! n2 v. X1 j0 u1 V, e3 [) y4 W: d( W
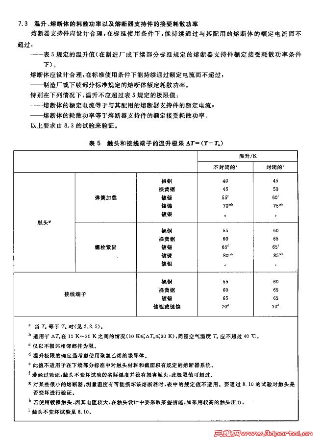
下面是“GB 13539.1-2008  低压熔断器 第1部分:基本要求”中的部分内容。
图.JPG
发表回复
您需要登录后才可以回帖 登录 | 注册

本版积分规则


Licensed Copyright © 2016-2020 http://www.3dportal.cn/ All Rights Reserved 京 ICP备13008828号

小黑屋|手机版|Archiver|三维网 ( 京ICP备2023026364号-1 )

快速回复 返回顶部 返回列表