QQ登录

只需一步,快速开始

登录 | 注册 | 找回密码

三维网

 找回密码
 注册

QQ登录

只需一步,快速开始

展开

通知     

查看: 1371|回复: 5
收起左侧

[求助] 缓冲回路

[复制链接]
发表于 2010-7-30 15:49:30 | 显示全部楼层 |阅读模式 来自: 中国江苏苏州

马上注册,结识高手,享用更多资源,轻松玩转三维网社区。

您需要 登录 才可以下载或查看,没有帐号?注册

x
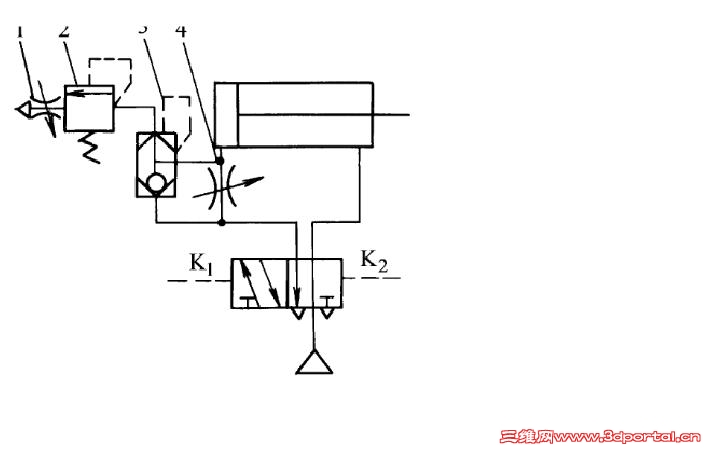
帮我分析一下缓冲回路原理
11.JPG
发表于 2010-7-31 08:22:58 | 显示全部楼层 来自: 中国天津
当2位5通阀在右位工作时,缸向左运动,阀2当背压阀;当2位5通阀在左位工作时,阀4节流阀调节进气流量,缸向右运动。
 楼主| 发表于 2010-7-31 08:28:01 | 显示全部楼层 来自: 中国江苏苏州
2# xiahai-022
+ ]* @, ^- c0 S6 H+ U; b当气缸向右运动时,是从3进气,还是从4进气,
发表于 2010-8-1 12:18:49 | 显示全部楼层 来自: 中国辽宁本溪
主要是从快速排气阀3进气。: Z! O. \! G$ |  i. {
因为该路阻力小。
发表于 2010-8-2 08:30:44 | 显示全部楼层 来自: 中国江苏南通
这是气动回路.
3 z# u3 [3 @" ]0 S' X: @
# d3 m) n( C8 @0 J1 N! J" f% @气缸伸出时有缓冲
发表于 2010-8-2 18:49:06 | 显示全部楼层 来自: 中国浙江台州
无杆腔进气时  缸无缓冲 加节流阀是为了产生压差使梭阀向上动作7 g: x7 u, L! X" N. V( u* v
有杆腔进气时   缸有缓冲  原理同上
发表回复
您需要登录后才可以回帖 登录 | 注册

本版积分规则


Licensed Copyright © 2016-2020 http://www.3dportal.cn/ All Rights Reserved 京 ICP备13008828号

小黑屋|手机版|Archiver|三维网 ( 京ICP备2023026364号-1 )

快速回复 返回顶部 返回列表