QQ登录

只需一步,快速开始

登录 | 注册 | 找回密码

三维网

 找回密码
 注册

QQ登录

只需一步,快速开始

展开

通知     

全站
2天前
查看: 1756|回复: 10
收起左侧

[求助] 帮忙分析一下此回路

[复制链接]
发表于 2010-8-11 21:36:44 | 显示全部楼层 |阅读模式 来自: 中国广东东莞

马上注册,结识高手,享用更多资源,轻松玩转三维网社区。

您需要 登录 才可以下载或查看,没有帐号?注册

x
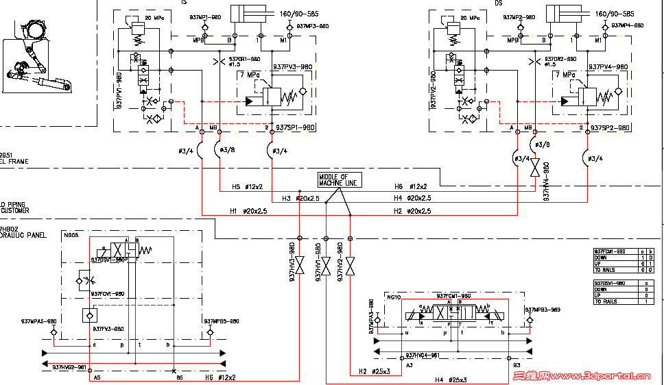
回路中的油缸在正常情况下动作速度正常,现出现了一个现象,就是油缸的动作速度在图中比例换向阀开度一致的情况下变的很慢,可能是什么原因造成的啊   我们现在是把比例阀的输出给大了暂时能使用,具体什么原因能造成这种现象啊?  请各位帮帮忙拉 先谢谢! QQ截图未命名fsf.png
 楼主| 发表于 2010-8-11 22:50:20 | 显示全部楼层 来自: 中国广东东莞
怎么没有人帮忙解答啊?
发表于 2010-8-12 16:13:11 | 显示全部楼层 来自: 中国安徽马鞍山
根据原理图,有可能是执行机构卡阻。另不知楼主有没有检查系统压力是否正常,泵出口滤芯是否堵塞,有无泄露点。如果是缩回变慢的话有可能是平衡阀的滤芯堵塞。
发表于 2010-8-12 16:51:43 | 显示全部楼层 来自: 中国江苏徐州
应该有几个可能吧,可能油源本身提供的流量减少,泵的效率降低或者故障什么的,或者比例阀的控制或者电磁铁有问题,同样的控制信号不足以让阀芯的位移达到原来的量。再就是上面的老兄说的,油缸有卡阻,导致负载压力上升,有油从回路中溢流或者泄漏了。如果有压力、流量传感器的话,还比较容易判断问题。要不只能使用排除法不断的试了。
发表于 2010-8-12 17:05:31 | 显示全部楼层 来自: 中国广东江门
比例阀一般是电位器的问题多点。可能控制卡问题吧。
 楼主| 发表于 2010-8-13 13:53:37 | 显示全部楼层 来自: 中国广东东莞
刚换了一个比例阀没有解决问题
 楼主| 发表于 2010-8-13 13:57:15 | 显示全部楼层 来自: 中国广东东莞
用的平衡阀有布赫的 和sun的
发表于 2010-8-13 23:21:04 | 显示全部楼层 来自: 中国湖北鄂州
楼主讲的是油缸的油缸腔与无缸腔的动作都慢吗 如果左边与右边油缸不同步 原因多了,如果主阀没问题,那油缸可能内泄不一致,平衡阀内泄也可能造成
 楼主| 发表于 2010-8-14 07:17:03 | 显示全部楼层 来自: 中国广东东莞
现在是油缸活塞杆往回收的时候(也就是设备往下放的时候)速度慢,检查油缸无内泄,在设备往下放的过程中两油缸有杆腔压力不一致了相差20bar
发表于 2010-8-15 19:59:46 | 显示全部楼层 来自: 中国河北石家庄
不明白楼主说的比例阀在开度一直的情况下。到底是什么情况。还有就是正常情况又是什么情况啊?最好说明白点
 楼主| 发表于 2010-8-16 20:48:47 | 显示全部楼层 来自: 中国广东东莞
就是上升动作的时候是手动给定的一个恒定的阀位输出%,下降的时候也是一样,只是设备在动作的范围内有一个角度检测的传感器,在一定的角度范围内走不同的阀位输出,现在是换了一个新的比例阀,设备的上升动作是可以在以前的阀位输出时速度基本一直, 但是下降动作还是不能保证正常的速度 阀位要比以前的给定大很多拉  具体原因还不明拉,因为现在不能停机处理拉,只能这样暂用拉
发表回复
您需要登录后才可以回帖 登录 | 注册

本版积分规则

Licensed Copyright © 2016-2020 http://www.3dportal.cn/ All Rights Reserved 京 ICP备13008828号

小黑屋|手机版|Archiver|三维网 ( 京ICP备2023026364号-1 )

快速回复 返回顶部 返回列表