QQ登录

只需一步,快速开始

登录 | 注册 | 找回密码

三维网

 找回密码
 注册

QQ登录

只需一步,快速开始

展开

通知     

查看: 1597|回复: 4
收起左侧

[已解决] 如何保护不需要镀锌的面

 关闭 [复制链接]
发表于 2010-8-13 10:26:03 | 显示全部楼层 |阅读模式 来自: 新加坡

马上注册,结识高手,享用更多资源,轻松玩转三维网社区。

您需要 登录 才可以下载或查看,没有帐号?注册

x
本帖最后由 taotaooo 于 2010-8-13 11:13 编辑
! L+ ]  m7 h6 u2 n
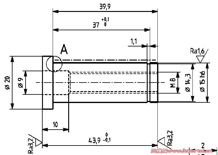
. G8 E+ R* F2 G, l1 \% Q如图,材料为易切削钢,要求镀锌钝化,点划线部分不能镀锌。请问是如何保护的?零件量非常少,就几个。+ t2 r* E0 @5 b' c( _( C) _* X& |

9 X+ W/ H, h' t: P0 @ 2010-08-13_102320.png
发表于 2010-8-13 10:52:02 | 显示全部楼层 来自: 中国上海
让不需要电镀的部分绝缘就可以不镀。
jy2.jpg
jy.jpg

评分

参与人数 1三维币 +3 收起 理由
nel1982 + 3 应助

查看全部评分

 楼主| 发表于 2010-8-13 11:12:58 | 显示全部楼层 来自: 新加坡
方法原来这么简单啊~回答的也很迅速~谢谢~
发表于 2010-8-13 11:24:31 | 显示全部楼层 来自: 中国北京
学习了。问一下那本书的名字是什么。
发表于 2010-8-13 11:45:28 | 显示全部楼层 来自: 中国上海
学习了。问一下那本书的名字是什么。
: ]$ c+ W! E0 ]8 i( wspringpasss 发表于 2010-8-13 11:24 http://www.3dportal.cn/discuz/images/common/back.gif
# P. z. g  \. A* z! i$ e2 ^

; W, }+ w: m4 s2 c, N《电镀手册》、《电镀工艺手册》,其他电镀手册上也应该有类似内容。
发表回复
您需要登录后才可以回帖 登录 | 注册

本版积分规则


Licensed Copyright © 2016-2020 http://www.3dportal.cn/ All Rights Reserved 京 ICP备13008828号

小黑屋|手机版|Archiver|三维网 ( 京ICP备2023026364号-1 )

快速回复 返回顶部 返回列表