QQ登录

只需一步,快速开始

登录 | 注册 | 找回密码

三维网

 找回密码
 注册

QQ登录

只需一步,快速开始

展开

通知     

查看: 2629|回复: 3
收起左侧

[讨论] 用caxa工程师在圆柱面上画出凹槽

[复制链接]
发表于 2010-8-26 08:12:10 | 显示全部楼层 |阅读模式 来自: 中国浙江金华

马上注册,结识高手,享用更多资源,轻松玩转三维网社区。

您需要 登录 才可以下载或查看,没有帐号?注册

x
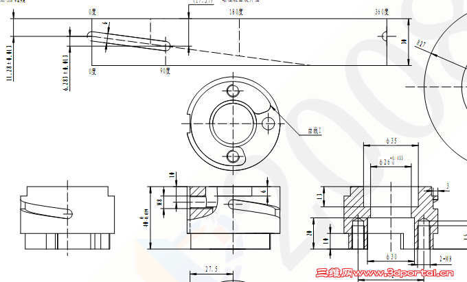
在caxa工程师中没有其它的软件那么多智能功能,比如包覆命令,所以在caxa工程师做出这样的图像显的还很是麻烦,这问题我在早期的时候就研究过,刚前不前一位朋友向我询问画法,我有研究了一下,顺便把方法和大家分享一下!!!  我也就喜欢研究这些无关紧要的问题,呵呵!!
# w/ @  J! \. J" {4 q/ c! K9 ]% ~' K QQ截图未命名.png / F2 H4 q& d  \1 J
1.png
: H. c! g) N* v+ S7 Y( n. d 2.png
" w/ N6 `- M7 M& g题目原件,有兴趣的朋友可以试试2 U- R5 o5 }7 x# [7 }0 u( R
XJB06.rar (310.68 KB, 下载次数: 24)
发表于 2010-8-26 23:12:52 | 显示全部楼层 来自: 中国四川广元
楼主你太牛了我看得一头雾水
发表于 2010-8-27 21:07:39 | 显示全部楼层 来自: 中国江苏徐州
生成曲面,直接拉伸的曲面是不是可以做
 楼主| 发表于 2010-8-28 14:16:11 | 显示全部楼层 来自: 中国浙江金华
3# mzn321103 可以使用曲面加厚除料,可是不知道怎么的,我有时就是失败
发表回复
您需要登录后才可以回帖 登录 | 注册

本版积分规则

Licensed Copyright © 2016-2020 http://www.3dportal.cn/ All Rights Reserved 京 ICP备13008828号

小黑屋|手机版|Archiver|三维网 ( 京ICP备2023026364号-1 )

快速回复 返回顶部 返回列表